Найдено 850 результатов

Перейти к расширенному поиску

Восток
24 сен 2017, 20:42
Форум: Прочие вопросы по электромонтажу
Тема: Чем защитить трёхфазный электрокотёл?
Ответы: 60
Просмотры: 20623

Чем защитить трёхфазный электрокотёл?

37311 Восток, подобная логика управления должна была собрана быть уже с этим ПУ идущем в комплекте с котлом. Константин есть разные сборки схем котлов но к сожалению от обрыва фазы они не защищены,обычно датчики включены в цепь питания катушки контактора, но какая там в действительности схема и ест...
Восток
24 сен 2017, 20:39
Форум: Прочие вопросы по электромонтажу
Тема: Чем защитить трёхфазный электрокотёл?
Ответы: 60
Просмотры: 20623

Чем защитить трёхфазный электрокотёл?

elalex писал(а):Qr Bbpost 1.Ваш котел такой же 3-фазный, как и 3-фазная люстра.

Неверное сравнение.

elalex писал(а):Qr Bbpost Если лучше первое - пошлите Востока с его советом куда подальше.


Слыш Елалекс ты уже достал. Прости у меня смегодня плохое настроение, пьяному соседу асфальную болезнь приподнес.
Делай выводы.
Восток
24 сен 2017, 19:44
Форум: Прочие вопросы по электромонтажу
Тема: Чем защитить трёхфазный электрокотёл?
Ответы: 60
Просмотры: 20623

Чем защитить трёхфазный электрокотёл?

Один из недорогих способой, это поставить три промежуточных реле. На катушки промежуточных реле подается своя фаза. Блок контакты соеденые последовательно и с последнего фаза поступает на катушку контактора. Таким образом при отсутствии одной из ваз, промежуточное реле отключится, разорвет цепь пита...
Восток
23 сен 2017, 19:10
Форум: Контакторы, пускатели, реле, датчики, кнопки и т.п.
Тема: контактор КЭАЗ
Ответы: 15
Просмотры: 3286

контактор КЭАЗ

elalex Шел человек сломал ногу, просит помощи. Кто то подошел наложил шину с помощью обычной палки, что лежала рядом, и тем самым помог человеку. А рядом стоял elalex, во все горло кричал, это не верно , нужен гипс, нужно не так, все кричал и кричал. Человек со сломаной ногой, благополучно добрался ...
Восток
22 сен 2017, 18:11
Форум: УЗО и дифференциальные автоматы
Тема: УЗО в частном доме с заземлением по схеме ТТ
Ответы: 16
Просмотры: 6331

УЗО в частном доме с заземлением по схеме ТТ

1. УЗО ставить нужну, а верней объязательно. Но нужно ставить грамотно, не одно УЗО а несколько. 2. Циркуляционные насосы лучше вывести на отдельную группу, без установки УЗО но с заземлением, так как на такое оборудование ( оно считается стационарным) можно не ставить УЗО но при условии что на ввод...
Восток
21 сен 2017, 00:07
Форум: Контакторы, пускатели, реле, датчики, кнопки и т.п.
Тема: контактор КЭАЗ
Ответы: 15
Просмотры: 3286

контактор КЭАЗ

Видимо не правильно собрана схема.
Как то так
Схема 33333.jpg
Восток
18 сен 2017, 22:08
Форум: Отзывы и предложения по форуму
Тема: Об удалении tupos'a из модераторов
Ответы: 92
Просмотры: 31463

Об удалении tupos'a из модераторов

elalex. Вы слишком мягко говоря зарвались. Впрочем не удивительно с вашей тенденцией конфликности. 36813 1.Вы что - не понимаете мою роль на форуме? Если я уйду, форум потеряет 90 % рейтинга. Форум - это театр одного актера, мой театр. Ваша роль на форуме всего лишь как собеседник не более, поверте....
Восток
16 сен 2017, 22:23
Форум: Автоматические выключатели и предохранители
Тема: Выбор вводного автомата
Ответы: 288
Просмотры: 102799

Выбор вводного автомата

36729 Свидетели говорят - проводка искрила. Есть в славянском языке такие прекрасные слова Очевидец ---- человек который видел события своими глазами в деталях Свидетель --- человек который видел события, но не во всех деталях Изследовать -- человек который последовательно собирает цепочку от перво...
Восток
16 сен 2017, 12:10
Форум: Прочие вопросы по электромонтажу
Тема: как назвать шкаф
Ответы: 20
Просмотры: 75346

как назвать шкаф

ЩШВ - Щит шинного ввода
Восток
14 сен 2017, 22:29
Форум: Проектирование внутреннего электроснабжения
Тема: Проводка до бани и в бане
Ответы: 28
Просмотры: 5483

Проводка до бани и в бане

elalex писал(а):Qr Bbpost 3.На форуме я иногда рассказываю заказчикам, как себя вести с электриками:

elalex писал(а):Qr Bbpost известность в Интернете,

Да уж. Промолчу.
Восток
12 сен 2017, 17:38
Форум: Контакторы, пускатели, реле, датчики, кнопки и т.п.
Тема: Подключение электродвигателя с циклическим реверсом
Ответы: 50
Просмотры: 27037

Подключение электродвигателя с циклическим реверсом

Megamiha писал(а):Qr Bbpost Не могли бы вы сделать фото почетче, может я что-то не правильно вижу в схеме

Буду в четверг дома, сделаю четкую схему, а то с мобильника сложно, да и бумажка где то ушла рабочим под .... обед.
Восток
12 сен 2017, 17:34
Форум: УЗО и дифференциальные автоматы
Тема: Подключение 2 ДИФ автомата
Ответы: 14
Просмотры: 7033

Подключение 2 ДИФ автомата

eagl69 Можно эту группу с дифом 10 мА посадить параллельно . Тогда суммарный ток утечки будет меньше. Но если у вас гдето на оборудовании переодически появляется ток утечки, то будет видно где искать неисправность. Хотя не исключаю вероятности дефекта в самом ДиФ автомате.
Восток
12 сен 2017, 17:27
Форум: УЗО и дифференциальные автоматы
Тема: Подключение 2 ДИФ автомата
Ответы: 14
Просмотры: 7033

Подключение 2 ДИФ автомата

elalex писал(а):Qr Bbpost eagl69, а какой конструкции здание? Железобетон в стенах есть? Какой у вас этаж?

А зачем вам конструкция. Дом новострой там в стояках пятипроводка затянута.
Восток
12 сен 2017, 16:41
Форум: УЗО и дифференциальные автоматы
Тема: Подключение 2 ДИФ автомата
Ответы: 14
Просмотры: 7033

Подключение 2 ДИФ автомата

У вас там все в нормально по схеме заземления и схеме щитка. То что доставили ДиФ автомат на 10мА он проходит по селективности. Читайтее ответ выше, ваш вариант 3
Восток
12 сен 2017, 16:36
Форум: Контакторы, пускатели, реле, датчики, кнопки и т.п.
Тема: Подключение электродвигателя с циклическим реверсом
Ответы: 50
Просмотры: 27037

Подключение электродвигателя с циклическим реверсом

При подаче напряжения при его исчезновении , пока не нажмете кнопку пуск двигатель не включится, так как катушка промежуточного реле отключена.
Восток
12 сен 2017, 15:48
Форум: Контакторы, пускатели, реле, датчики, кнопки и т.п.
Тема: Подключение электродвигателя с циклическим реверсом
Ответы: 50
Просмотры: 27037

Подключение электродвигателя с циклическим реверсом

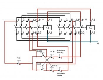
Схема собрана с учетом исключения одновременного включения двух контакторов одновременно. Так называемая элетрическая блокировка.
Восток
12 сен 2017, 13:22
Форум: УЗО и дифференциальные автоматы
Тема: Подключение 2 ДИФ автомата
Ответы: 14
Просмотры: 7033

Подключение 2 ДИФ автомата

ДиФ автомат может сработать по трем причинам. 1. Короткое замыкание 2. Ток нагрузки превышает ток номинала ДиФ автомата 3. Ток утечки превышает допустимые значения. Первый вариант отапает так как иначе вы бы не согли снова включить ДиФ автомат Второй вариант возможен, но при условии что у вас на вар...
Восток
12 сен 2017, 08:23
Форум: Прочие вопросы по электромонтажу
Тема: Прошу совета
Ответы: 13
Просмотры: 3047

Прошу совета

Думаю что так будет даже проще. Ничего не нужно будет переделывать со схемой датчика воды и насоса. Просто добавить датчик воды для бака с горячей водой, и поставить клапан.

Перейти к расширенному поиску