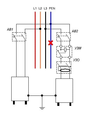
A.Li писал(а):[
Ув.Кактус, почему Вы не пишите ЭТО elalexу ? Почему тогда Вы и другие с ним не спорите а даёте повод брать пример. Это его идея и он так делает клиентам как он пишет (он для Вас не авторитет ?), которую я обдумываю, но остановлюсь на ней если пойму что достаточно низкое сопротивление у заземлённой арматуры и безопасно для всех. Для этого и обсуждаем.
A.Li! Я с Вами полностью согласен. Elalex не совсем корректен, но его рекомендации конкретны, он готов "разжевать" даже мелочи, которые его оппоненты просто отвергают, не затрудняя себя анализом деталей (неположено и все!).
... боше ни кому.

)
.
