hamman писал(а):Источник цитаты а между фазой и землей какое то значение
Константин писал(а):Источник цитатыhamman писал(а):Источник цитаты а между фазой и землей какое то значение
Какая система заземления у вас? Это очень важно.
И второе,чтобы найти скажем так РЕ не нужно измерять напряжения. Достаточно определить петлю если так случилось, что в кабеле отсутствует цветовая маркировка жил.
A.Li писал(а):Источник цитаты По словам нашего электрика 220 будет как между фазой и нулём так и между фазой и землёй. Имхо Нуль разве не та же земля по сути ?
Восток писал(а):Источник цитатыA.Li писал(а):Источник цитаты По словам нашего электрика 220 будет как между фазой и нулём так и между фазой и землёй. Имхо Нуль разве не та же земля по сути ?
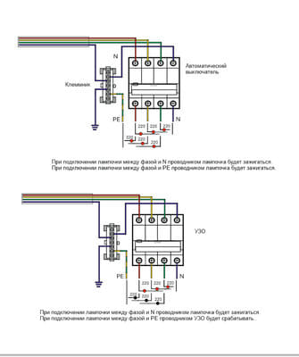
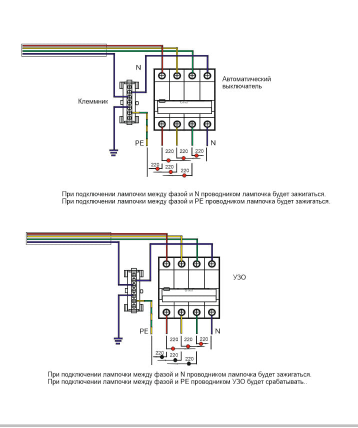
Смотрите схему. Все поймете сами.
A.Li писал(а):Источник цитаты Согласен, TN-C-S. Но какое отношение к моим словам?
A.Li писал(а):Источник цитаты Имхо Нуль разве не та же земля по сути ?
A.Li писал(а):Источник цитаты Нуль разве не та же земля по сути ?
hamman писал(а):Источник цитаты фазу мультиметром и указателем напряжения
hamman писал(а):Источник цитаты как вот найти землю
elalex писал(а):...От земли по нолю чем дальше, тем потенциал больше. На 9 этаже нормально - между нолем и землей 4-5В, ненормально бывает до 15В.
ПАВ писал(а):Источник цитаты Павел, мультиметр полярность рисует только на постоянном токе, и как индикатор перегрузки/выхода за предел шкалы, иногда, а на переменном этот минус постоянно мигал бы. Но нет его там- отключается с переходом в этот режим измерений.
Леопольд писал(а):Источник цитаты лучше сделать "свое" разделение N и PE перед вводным автоматом в квартиру?
Pavel писал(а):Кстати, ПИНом очень удобно определять фазу, ноль и РЕ.

Леопольд писал(а):Источник цитаты Каким образом определить петлю? (Если не вольтметром, то чем - лампочкой?)
Константин писал(а):Источник цитаты Отключаете полностью линию электропитания от генератора(источника питания). На одной стороне коротите 2 проводника, а на второй тестируете любым измерительным прибором будь то мультиметр или указатель с функцией прозвони.
Леопольд писал(а):Источник цитаты Каким образом определить петлю?
elalex писал(а):Источник цитаты Да, идете на ТП, отключаете ВЛ, на столбах отключаете отводы на дома, и потом меряете мультиметром.
Вернуться в «Прочие вопросы по электромонтажу»
Сейчас этот форум просматривают: нет зарегистрированных пользователей и 14 гостей