Датчик скорости

Выбор и схемы подключения контакторов, пускателей, реле, различных датчиков, кнопок управления, переключателей и т.п.
balbes
Сообщения: 1
Зарегистрирован: 03 апр 2016, 13:51
Репутация: 0
Контактная информация:

Датчик скорости

Сообщение balbes » 03 апр 2016, 13:57

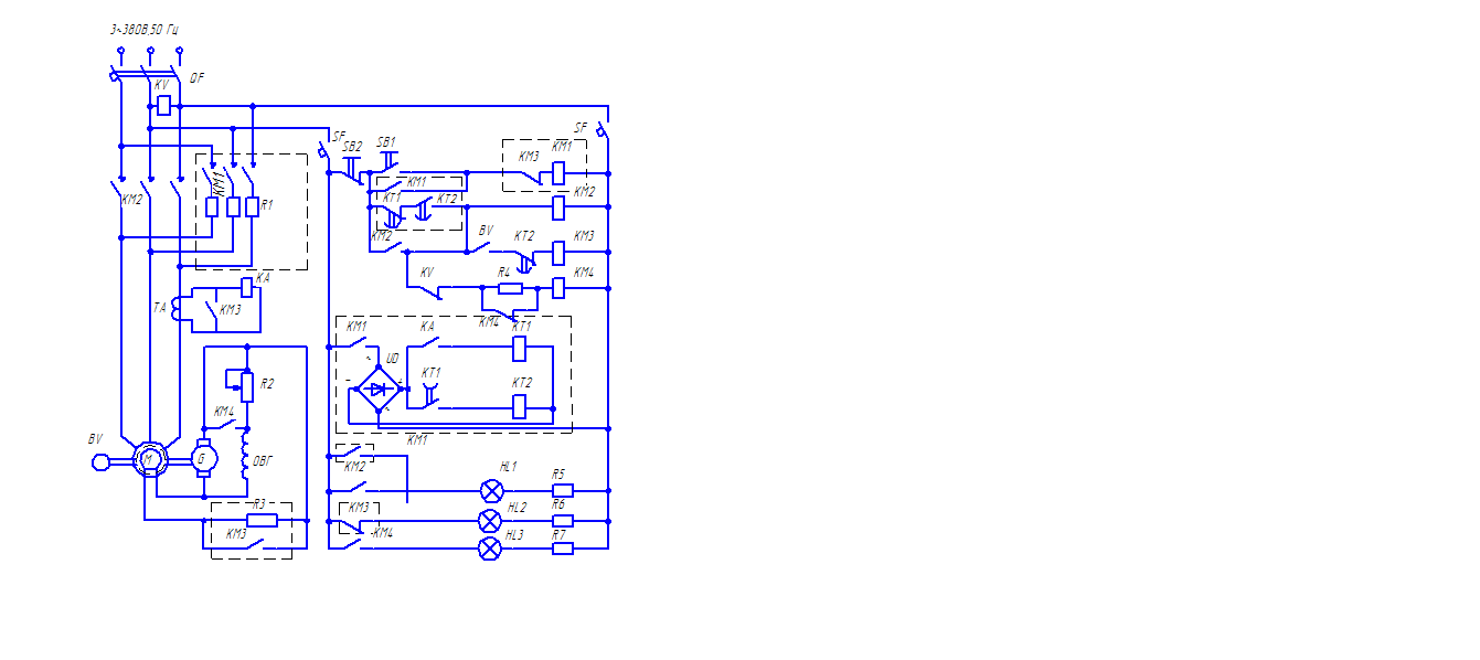
Уважаемые люди,прошу помочь мне с советом.Мне было задано преподавателем,произвести точечную модификацию схемы автоматического управления синхронным двигателем.Поставил датчик скорости в итоге .При достижении двигателем 5% зоны втягивания в синхронизм ,датчик скорости подает сигнал и замыкается контакт,что дает втягиваться в синхронизм.Так вот мне нужно написать неисправности возможные датчика скорости именно для данной схемы.Думаю что возможны такие неисправности:1)разрешение на включение не даёт при достижении нужной частоты вращения.2)Разрешение на втягивание даёт раньше времени.Подскажите пожалуйста какие могут быть причины неисправности для обоих случаев и способы решения неисправности.Заранее спасибо)
схема.png
Реклама

  • Реклама

Вернуться в «Контакторы, пускатели, реле, датчики, кнопки и т.п.»

Кто сейчас на конференции

Сейчас этот форум просматривают: нет зарегистрированных пользователей и 9 гостей