elalex писал(а):Источник цитаты Вы настолько богатый человек, что для полного счастья Вам не хватает только светодиодов общего освещения и централизованого выключателя света? Вы хорошо представляете, сколько и каких светодиодов будет нужно для создания нормальной освещенности? Все составляющие надежного и безопасного электроснабжения у Вас уже есть?
ПАВ писал(а):Источник цитаты Не забыть решить проблему нормальных балластов для СД, тоже не все просто и за копейки.
ПАВ писал(а):Источник цитаты А реле- архаизм, если обычные, тогда уже твердотельные берите, токи управления ниже, вплоть до управления логикой

fortuns писал(а):Источник цитаты на стадии проектирования
ПАВ писал(а):Источник цитаты балластов
ПАВ писал(а):Источник цитаты Это для домохозяек-
ПАВ писал(а):Источник цитаты кто-то жаргоном пользуется
ПАВ писал(а):Источник цитаты вы таки в курсе
)
)ПАВ писал(а):Источник цитаты вы сами в среде коллег
elalex писал(а):Источник цитатыfortuns писал(а):Источник цитаты на стадии проектирования
Общее питание квартиры - дело гораздо важнее, чем ее дизайн. Другими словами, сначала достаточные деньги должны выделяться на силовую электрику (автоматы, розетки, кабели), а только потом - на дизайнерские изыски. И вообще дизайнеры - одни из врагов других мастеров, в том числе и электриков.
Так что дело хозяйское, о чем нас спрашивать, но было бы важнее посмотреть проект электроснабжения квартиры. По опыту рассматривания других проектов ручаюсь, что найду в нем тяжелые ошибки.

fortuns писал(а):Источник цитаты продумываю освещение в своей квартире
fortuns писал(а):Источник цитаты В данном случае заказчик
.GeraldVex писал(а):Источник цитаты провода

Alex123 писал(а):Источник цитаты Здравствуйте, Всем! Прошу помочь, кто чем сможет, в смысле идеями.
Воть ... вариант.Alex123 писал(а):Источник цитаты ... Интересны любые варианты...

Восток писал(а):Источник цитатыAlex123 писал(а):Источник цитаты Здравствуйте, Всем! Прошу помочь, кто чем сможет, в смысле идеями.
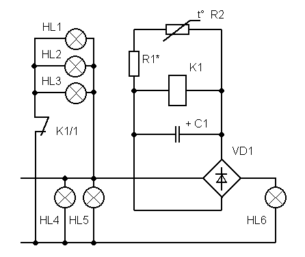
Ну к примеру можно так.
Вернуться в «Освещение и источники света»
Сейчас этот форум просматривают: нет зарегистрированных пользователей и 11 гостей