)
)тата писал(а):Источник цитаты можно завтра или в ближайшие дни, когда сможете))))
ТемТемыч писал(а):Источник цитаты Ваш контроллер выдает сигнал 220 вольт?
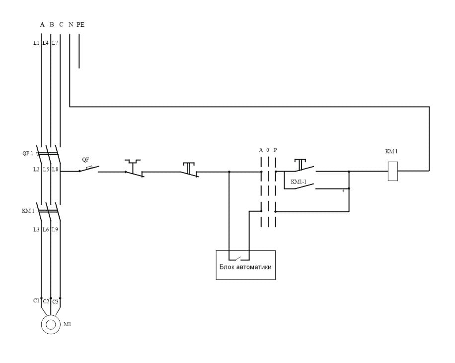
тата писал(а):Источник цитаты а еще дополнительно в моем разделе нужно предусмотреть ручное управление насосами... контакторы после автомата установить - нет проблем... а вот с ручным управлением засада...


Rumato писал(а):Источник цитаты Дожили, проектировщики учатся в интернете как проекты составлять.

Вернуться в «Проектирование внутреннего электроснабжения»
Сейчас этот форум просматривают: нет зарегистрированных пользователей и 12 гостей