Константин писал(а):Источник цитаты еще лучше будет повнимательней быть да и литературу по русскому вспоминать.
Не лучше - нужно знать грамматику и напрягать память. А Punto Switcher позволяет писать расслабленно.
Константин писал(а):Источник цитаты еще лучше будет повнимательней быть да и литературу по русскому вспоминать.
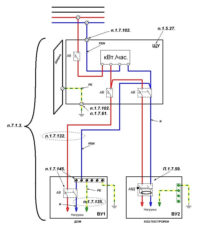
TOPMO3 писал(а):Источник цитаты Изначальная схема, с пунктами ПУЭ.

Какой пункт подтверждает, что цифра "0" - это только N и никак не PEN?Константин писал(а):Источник цитатыТакже нарушаем схему включения прибора учета по паспортным данным. Согласно им к прибору учета должен быть уже присоединен N(0) Но не как не PEN
Не надо противоречить самому себе, если допускается, значит не обязательно ... для чего тогда, в корпусах, предназначены болты (две штуки)? Их для "повторки" как раз и хватает.Константин писал(а):Источник цитатыЕще. Хоть и допускаем использование корпуса как ГЗШ. Он им не является. И для этого согласно НПД 1.7.119 должна быть шина. О чем уже говорили в начале разговора.
Указанный пункт указывает действия при разделении PEN ... на приведенной схеме, в ЩУ, деления нет.Константин писал(а):Источник цитаты... почему пункт 1.7.135 у вас относится только к ВУ1? А к ЩУ нет? Это, что не точка электроустановки из которой у вас и идет распределение электроэнергии?
ТемТемыч писал(а):Источник цитаты Эти болты предназначен для дверей и задних стенок которые в дальнейшем соединены с шиной

TOPMO3 писал(а):Источник цитаты Как электрик ... объясните, что происходит в счетчике, если к нему подключить PEN.
TOPMO3 писал(а):Источник цитаты Какой пункт подтверждает, что цифра "0" - это только N и никак не PEN
TOPMO3 писал(а):Источник цитаты Не надо противоречить самому себе, если допускается
TOPMO3 писал(а):Источник цитаты Указанный пункт указывает действия при разделении PEN ... на приведенной схеме, в ЩУ, деления нет.
Перестаньте пожалуйста тупить ... буква "N" - обозначает слово НЕЙТРАЛЬ ... он присутствует и в проводе "N", и в проводе "PEN". Если бы буржуины хотели конкретно цифру "0", то была бы буква "Z" - от слова ZERO.Константин писал(а):Источник цитатыА как в цифре должен обозначаться ноль (N-ноль) =0. А если есть сомнения, что как называется обозначенное на схеме к прибору учета. То откройте паспорт и прочтите какой проводник к какой клемме должен быть подключен. Там все подробно расписано в соответствии с нормами. И указанно "Ноль".
Какой пункт нарушается?Константин писал(а):Источник цитатыЯ сказал не допускается, а "Допускаем" Это в нашем кругу электромонтеров иногда используется корпус в качестве положенной шины при использовании системы TN-C для одного устройства. Но данные действия являются нарушением НПД для вводно распределительных устройств.
Нет потому, что там нет электроприемников.Константин писал(а):Источник цитатыТак почему его нет? Как должно быть согласно п 7.1.13.
Вы опять про "ноль"? В России под этим словом подразумевается проводник имеющий в своем составе букву N, т.е. нейтраль.Константин писал(а):Источник цитатыЧтобы подключить тот же прибор учета согласно паспортным данным. Или эта электроустановка не ваша собственность, что вы не можете сделать там изменения согласно нормативным документам? Хотя говорили про подключения дома, а не квартиры ,значит ваша собственность.
Спасибо, я тоже догадывалсяТемТемыч писал(а):Источник цитаты Задняя стена не на петлях, а на конусных болтах
... так зачем тогда к ней, тянуть еще заземляющий проводник?TOPMO3 писал(а):Источник цитаты С каких пор, для Вас, бумажки от производителей/продаванов, стали доказательством?
TOPMO3 писал(а):Источник цитаты Перестаньте пожалуйста тупить ... буква "N" - обозначает слово НЕЙТРАЛЬ ... он присутствует и в проводе "N", и в проводе "PEN".
TOPMO3 писал(а):Источник цитаты Какой пункт нарушается?
TOPMO3 писал(а):Источник цитаты Нет потому, что там нет электроприемников.
Или ноль. Я привык называть этот проводник нейтраль. Приелось из Электротехники. Но по ПУЭ он называется N-ноль. Вот выдержка с условными обозначениями из ПУЭTOPMO3 писал(а):Источник цитаты Вы опять про "ноль"? В России под этим словом подразумевается проводник имеющий в своем составе букву N, т.е. нейтраль.
Какие воровайки и причем тут энергосбыт? Прочтите определения для этой системы(ТТ) она применяется там где условия для TN-C-S, TN-S не могут быть выполнены.TOPMO3 писал(а):Источник цитаты Вас послушать, пользующиеся системой ТТ (частники) и жильцы МКД (старой планировки) ..."воровайки", ну или обманщики энергосбытовиков.
TOPMO3 писал(а):Источник цитатыСпасибо, я тоже догадывалсяТемТемыч писал(а):Источник цитаты Задняя стена не на петлях, а на конусных болтах... так зачем тогда к ней, тянуть еще заземляющий проводник?
ТемТемыч писал(а):Источник цитатыЭто разборная часть шкафа на ней есть прокладка , она не приварена , а это значит что при неправильном мантаже есть риск что она отделиться от корпуса и при прикосновении на ней может быть потенциал
1.7.77. Не требуется преднамеренно присоединять к нейтрали источника в системе TN и заземлять в системах IT и ТТ:
1) корпуса электрооборудования ... установленных на металлических основаниях: конструкциях, распределительных устройствах, щитах, шкафах,... присоединенных к нейтрали источника питания или заземленных, при обеспечении надежного электрического контакта этих корпусов с основаниями;
Мне тяжело понять людей, интерпретирующих правила, и выдающих их за единственно правильное.Константин писал(а):Источник цитаты TOPMO3, Если вам все так тяжело дается с выполнениями пунктов НПД, то делайте систему заземления ТТ во всех ваших объектах.

Вернуться в «Заземление и молниезащита»
Сейчас этот форум просматривают: нет зарегистрированных пользователей и 7 гостей