Диалог про разделение PEN

Вопросы, связанные с устройством и монтажом заземления и зануления. Системы заземления и системы уравнивания потенциалов (СУП), молниезащита, грозозащита и т.п.
Аватара пользователя
Roman_tim
Сообщения: 9
Зарегистрирован: 01 июл 2016, 14:50
Репутация: 0
Контактная информация:

Где правильнее разделить PEN-проводник на N (рабочий ноль) и PE (защитный ноль)?

Сообщение Roman_tim » 07 июл 2016, 22:47

Схему подключения 3+1 видел у многих.
А сколько УЗИП 1+2 у ОВО Bettermann стоит? У Дена ценник вообще около 100 000 руб...
Реклама
Аватара пользователя
elalex
Сообщения: 7423
Зарегистрирован: 21 июл 2015, 08:08
Репутация: 591
Откуда: [email protected]
Контактная информация:

Где правильнее разделить PEN-проводник на N (рабочий ноль) и PE (защитный ноль)?

Сообщение elalex » 08 июл 2016, 00:07

Roman_tim писал(а):Источник цитаты сколько УЗИП 1+2 у ОВО Bettermann стоит?

Не знаю. Наверно, дорого. Подумайте о бюджетном варианте ИЭК с раздельными УЗИП.
Одиночный свободный электрик
Опыт ремонтов квартир 20лет
Высшее электрическое образование
Бывший инженер-электрик
Пенсионер
64 года
Пишу для владельцев частного жилья
Запасной E–mail для россиян: [email protected]
Аватара пользователя
Rokoal
Сообщения: 752
Зарегистрирован: 09 ноя 2015, 05:19
Репутация: 71
Откуда: Смоленск-Рудня
Контактная информация:

Диалог про разделение PEN

Сообщение Rokoal » 08 июл 2016, 13:25

Roman_tim писал(а):Источник цитаты Т.е. правильно - это разделить в ящике учета на столбе до вводного автомата и счетчика? И у меня, кстати, 3-х фазное подключение...

Да верно. При трёхфазной тоже самое PEN с линии подключает на шину, к ней же заземляющий проводник с контура у опоры (уголок 3 метра), с этой шины ноль в счётчик и с неё же землю в дом на шину PE. Возле дома сделаете контур заземления и с него проводник на шину PE, это будет TN-C-S. TT будет проще, думаю читали на форуме про отличие систем у каждой свои плюсы и минусы. Так что выбор за вами.
Аватара пользователя
Rokoal
Сообщения: 752
Зарегистрирован: 09 ноя 2015, 05:19
Репутация: 71
Откуда: Смоленск-Рудня
Контактная информация:

Диалог про разделение PEN

Сообщение Rokoal » 08 июл 2016, 13:30

Roman_tim писал(а):Источник цитаты При вводе 5-ти жильного кабеля в дом установить на него УЗИП (тип 1+2+3)

Не советую устанавливать УЗИП на фасаде дома или в самом доме. Сделайте это на опоре в ЩУ, если не дай бог их разорвет от молнии (если это вообще случится) загоритесь.
Аватара пользователя
Rokoal
Сообщения: 752
Зарегистрирован: 09 ноя 2015, 05:19
Репутация: 71
Откуда: Смоленск-Рудня
Контактная информация:

Диалог про разделение PEN

Сообщение Rokoal » 08 июл 2016, 13:34

Можете установить вот такие УЗИП сверху опоры до ЩУ, но тогда необходимо на опору установить полосу скажем 25 до уголка.
Вложения
img4260_39044.jpg
img4260_39044.jpg (10.33 КБ) 2603 просмотра
Аватара пользователя
TOPMO3
Сообщения: 4181
Зарегистрирован: 29 фев 2016, 10:37
Репутация: 626
Откуда: Ижевск
Контактная информация:

Диалог про разделение PEN

Сообщение TOPMO3 » 08 июл 2016, 19:27

Roman_tim писал(а):Источник цитаты ... Вопрос: все же где правильнее разделить PEN-проводник на N (рабочий ноль) и PE (защитный ноль)?
...
Если верить Вашей схеме (меж опор раздельные провода) ... ни о каком разделении PEN_проводника, не может быть и речи ... только система ТТ.
Смеюсь последний ... тормоз однако!
Аватара пользователя
mastervictor
Сообщения: 4494
Зарегистрирован: 23 июл 2015, 08:50
Репутация: 508
Откуда: Краснодар(почти)
Контактная информация:

Диалог про разделение PEN

Сообщение mastervictor » 08 июл 2016, 20:07

TOPMO3 писал(а):Источник цитаты Если верить Вашей схеме (меж опор раздельные провода) ... ни о каком разделении PEN_проводника, не может быть и речи

Одно дело,если эта ВЛ выполнена А-16,и протяженностью 1,5-2км,и другое дело,если она из АС-50,и длина 500-600м!
Нет ничего невозможного,необходимо две вещи,время и деньги!(Я :hi: )
Я отношусь к людям так,как они относятся ко мне!(Я :hi: )
Аватара пользователя
TOPMO3
Сообщения: 4181
Зарегистрирован: 29 фев 2016, 10:37
Репутация: 626
Откуда: Ижевск
Контактная информация:

Диалог про разделение PEN

Сообщение TOPMO3 » 08 июл 2016, 21:24

mastervictor писал(а):Источник цитаты
TOPMO3 писал(а):Источник цитаты Если верить Вашей схеме (меж опор раздельные провода) ... ни о каком разделении PEN_проводника, не может быть и речи

Одно дело,если эта ВЛ выполнена А-16,и протяженностью 1,5-2км,и другое дело,если она из АС-50,и длина 500-600м!

Я имею в виду, что если на опорах не СИП, а "голый люминь" ... TN-C-S не разрешается.
Смеюсь последний ... тормоз однако!
Аватара пользователя
drklim1972
Сообщения: 10
Зарегистрирован: 26 июл 2016, 10:14
Репутация: 0
Контактная информация:

Диалог про разделение PEN

Сообщение drklim1972 » 26 июл 2016, 10:22

Здравствуйте..
В 2013 году мой частный дом был подключен к 3-х фазной сети. В дом заведены четыре провода, 3 фазных и один PEN. Тип системы заземления в договоре не указан.
У меня вопрос, как разделить PEN на PE и N, и возможно ли подключить АВДТ. Два разных электрика дали две разных схемы разделения и подключения АВДТ,
Третий предположил, что у меня применена система заземления ТТ. Помогите разобраться
Предлагаю два варианта, предложенные электриками (первый вариант вызывает у меня сомнения)
Сообщу сразу, что состояние питающей воздушной линии электропередач (ВЛ) находится в удовлетворительном состоянии, выполнена она изолированными проводами, введена в строй
в 2011 году, счетчик учета находится в ящике на опоре ВЛ повторного заземления не видно, хотя у опоры есть металлическая шина.
Подключение к дому выполнял МРСК Центра - Белгородэнерго в г. Старый Оскол
Если есть другие варианты, буду рад Вашему совету.
С уважением Константин...
Вложения
Новый точечный рисунок.jpg
Аватара пользователя
elalex
Сообщения: 7423
Зарегистрирован: 21 июл 2015, 08:08
Репутация: 591
Откуда: [email protected]
Контактная информация:

Диалог про разделение PEN

Сообщение elalex » 26 июл 2016, 14:37

drklim1972, Зачем Вам TN-C-S?
Одиночный свободный электрик
Опыт ремонтов квартир 20лет
Высшее электрическое образование
Бывший инженер-электрик
Пенсионер
64 года
Пишу для владельцев частного жилья
Запасной E–mail для россиян: [email protected]
Аватара пользователя
drklim1972
Сообщения: 10
Зарегистрирован: 26 июл 2016, 10:14
Репутация: 0
Контактная информация:

Диалог про разделение PEN

Сообщение drklim1972 » 27 июл 2016, 20:30

elalex, А ЧТО ЛУЧШЕ?????
Аватара пользователя
drklim1972
Сообщения: 10
Зарегистрирован: 26 июл 2016, 10:14
Репутация: 0
Контактная информация:

Диалог про разделение PEN

Сообщение drklim1972 » 27 июл 2016, 20:34

elalex, все говорят о электробезопасности, и все советуют TN-C-S...
Вы как специалист, что можете предложить...
Аватара пользователя
mastervictor
Сообщения: 4494
Зарегистрирован: 23 июл 2015, 08:50
Репутация: 508
Откуда: Краснодар(почти)
Контактная информация:

Диалог про разделение PEN

Сообщение mastervictor » 27 июл 2016, 20:39

drklim1972 писал(а):Источник цитаты Вы как специалист, что можете предложить...

Попробую заванговать!ТТ,не?
Нет ничего невозможного,необходимо две вещи,время и деньги!(Я :hi: )
Я отношусь к людям так,как они относятся ко мне!(Я :hi: )
Аватара пользователя
drklim1972
Сообщения: 10
Зарегистрирован: 26 июл 2016, 10:14
Репутация: 0
Контактная информация:

Диалог про разделение PEN

Сообщение drklim1972 » 27 июл 2016, 23:48

mastervictor, в одной из статей о заземлениях прочитал, что "TT применяется в первую очередь там, где условия по электробезопасности в системах TN-C, TN-C-S и TN-S не полностью обеспечены, т.е. систему TT рекомендуется применять при неудовлетворительном состоянии питающей воздушной линии электропередач (ВЛ). С уверенностью могу сказать, что большинство воздушных линий (ВЛ) находятся в неудовлетворительном состоянии, выполнены они неизолированными проводами и большинство из них не имеют повторного заземления на опорах.Также систему заземления TT применяют для защиты людей от поражения электрическим током через токопроводящие (металлические) поверхности временных строений или зданий."
У меня на опорах новая проводка (ВЛ введена в строй в 2011г.), выполнена изолированными проводами, Просто хочу знать, как мне правильно выполнить заземление, и как подключить АВДТ, чтобы он правильно работал. Вот и стал вопрос с разделением PEN
Хотелось бы услышать мнения и возможные схемы распределения трехфазнойсети по нагрузкам и защитам....
Аватара пользователя
elalex
Сообщения: 7423
Зарегистрирован: 21 июл 2015, 08:08
Репутация: 591
Откуда: [email protected]
Контактная информация:

Диалог про разделение PEN

Сообщение elalex » 28 июл 2016, 01:16

drklim1972 писал(а):Источник цитаты А ЧТО ЛУЧШЕ?

Почитайте мои темы:
Сравнение систем заземления TN-C-S и TT частного дома
viewtopic.php?t=556

Система заземления ТТ
viewtopic.php?t=41

Об опасности системы заземления TN-C-S, c точки зрения elalex
viewtopic.php?t=595


drklim1972 писал(а):Источник цитаты все

Например, кто?


drklim1972 писал(а):Источник цитаты в одной из статей о заземлениях прочитал

Прочитайте еще десяток статей, с учетом авторитетности их авторов.


drklim1972 писал(а):Источник цитаты как мне правильно выполнить заземление

Если правила идиотские, будете их выполнять?


drklim1972 писал(а):Источник цитаты как подключить АВДТ

drklim1972 писал(а):Источник цитаты возможные схемы распределения трехфазной сети по нагрузкам и защитам

Это запросто. Сначала рисуйте свой вариант.
Одиночный свободный электрик
Опыт ремонтов квартир 20лет
Высшее электрическое образование
Бывший инженер-электрик
Пенсионер
64 года
Пишу для владельцев частного жилья
Запасной E–mail для россиян: [email protected]
Аватара пользователя
drklim1972
Сообщения: 10
Зарегистрирован: 26 июл 2016, 10:14
Репутация: 0
Контактная информация:

Диалог про разделение PEN

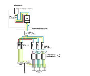
Сообщение drklim1972 » 28 июл 2016, 19:26

elalex, Прочитал Ваши темы, познавательно....
Я так понял что при системе заземления ТТ РЕ живет своей отдельной жизнью
Вот сегодня набросал.. Ваши замечания, предложения. Буду рад любому квалифицированному мнению.
По поводу распределения фаз..это пожалуй лучше рассмотреть в других темах форума
Вложения
Схема 1.jpg
Аватара пользователя
elalex
Сообщения: 7423
Зарегистрирован: 21 июл 2015, 08:08
Репутация: 591
Откуда: [email protected]
Контактная информация:

Диалог про разделение PEN

Сообщение elalex » 29 июл 2016, 00:29

drklim1972,
1.Нужно знать материал щита учета.
2.Пригодность вводного автомата С63 нужно проверить по расчетному току КЗ.
3.Сразу после счетчика - УЗИП класса 1 (В) для системы ТТ.
4.Расстояние от щита учета до распределительного - не менее 10м, подземная кабельная линия.
5. В распредщите:
- сначала УЗИП класса 2 для системы ТТ
- хорошее реле напряжения в каждую фазу, с обвязкой
- никаких АВДТ, только 2-полюсные электромеханические УЗО типа А (у ИЭК - ВД1-63 типа А) 63А 30мА в каждую фазу. Если нет 3-фазных нагрузок - никаких 3-фазных аппаратов.
6.Защитная характеристика автоматов после УЗО - В. Номинал определяется только после измерения петель фаза-ноль групповых линий.
7.Схему рисовать без изгибов линий, 1-линейную, достаточно и 1-цветную.
8.Указать все сечения и нагрузки.
Одиночный свободный электрик
Опыт ремонтов квартир 20лет
Высшее электрическое образование
Бывший инженер-электрик
Пенсионер
64 года
Пишу для владельцев частного жилья
Запасной E–mail для россиян: [email protected]
Аватара пользователя
drklim1972
Сообщения: 10
Зарегистрирован: 26 июл 2016, 10:14
Репутация: 0
Контактная информация:

Диалог про разделение PEN

Сообщение drklim1972 » 30 июл 2016, 08:56

elalex писал(а):Источник цитаты drklim1972,
1.Нужно знать материал щита учета.
2.Пригодность вводного автомата С63 нужно проверить по расчетному току КЗ.
3.Сразу после счетчика - УЗИП класса 1 (В) для системы ТТ.
4.Расстояние от щита учета до распределительного - не менее 10м, подземная кабельная линия.

Щит Пластиковый) собран, опломбировани повешен на столб МРСК, Автомат в щите, как что вводный автомат собирал не я. По поводу УЗИП после счетчика? Как и где его собирать, если кабель заведен в щит. Линия (кабель) уложена в земле в ПВХ трубе...
Если сегодня буду на участке, попробую сфотографировать все..
За схему извиняюсь....рисовал как умею без использования спец. программ
С уважением Константин
Аватара пользователя
Восток
Сообщения: 850
Зарегистрирован: 30 янв 2016, 18:07
Репутация: 429
Контактная информация:

Диалог про разделение PEN

Сообщение Восток » 30 июл 2016, 19:48

drklim1972 писал(а):Источник цитаты Вот сегодня набросал..


На вводе автомат на С63 А
а) Вам РЭС не опломбирует, так как такой автомат ставится на отпущенную мощность почти на 40 кВт.
б) Большое сомнение что у вас на вводе ток КЗ будет равен или больше 630 А

drklim1972 писал(а):Источник цитаты в одной из статей о заземлениях прочитал, что "TT применяется в первую очередь там, где условия по электробезопасности в системах TN-C, TN-C-S и TN-S не полностью обеспечены, т.е. систему TT рекомендуется применять при неудовлетворительном состоянии питающей воздушной линии электропередач (ВЛ).


Это прописано в техническом циркуляре. И применение системы ТТ является как временная мера. При реконструкции ВЛ на ВЛИ ( в данном случаи у вас ваша воздушка ВЛИ ) выполняется система заземления TN-C-S.
Аватара пользователя
elalex
Сообщения: 7423
Зарегистрирован: 21 июл 2015, 08:08
Репутация: 591
Откуда: [email protected]
Контактная информация:

Диалог про разделение PEN

Сообщение elalex » 30 июл 2016, 19:52

drklim1972 писал(а):Источник цитаты вводный автомат собирал не я

Вполне может быть, что Вы не виноваты, а автомат не подходит.


drklim1972 писал(а):Источник цитаты По поводу УЗИП после счетчика? Как и где его собирать, если кабель заведен в щит.

С кабелями после счетчика можете делать, что хотите и сможете. На столбе оголить (из трубы) участок кабеля на распредщит и подключить к нему УЗИП в отдельном пластиковом атмосферостойком щитке на столбе.


drklim1972 писал(а):Источник цитаты За схему извиняюсь....рисовал как умею без использования спец. программ

1.Извиняться имеет смысл за причиненный ущерб.
2.Я рисую в Paint.
Одиночный свободный электрик
Опыт ремонтов квартир 20лет
Высшее электрическое образование
Бывший инженер-электрик
Пенсионер
64 года
Пишу для владельцев частного жилья
Запасной E–mail для россиян: [email protected]


  • Реклама

Вернуться в «Заземление и молниезащита»

Кто сейчас на конференции

Сейчас этот форум просматривают: нет зарегистрированных пользователей и 12 гостей