Не запускается коллекторный двигатель циркулярки JET JTS-10

Выбор, пуск, схемы подключения и соединения обмоток, реверс различных электродвигателей.
Аватара пользователя
vitek
Сообщения: 18
Зарегистрирован: 28 окт 2016, 11:07
Репутация: 1
Контактная информация:

Не запускается коллекторный двигатель циркулярки JET JTS-10

Сообщение vitek » 28 окт 2016, 11:53

Здравствуйте мастера!
Помогите, пожалуйста, не знаю правильно ли запускаю коллекторный двигатель переменного тока 220В.
Двигатель перестал работать. Разобрал: из-за биения (был разбит резиновый вкладыш подшипника, около коллектора) была выработка на ламелях коллектора. Сосед проточил коллектор, прошлифовал очень мелкой шлифшкуркой, немного отполировал пастой ГОИ. Подставил под резиновый вкладыш из медной фольги самодельный вкладыш. Поменял щетки, включил - сильное искрение и горелый запах.

Разобрал, зажал якорь двигателя между двух дрелей: прочистил пилочкой для металла прогар между ламелями коллектора, до зеркального блеска отполировал пастой ГОИ и немного подточил по радиусу новые щетки шлифшкуркой. Включаю: пока держишь нажатой кнопкой- мотор работает. Отпускаю кнопку- двигатель останавливается. Думал- может подгорели контакты пускателя KJD 22: разобрал, снял выгоревшие места очень мелкой шлифшкуркой (уже такое было раньше). Когда собирал- разломался корпус держателя контактов. У меня был новый пускатель KJD 12 (раньше покупал - но поставил старый, шлифанутый). Поставил новый пускатель- та же история: пока держишь нажатой кнопкой- мотор работает.

Подключил двигатель напрямую от сети и через электрический автомат на 16А простой кнопкой включения (без реле). Включил, сначала немного пролетала желтая искра. В деревянных рейках снял четверть 5мм х 13мм, искрение прекратилось (наверное притерлись щетки), теперь только небольшая синяя искра светиться. Горелого запаха нет.

Может кто-то знает, почему через штатный включатель(через реле) не запускается двигатель. И зачем там реле- защита от перегрузки? Думаю, может есть межвитковое замыкание в обмотке якоря, потому и двигатель штатно не запускается... Померял всю цепочку- (2-4) обмотка статора- обмотка якоря- щетки- обмотка статора: 5,4 ом.
Как думаете- можна потихоньку, без больших нагрузок еще поработать? Когда надо будет менять якорь двигателя?
Вложения
IMG_0016 - копия.JPG
JTS-10 cxema.JPG
Реклама
Аватара пользователя
elalex
Сообщения: 7423
Зарегистрирован: 21 июл 2015, 08:08
Репутация: 591
Откуда: [email protected]
Контактная информация:

Не запускается коллекторный двигатель циркулярки JET JTS-10

Сообщение elalex » 28 окт 2016, 12:02

vitek писал(а):Источник цитаты зачем там реле- защита от перегрузки?

Да.


vitek писал(а):Источник цитаты можна потихоньку

Можно. Контролируйте температуру корпуса. Я при сильной работе в жару применяю наружное и внутреннее водяное охлаждение из пульверизатора. Дело опасное, нужно питание через УЗО.
Одиночный свободный электрик
Опыт ремонтов квартир 20лет
Высшее электрическое образование
Бывший инженер-электрик
Пенсионер
64 года
Пишу для владельцев частного жилья
Запасной E–mail для россиян: [email protected]
Аватара пользователя
vitek
Сообщения: 18
Зарегистрирован: 28 окт 2016, 11:07
Репутация: 1
Контактная информация:

Не запускается коллекторный двигатель циркулярки JET JTS-10

Сообщение vitek » 28 окт 2016, 12:35

elalex, спасибо за быстрый ответ!
А все-таки, почему через штатный включатель (через реле) не запускается двигатель? И когда надо будет менять якорь двигателя? :sorry:
Аватара пользователя
elalex
Сообщения: 7423
Зарегистрирован: 21 июл 2015, 08:08
Репутация: 591
Откуда: [email protected]
Контактная информация:

Не запускается коллекторный двигатель циркулярки JET JTS-10

Сообщение elalex » 28 окт 2016, 12:54

vitek писал(а):Источник цитаты почему через штатный включатель (через реле) не запускается двигатель

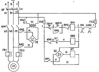
1.Схема нарисована по-дурному - вроде как контакты кнопки и реле механически связаны. А может, так и есть. Я так понял, контактор при пуске всего лишь размыкает какую-то цепь.
2.Кнопка с блокировкой во включенном состоянии? С самого начала как было - нажал, отпустил, кнопка отпала, но циркулярка работала? Или кнопка западала во включенном состоянии? Теперь западает или нет?


vitek писал(а):Источник цитаты когда надо будет менять якорь двигателя?

Когда старый нельзя будет (или не стОит) ремонтировать. СтОит ремонтировать, когда ремонт старого дешевле половины нового. А если новый больше половины стоимости новой циркулярки, то заменить всю циркулярку.
Одиночный свободный электрик
Опыт ремонтов квартир 20лет
Высшее электрическое образование
Бывший инженер-электрик
Пенсионер
64 года
Пишу для владельцев частного жилья
Запасной E–mail для россиян: [email protected]
ПАВ
Сообщения: 7647
Зарегистрирован: 13 авг 2015, 19:54
Репутация: 923
Откуда: Одесса
Контактная информация:

Не запускается коллекторный двигатель циркулярки JET JTS-10

Сообщение ПАВ » 28 окт 2016, 13:04

Наша светлость помешана на УЗО, даже там, где инструмент имеет двойную физическую защиту и в большем не нуждается.
Схема нарисовано по-умному, другое дело- бывшие спецы по приводам этого не знают.


vitek , вы привели полезную схему, на ней четко видна группа контактов 5-6, служащая для динамического торможения якоря, что нормально для нормального инструмента, известно это лет 20 у нас, у НИХ- больше. И не только в инструменте. Она размыкается при нажатии раньше других и замыкает накоротко обмотки после отпускания позже других.
В жизни все не так, как на самом деле...
Аватара пользователя
elalex
Сообщения: 7423
Зарегистрирован: 21 июл 2015, 08:08
Репутация: 591
Откуда: [email protected]
Контактная информация:

Не запускается коллекторный двигатель циркулярки JET JTS-10

Сообщение elalex » 28 окт 2016, 13:17

ПАВ писал(а):Источник цитаты динамического торможения

Приводчики под этим понимают совсем другое:
https://ru.wikipedia.org/wiki/%D0%94%D0 ... 0%B8%D0%B5

Схема выглядит примерно так (Вложение)

Торможение путем замыкания, да еще на внутреннюю катушку мотора - вещь неизвестная. Подозреваю, что это пусковая обмотка.
Вложения
Динамическое торможение асинхронного электропривода.jpg
Последний раз редактировалось elalex 28 окт 2016, 13:29, всего редактировалось 2 раза.
Одиночный свободный электрик
Опыт ремонтов квартир 20лет
Высшее электрическое образование
Бывший инженер-электрик
Пенсионер
64 года
Пишу для владельцев частного жилья
Запасной E–mail для россиян: [email protected]
ПАВ
Сообщения: 7647
Зарегистрирован: 13 авг 2015, 19:54
Репутация: 923
Откуда: Одесса
Контактная информация:

Не запускается коллекторный двигатель циркулярки JET JTS-10

Сообщение ПАВ » 28 окт 2016, 13:23

И кому нужно это "индейское народное творчество"? Разговор о трех- или однофазном моторе, напомню- коллекторном?
В жизни все не так, как на самом деле...
Аватара пользователя
elalex
Сообщения: 7423
Зарегистрирован: 21 июл 2015, 08:08
Репутация: 591
Откуда: [email protected]
Контактная информация:

Не запускается коллекторный двигатель циркулярки JET JTS-10

Сообщение elalex » 28 окт 2016, 13:30

ПАВ писал(а):Источник цитаты кому нужно это "индейское народное творчество"?

Нужно мне, чтобы показать Вам, как выглядит динамическое торможение.


ПАВ писал(а):Источник цитаты замыкает накоротко обмотки

Замыкает, но не накоротко.
Одиночный свободный электрик
Опыт ремонтов квартир 20лет
Высшее электрическое образование
Бывший инженер-электрик
Пенсионер
64 года
Пишу для владельцев частного жилья
Запасной E–mail для россиян: [email protected]
ПАВ
Сообщения: 7647
Зарегистрирован: 13 авг 2015, 19:54
Репутация: 923
Откуда: Одесса
Контактная информация:

Не запускается коллекторный двигатель циркулярки JET JTS-10

Сообщение ПАВ » 28 окт 2016, 13:39

elalex писал(а):Источник цитаты Нужно мне, чтобы показать Вам, как выглядит динамическое торможение.


Это торможение на токарном станке я изучил лет сорок назад, после того, как недоэлектрик удалил лишнее- селеновый выпрямитель и трансформатор.
Точно- надлинно- забыл написать про сопротивление контактов, проводников и обмоток, ай-яй-яй... :blush:
В жизни все не так, как на самом деле...
Аватара пользователя
vitek
Сообщения: 18
Зарегистрирован: 28 окт 2016, 11:07
Репутация: 1
Контактная информация:

Не запускается коллекторный двигатель циркулярки JET JTS-10

Сообщение vitek » 28 окт 2016, 14:07

elalex писал(а):Источник цитаты 1.Схема нарисована по-дурному - вроде как контакты кнопки и реле механически связаны. А может, так и есть. Я так понял, контактор при пуске всего лишь размыкает какую-то цепь.
2.Кнопка с блокировкой во включенном состоянии? С самого начала как было - нажал, отпустил, кнопка отпала, но циркулярка работала? Или кнопка западала во включенном состоянии? Теперь западает или нет?


Контакты кнопки и реле механически связаны. Контактор при пуске размыкает цепь торможения и замыкает цепь реле и цепь питания статора и якоря двигателя.
С самого начала так и было - нажал, отпустил, кнопка отпала, но циркулярка работала. А теперь я кнопку вообще отключил и снял .
Подключил двигатель напрямую от сети через электрический автомат на 16А простой кнопкой включения (без реле).
Я еще не написал, что при подключенной штатной кнопки включения , при отключении двигателя, было сильное искрение из-за наличия тормозной обмотки (говорят, что так и должно быть).
ПАВ
Сообщения: 7647
Зарегистрирован: 13 авг 2015, 19:54
Репутация: 923
Откуда: Одесса
Контактная информация:

Не запускается коллекторный двигатель циркулярки JET JTS-10

Сообщение ПАВ » 28 окт 2016, 14:35

Кнопка плавный пуск обеспечивала? Теперь его нет? Впрочем, вам виднее- при аварийном режиме успеете отключить АВ?
В жизни все не так, как на самом деле...
Аватара пользователя
vitek
Сообщения: 18
Зарегистрирован: 28 окт 2016, 11:07
Репутация: 1
Контактная информация:

Не запускается коллекторный двигатель циркулярки JET JTS-10

Сообщение vitek » 28 окт 2016, 15:24

Да нет нету плавного пуска... Вот так подключение выглядит в жизни:
Вложения
IMG_0005 - копия.JPG
IMG_0004 - копия.JPG
IMG_0003 - копия.JPG
Аватара пользователя
elalex
Сообщения: 7423
Зарегистрирован: 21 июл 2015, 08:08
Репутация: 591
Откуда: [email protected]
Контактная информация:

Не запускается коллекторный двигатель циркулярки JET JTS-10

Сообщение elalex » 28 окт 2016, 20:26

ПАВ писал(а):Источник цитаты Это торможение на токарном станке я изучил лет сорок назад

Нахрена тогда было пиз.еть про якобы "динамическое торможение"?


vitek писал(а):Источник цитаты Контакты кнопки и реле механически связаны.

Я так и чувствовал. Мудреный механизм.


vitek писал(а):Источник цитаты без реле

А как же его контакт?


vitek писал(а):Источник цитаты говорят, что так и должно быть

Я сильно сомневаюсь.


vitek писал(а):Источник цитаты автомат на 16А

Чтобы этот автомат смог защитить, нужно очень правильно его подбирать по номиналу и характеристике. Для этого существуют специальные регулируемые автоматы защиты двигателей.
Предполагаю, Ваш автомат не защитит мотор ни от чего.


vitek писал(а):Источник цитаты Вот так подключение выглядит в жизни

Клавишный выключатель - игрушка.
Одиночный свободный электрик
Опыт ремонтов квартир 20лет
Высшее электрическое образование
Бывший инженер-электрик
Пенсионер
64 года
Пишу для владельцев частного жилья
Запасной E–mail для россиян: [email protected]
Аватара пользователя
vitek
Сообщения: 18
Зарегистрирован: 28 окт 2016, 11:07
Репутация: 1
Контактная информация:

Не запускается коллекторный двигатель циркулярки JET JTS-10

Сообщение vitek » 28 окт 2016, 22:07

elalex писал(а):Источник цитаты Клавишный выключатель - игрушка.


А как запустить двигатель, если штатный включатель не запускает? :ok:
Аватара пользователя
elalex
Сообщения: 7423
Зарегистрирован: 21 июл 2015, 08:08
Репутация: 591
Откуда: [email protected]
Контактная информация:

Не запускается коллекторный двигатель циркулярки JET JTS-10

Сообщение elalex » 28 окт 2016, 22:37

vitek писал(а):Источник цитаты как запустить двигатель

Во всяком случае, не игрушечным выключателем, а чем-то более серьезным. Игрушечный просто сгорит.
Одиночный свободный электрик
Опыт ремонтов квартир 20лет
Высшее электрическое образование
Бывший инженер-электрик
Пенсионер
64 года
Пишу для владельцев частного жилья
Запасной E–mail для россиян: [email protected]
Аватара пользователя
vitek
Сообщения: 18
Зарегистрирован: 28 окт 2016, 11:07
Репутация: 1
Контактная информация:

Не запускается коллекторный двигатель циркулярки JET JTS-10

Сообщение vitek » 29 окт 2016, 08:49

elalex писал(а):Источник цитаты Игрушечный просто сгорит.

Я не знаю чем запускать...
Может магнитным пускателем для трех-фазных двигателей? Использовать цепь одной фазы.
Или, например, у мня еще у старого лобзика Фиолент сгорела кнопка включения. Так купить любую кнопку для любого лобзика на 16А и через нее запускать и циркулярку и лобзик :blush:
ПАВ
Сообщения: 7647
Зарегистрирован: 13 авг 2015, 19:54
Репутация: 923
Откуда: Одесса
Контактная информация:

Не запускается коллекторный двигатель циркулярки JET JTS-10

Сообщение ПАВ » 29 окт 2016, 09:11

Та кнопка идет с регулятором. Или вы о простой? И опять лепить вот так, как на картинке? Смущает торможение, ну так оставьте родную, с защитой, но без подключения на тормозящие контакты. Но выбег останется. Разница с и без тормоза в работе существенная.
ПыСы- или проворонил, или не написали- мощность мотора какая?
В жизни все не так, как на самом деле...
Аватара пользователя
TOPMO3
Сообщения: 4181
Зарегистрирован: 29 фев 2016, 10:37
Репутация: 626
Откуда: Ижевск
Контактная информация:

Не запускается коллекторный двигатель циркулярки JET JTS-10

Сообщение TOPMO3 » 29 окт 2016, 09:57

vitek писал(а):Источник цитатыЯ не знаю чем запускать...
Почему не заказываете штатный включатель KJD22?
Может магнитным пускателем для трех-фазных двигателей? Использовать цепь одной фазы.
Можно ... с таким пускателем всё будет работать штатно. :ok:
Или, например, у мня еще у старого лобзика Фиолент сгорела кнопка включения. Так купить любую кнопку для любого лобзика на 16А и через нее запускать и циркулярку и лобзик :blush:
Это уже "колхоз" ... :negative:
Смеюсь последний ... тормоз однако!
Аватара пользователя
TOPMO3
Сообщения: 4181
Зарегистрирован: 29 фев 2016, 10:37
Репутация: 626
Откуда: Ижевск
Контактная информация:

Не запускается коллекторный двигатель циркулярки JET JTS-10

Сообщение TOPMO3 » 29 окт 2016, 10:27

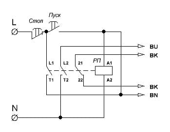
Включатель/пускатель KJD22
Состав:
1. Термопредохранитель (надо взводить после отработки)
2. Кнопка "пуск" (зеленая) с контактами: две пары НО и одна пара НЗ
3. Удерживающая катушка
4. Кнопка "стоп" (кгасная)
5.Конденсатор (сетевой фильтр)
Раз у автора двигатель включался при нажатии, и выключался при отпускании кнопки ... сгорела катушка пускателя или неисправны цепи её питания ... больше причин нет.
Вот Вам схема на контакторе ...
0.jpg
0.jpg (13.21 КБ) 9020 просмотров

Вот примерно так они выглядят в магазине ... внутри коробочки пускатель ...
1.jpg

При покупке удостовериться, что катушка на 220В и дополнительные контакты НЗ, т.е. нормально замкнутые - обозначаются 21(NC) и 22(NC) ... а не 13 (NO) и 14(NO).
Последний раз редактировалось TOPMO3 29 окт 2016, 11:08, всего редактировалось 3 раза.
Смеюсь последний ... тормоз однако!
Аватара пользователя
vitek
Сообщения: 18
Зарегистрирован: 28 окт 2016, 11:07
Репутация: 1
Контактная информация:

Не запускается коллекторный двигатель циркулярки JET JTS-10

Сообщение vitek » 29 окт 2016, 10:47

TOPMO3 писал(а):Источник цитаты Почему не заказываете штатный включатель KJD22?

Заказывал штатный включатель KJD22, но прислали KJD12. У нового включателя KJD12 нет двух клемм контактов тормозного реле. В KJD22 - шесть клемм, а в KJD12 - четыре.

ПАВ писал(а):Источник цитаты мощность мотора какая?

1500 Вт

TOPMO3 писал(а):Источник цитаты Это уже "колхоз" ... :negative:

Тут я протупил - мощность лобзика 450Вт, а циркулярки - 1500 Вт. Не соответствие...

ПАВ писал(а):Источник цитаты Та кнопка идет с регулятором. Или вы о простой? И опять лепить вот так, как на картинке? Смущает торможение, ну так оставьте родную, с защитой, но без подключения на тормозящие контакты. Но выбег останется. Разница с и без тормоза в работе существенная.

На фото кнопка простая, без регулятора оборотов и уже при выключении двигателя искрит...
А торможение двигуна без подключения тормозной обмотки не долгое. Может из-за того, что подшипник якоря у редуктора немного туговато крутиться. Он закрытый и я НЕ знаю как туда набить тугоплавкой смазки. А я только сверху по заглушке подшипника с двух сторон смазал жидким моторным маслом... И на якоре (на фото) прокручивается пропеллер охлаждения(: Я под его обойму подложил две полоски медной фольги- но он все равно, не туго сидит на валу якоря и когда уже якорь остановится, то пропеллер еще немного крутится со скрежетом на якоре:( Может место стыка пропеллера и якоря обезжирить и залить эпоксидкой, что-бы он при вращении якоря не болтался?


  • Реклама

Вернуться в «Электродвигатели переменного и постоянного тока»

Кто сейчас на конференции

Сейчас этот форум просматривают: нет зарегистрированных пользователей и 15 гостей