Как подключить электродвигатель ДАСМ-1-У5

Выбор, пуск, схемы подключения и соединения обмоток, реверс различных электродвигателей.
Аватара пользователя
andreyoxr
Сообщения: 6
Зарегистрирован: 29 окт 2016, 23:08
Репутация: 0
Контактная информация:

Как подключить электродвигатель ДАСМ-1-У5

Сообщение andreyoxr » 29 окт 2016, 23:38

Всем доброго времени! Подскажите, если кто знает,как подключить двухскоростной электродвигатель ДАСМ-1-У5. На одну скорость выходит 6 проводов и на вторую скорость выходит 6 проводов. Объясните пожалуйста как подключить хоть одну скорость? Я понимаю, что вторая будет подключаться точно так же.Подключить нужно к сети 220v.

CameraZOOM-20161025130703662.jpg
1.JPG
Реклама
Аватара пользователя
elalex
Сообщения: 7423
Зарегистрирован: 21 июл 2015, 08:08
Репутация: 591
Откуда: [email protected]
Контактная информация:

Как подключить электродвигатель ДАСМ-1-У5

Сообщение elalex » 30 окт 2016, 06:12

Одиночный свободный электрик
Опыт ремонтов квартир 20лет
Высшее электрическое образование
Бывший инженер-электрик
Пенсионер
64 года
Пишу для владельцев частного жилья
Запасной E–mail для россиян: [email protected]
Аватара пользователя
andreyoxr
Сообщения: 6
Зарегистрирован: 29 окт 2016, 23:08
Репутация: 0
Контактная информация:

Как подключить электродвигатель ДАСМ-1-У5

Сообщение andreyoxr » 30 окт 2016, 06:31

Вот именно, что поиск по этому электродвигателю только эту информацию и выдает. Извините, но особых знаний по эл. двигателям у меня нет. Я уже думал над этой схемой, если я правильно понял, то нужно соеденить С1-1С1, С2-1С2, С3-1С3 и дальше как обычный через конденсатор. Подскажите еще пожалуйста конденсатор должен быть в пределах 28 мкф и подойдет ли он на две скорости ?
Аватара пользователя
elalex
Сообщения: 7423
Зарегистрирован: 21 июл 2015, 08:08
Репутация: 591
Откуда: [email protected]
Контактная информация:

Как подключить электродвигатель ДАСМ-1-У5

Сообщение elalex » 30 окт 2016, 07:06

1.Если ничего другого нет, придется довольствоваться только этим.
2.Скорость (С1,С2,С3,0) - простое соединение звездой. Есть типичная схема подключения такого мотора и расчета конденсатора.
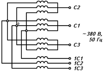
3.В схеме что-то неправильно. Если включить (1С1,1С2,1С3), то катушка между выводом 1С3 и точкой 0 оказывается изолированной от остальных (Вложение). Догадываться, как должно быть - наверно, глупо. Я не знаком со схемами многоскоростных моторов. Может, кто знает их лучше. Там есть какие-то схемы "двойная звезда"
4.Наверно, пока стоит использовать только скорость (С1,С2,С3,0).
Вложения
ДАСМ.png
Одиночный свободный электрик
Опыт ремонтов квартир 20лет
Высшее электрическое образование
Бывший инженер-электрик
Пенсионер
64 года
Пишу для владельцев частного жилья
Запасной E–mail для россиян: [email protected]
Аватара пользователя
andreyoxr
Сообщения: 6
Зарегистрирован: 29 окт 2016, 23:08
Репутация: 0
Контактная информация:

Как подключить электродвигатель ДАСМ-1-У5

Сообщение andreyoxr » 30 окт 2016, 07:43

Так вот и понять не могу, получается что вся эта схема и есть схема одной скорости, так как с двигателя выходит 12 проводов. Я так понимаю 6 на одну скорость и 6 на другую скорость? Или 6 проводов при подключении 220v .а 6 проводов при подключении 380v ?
Аватара пользователя
elalex
Сообщения: 7423
Зарегистрирован: 21 июл 2015, 08:08
Репутация: 591
Откуда: [email protected]
Контактная информация:

Как подключить электродвигатель ДАСМ-1-У5

Сообщение elalex » 30 окт 2016, 08:58

По фото видно, что на клеммнике собраны 2 звезды - нижний ряд имеет перемычки, соединены по 3 вывода. Тогда получается, что приведенная выше схема неправильная.
На всякий случай нарисуйте картинку выводов с маркировкой, и померяйте сопротивления между выводами.
Одиночный свободный электрик
Опыт ремонтов квартир 20лет
Высшее электрическое образование
Бывший инженер-электрик
Пенсионер
64 года
Пишу для владельцев частного жилья
Запасной E–mail для россиян: [email protected]
Аватара пользователя
TOPMO3
Сообщения: 4181
Зарегистрирован: 29 фев 2016, 10:37
Репутация: 626
Откуда: Ижевск
Контактная информация:

Как подключить электродвигатель ДАСМ-1-У5

Сообщение TOPMO3 » 30 окт 2016, 19:40

Я вот чо только нашел ...
0.jpg

... что это значит ... независимые обмотки?
Смеюсь последний ... тормоз однако!
ПАВ
Сообщения: 7647
Зарегистрирован: 13 авг 2015, 19:54
Репутация: 923
Откуда: Одесса
Контактная информация:

Как подключить электродвигатель ДАСМ-1-У5

Сообщение ПАВ » 30 окт 2016, 19:45

Что они при намотке не связаны, только потом, при включении, я тАк думаю. Ведь есть моторы, у которых и отводы есть.
В жизни все не так, как на самом деле...
Аватара пользователя
andreyoxr
Сообщения: 6
Зарегистрирован: 29 окт 2016, 23:08
Репутация: 0
Контактная информация:

Как подключить электродвигатель ДАСМ-1-У5

Сообщение andreyoxr » 04 ноя 2016, 18:14

elalex писал(а):Источник цитаты По фото видно, что на клеммнике собраны 2 звезды - нижний ряд имеет перемычки, соединены по 3 вывода. Тогда получается, что приведенная выше схема неправильная.
На всякий случай нарисуйте картинку выводов с маркировкой, и померяйте сопротивления между выводами.

C1 C2 C3 х 1C1 1C2 1C3
C4--C5--C6 х 1C4--1C5--1C6
Между С- 30 Ом, между 1С- 80 Ом
Что то я уже совсем запутался.
И как понять- Электрическая принципиальная схема включения двигателя:
1С1, 1С2, 1С3, С1, С2, С3 - выводы m
Аватара пользователя
elalex
Сообщения: 7423
Зарегистрирован: 21 июл 2015, 08:08
Репутация: 591
Откуда: [email protected]
Контактная информация:

Как подключить электродвигатель ДАСМ-1-У5

Сообщение elalex » 05 ноя 2016, 01:12

andreyoxr писал(а):Источник цитаты И как понять- Электрическая принципиальная схема включения двигателя:
1С1, 1С2, 1С3, С1, С2, С3 - выводы m

Не понял вопроса.
Одиночный свободный электрик
Опыт ремонтов квартир 20лет
Высшее электрическое образование
Бывший инженер-электрик
Пенсионер
64 года
Пишу для владельцев частного жилья
Запасной E–mail для россиян: [email protected]
Аватара пользователя
andreyoxr
Сообщения: 6
Зарегистрирован: 29 окт 2016, 23:08
Репутация: 0
Контактная информация:

Как подключить электродвигатель ДАСМ-1-У5

Сообщение andreyoxr » 05 ноя 2016, 06:14

Как понять выводы m? В одном месте прочитал,что такая перемычка как у меня ставится при подключении к 380v, а на 220v ставятся 3 перемычки С1-С4, С2-С5, С3-С6. НО в другом месте пишут С2-С4, С3-С5, С1-С6. Где правда?
Аватара пользователя
elalex
Сообщения: 7423
Зарегистрирован: 21 июл 2015, 08:08
Репутация: 591
Откуда: [email protected]
Контактная информация:

Как подключить электродвигатель ДАСМ-1-У5

Сообщение elalex » 05 ноя 2016, 09:18

Одиночный свободный электрик
Опыт ремонтов квартир 20лет
Высшее электрическое образование
Бывший инженер-электрик
Пенсионер
64 года
Пишу для владельцев частного жилья
Запасной E–mail для россиян: [email protected]
Аватара пользователя
andreyoxr
Сообщения: 6
Зарегистрирован: 29 окт 2016, 23:08
Репутация: 0
Контактная информация:

Как подключить электродвигатель ДАСМ-1-У5

Сообщение andreyoxr » 05 ноя 2016, 18:21

Это я читал, лучше скажите, у меня не правильно обмотки подключены на колодке или я ничего не понял?
Аватара пользователя
TOPMO3
Сообщения: 4181
Зарегистрирован: 29 фев 2016, 10:37
Репутация: 626
Откуда: Ижевск
Контактная информация:

Как подключить электродвигатель ДАСМ-1-У5

Сообщение TOPMO3 » 05 ноя 2016, 19:13

andreyoxr писал(а):Источник цитаты Это я читал, лучше скажите, у меня не правильно обмотки подключены на колодке или я ничего не понял?
Мне кажется Вам надо обратиться на http://forum.dvigatel.org/index.php?sid=6ce3a0da7b352e1efe39a12381b3967a
Смеюсь последний ... тормоз однако!


  • Реклама

Вернуться в «Электродвигатели переменного и постоянного тока»

Кто сейчас на конференции

Сейчас этот форум просматривают: нет зарегистрированных пользователей и 6 гостей