TOPMO3 писал(а):Источник цитаты Вас никто не призывал всё полностью переводить на ТN-C-S ... предлагалось, в точке подключения кабеля (для питания новых объектов) делать разделение ... и будет у Вас, в масштабе всего предприятия - смешанная система, а в масштабе новых объектов - ТN-C-S.

)
)
)
)Serega писал(а):Источник цитаты Если с точки зрения ПУЭ добавление еще одной, например, розетки, является реконструкцией или модернизацией
Serega писал(а):Источник цитаты на TN-C-S
Serega писал(а):Источник цитаты или во всех продолжающих питаться по TN-C ЩР-ах и групповых щитках убирать зануление открытых проводящих корпусов всех эл.приемников, так как при авариях с PEN-ом и всех связанных с ним нулей на них (корпуса) придет фаза.
Serega писал(а):Источник цитаты Кстати, что есть (с точки зрения ПУЭ) установка в TN-C УЗО: реконструкция, модернизация или что-то еще ?
Serega писал(а):Источник цитаты просьба не сердиться и ни в коем случае не воспринимать мои слова, как попытку кого-то в чем-то убедить/переубедить. Это просто мое видение данного вопроса на данном этапе своего развития и попытка разобраться в одном из принципиальнейших, как мне кажется, вопросов в электрике,однозначности решения которого как-будто бы и нет.
ант@нио писал(а):Вот к чему Вас приводит Мастервиктор.
но я Вас понял.ант@нио писал(а):У каждого отдельно стоящего корпуса,любого нормального предприятия есть свой контур,независимый от остальных!
Mastervictor, т.е. получается ТТ для отдельно взятой линии, правильно ?mastervictor писал(а):Это и есть "старая машина",с элементами безопасности!
mastervictor писал(а):Похоже меня не услышали!
mastervictor писал(а):Источник цитаты 1. ЗУ найдешь? (на предприятии не вижу проблемы его найти)
2. Делай разделение ПЕН проводника.
3. Получаешь Н и ПЕ на отдельных проводниках.
mastervictor писал(а):Источник цитаты С заземлением на
Serega писал(а):
предприятие
не должно быть проблем!

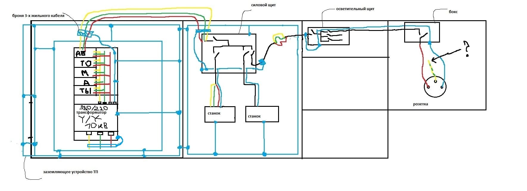
Александр писал(а):Вы хотели картинок
TOPMO3 писал(а):предлагалось, в точке подключения кабеля (для питания новых объектов) делать разделение ... и будет у Вас, в масштабе всего предприятия - смешанная система, а в масштабе новых объектов - ТN-C-S.
Леопольд писал(а):Если не ошибаюсь это возможно только при выполнении некоторых (сложных) условий.
Serega писал(а):Кстати, что есть (с точки зрения ПУЭ) установка в TN-C УЗО: реконструкция, модернизация или что-то еще ?
Константин писал(а):Решение есть. И в вашем случаи оно как меню в ресторане.
Александр писал(а):Источник цитаты Согласно правил всё электрооборудование предприятия должно устанавливаться по проекту и Вам вносить какие-то изменения в проект запрещено. Сначала делаете проект, монтаж( т.е. перевод с TN-C на TN-C-S), измерения и испытания, а потом уже подключаете Ваше оборудование.
С другого форума:
Вопрос вот в чем.Столкнулся с проблемой. При проверке охраной труда и др. организаций говорят, что если здание старой постройки, то сохраняются требования старых ПУЭ и др. нормативных документов
Ответ: Сохраняются старые требования до тех под, пока Вы не внесли изменения в схему электроснабжения и не стали устанавливать новое электрооборудование, для которого требуется наличие РЕ-проводника. Думаю, что от проектируемой электроустановки 1962 года не осталось и следа. Получается, что оборудование меняете, устанавливаете новое, а требования не соблюдаете. Если хотите ничего не менять, то приведите состояние электроустановке к исходному положению по состоянию на 1962 год, в противном случае придётся руководствоваться действующими требованиями НТД.
Serega писал(а):Источник цитаты т.е. получается ТТ для отдельно взятой линии, правильно ?
Serega писал(а):Источник цитаты то, что Вы описали в последнем сообщении, мягко говоря, не совсем очевидно выводится из этого
Serega писал(а):Источник цитаты А первая схема, это иллюстрация чего ?
Serega писал(а):Источник цитаты Точкой подключения новых линий является, как правило, групповой щиток, который запитывается двухжильным (L,N) или четырехжильным (L1, L2, L3, N) кабелем, с сечением жил менее 10 кв.мм. по меди, т.е. там уже не PEN, и, следовательно, ни о каком разделении PEN-проводника на N и PE речи уже быть не может
Serega писал(а):Источник цитаты Для перехода с TN-C на TN-C-S, помимо разделения ( которое тоже не есть просто подсоединение PE-проводника к нулевой шине) , необходимо выполнить еще и ЗУ.
Serega писал(а):Источник цитаты Понимаете, меня в первую очередь интересуют те решения, которые правомерны с точки зрения НТД.
)
)Serega писал(а):Источник цитаты Не совсем понял. Вы имеете в виду, что решений сразу несколько (как блюд в ресторанном меню) ?
Serega писал(а):Источник цитаты Понимаете, меня в первую очередь интересуют те решения, которые правомерны с точки зрения НТД.
Serega писал(а):Источник цитаты Просто трудно поверить, что разработчики ПУЭ не понимали, что от первоначального проекта до реконструкции
Serega писал(а):Источник цитаты и все эти вынужденные изменения окажутся "вне закона" !
Вернуться в «Заземление и молниезащита»
Сейчас этот форум просматривают: нет зарегистрированных пользователей и 12 гостей