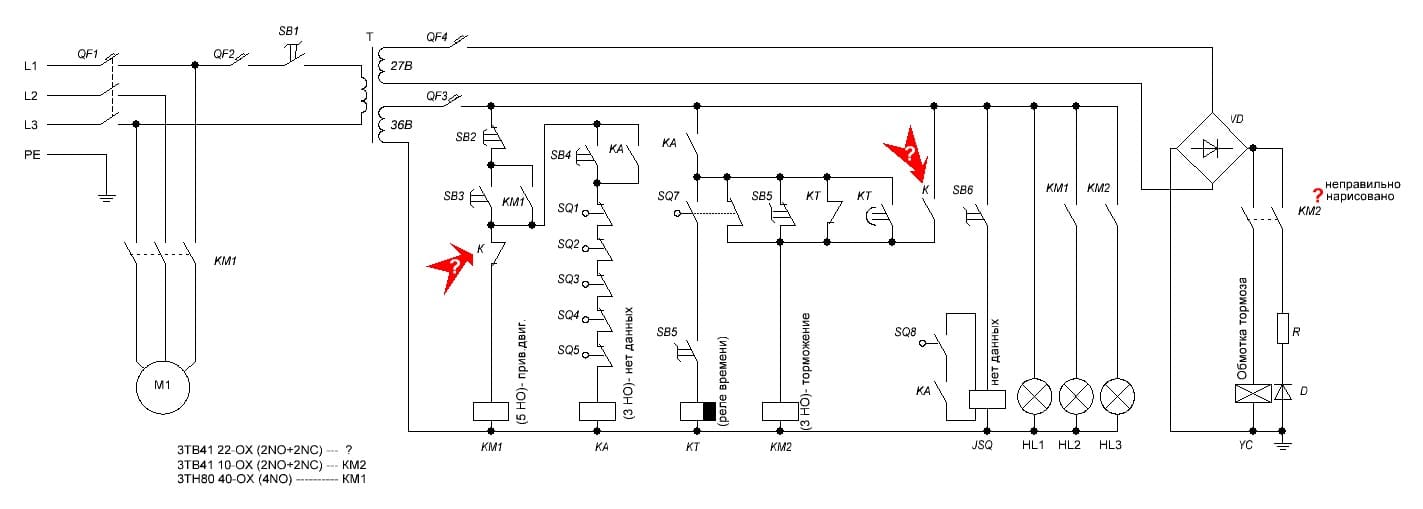
TOPMO3 писал(а):Источник цитаты 1. Стрелками указаны контакты какого то реле, не указанное на схеме ... ясно только, что при его срабатывании отключается привод и включается тормоз ... возможно как аварийный случай;
TOPMO3 писал(а):Источник цитаты 2. Контакты КМ2 нарисованы не верно, должно быть один НО, второй НЗ (в цепи включения тормоза);
TOPMO3 писал(а):Источник цитаты 4. Что за реле JSQ ... не представляю.
Не соглашусь ... какой смысл подключать к плюсу моста цепочку из резистора и диода?Восток писал(а):Источник цитатыTOPMO3 писал(а):Источник цитаты 2. Контакты КМ2 нарисованы не верно, должно быть один НО, второй НЗ (в цепи включения тормоза);
В схеме все верно прорисовано. там оба НО.
А Вам зачем это знать ... они Вам не подходят.egorus писал(а):Источник цитатыКакого хрена спереди одно название написано, сбоку другое? Это 3ZX1012 или 3RT1015?

Свет, клином на них сошелся?egorus писал(а):Источник цитаты Ну вот, Сименс говорит: "не делаем мы катушки на 36 в переменки"
Мал того, что сами не знаете ... так похоже, еще и нас мечтаете запутать.3ZX1012 или 3RT1015. Это написано на одном из контакторов.
Это другое оборудование, немецкое.

Широкий диапазон питающего напряжения управления Us:
Одна катушка способна перекрыть несколько близких друг к другу питающих напряжений управления.
Дополнительно учитывайте рабочий диапазон номинального питающего напряжения управления, в пределах которого
контактор коммутирует надёжно, а катушка не испытывает тепловых перегрузок: от 0,8 x Us (Us min) до 1,1 x Us (Us max) .
Вернуться в «Контакторы, пускатели, реле, датчики, кнопки и т.п.»
Сейчас этот форум просматривают: нет зарегистрированных пользователей и 10 гостей