Схема подключения в квартирном щитке

Проектирование внутреннего электроснабжения квартир, домов, коттеджей и т.п. Нормы, типовые проекты, расчеты, делимся своими проектами.
Аватара пользователя
Леопольд
Сообщения: 2199
Зарегистрирован: 05 янв 2016, 14:35
Репутация: 74
Контактная информация:

Схема подключения в квартирном щитке

Сообщение Леопольд » 14 фев 2017, 20:50

elalex писал(а):Источник цитаты 2–полюсный автомат вредны бесполезной тратой денег.

Категорически не согласен, если речь идет о МКД, где несколько квартир на этаже. Пытался найти свой ноль - отказался от этой затеи из за кучи переплетенных проводов, пришлось вызывать профи, зато был спокоен при манипуляциях с УЗО.
Кандидат в младшие помощники начинающего ученика электрика
Реклама
ПАВ
Сообщения: 7647
Зарегистрирован: 13 авг 2015, 19:54
Репутация: 923
Откуда: Одесса
Контактная информация:

Схема подключения в квартирном щитке

Сообщение ПАВ » 14 фев 2017, 20:55

Это совсем не аргумент отказа от 2-х полюсника!!! Достаточно один раз разобраться, навести порядок и расписать маркером, наклеить бирки.
В жизни все не так, как на самом деле...
Аватара пользователя
Pazan
Сообщения: 19
Зарегистрирован: 10 фев 2017, 10:22
Репутация: 0
Откуда: Оттуда
Контактная информация:

Схема подключения в квартирном щитке

Сообщение Pazan » 14 фев 2017, 21:37

ПАВ писал(а):Источник цитаты такая, как и у счетчика, даже корпуса оба пластиковые. У СЭ есть такая защита?

не понял, о чём речь
Аватара пользователя
Pazan
Сообщения: 19
Зарегистрирован: 10 фев 2017, 10:22
Репутация: 0
Откуда: Оттуда
Контактная информация:

Схема подключения в квартирном щитке

Сообщение Pazan » 14 фев 2017, 21:48

elalex писал(а):Источник цитаты Вводной автомат на лестнце защищает вашу линию до счётчика. Не сможете его поставить какой нужно

установлена советская пробка с предохранителем. пока автомат физически не установили, хотя должны согласно договора
elalex писал(а):Источник цитаты Пломбирует вводные автоматы?

в том случае, если было заявление на увеличение выделенной мощности
elalex писал(а):Источник цитаты 4.Если в Вашей схеме даже не мыслилась селективность, то Вы молодец.

или тут зарыта загадка Вселенной или я не пойму, почему в моей схеме нет минимальной селективности.
elalex писал(а):Источник цитаты 5.2–полюсный автомат и ваттметр вредны бесполезной тратой денег.

деньги уже потрачены, так что возврата нет
elalex писал(а):Источник цитаты 6.Сколько стоит УЗИП ИЭК? Какая проблема его установить?

не интересовался. пользуюсь оборудованием SE
elalex писал(а):Источник цитаты 7.Перестаньте смотреть на сумасшедших и негодяев, не имеющих УЗИП.

так и сделал, поэтому установил.
elalex писал(а):Источник цитаты у ваттметра есть защита от КЗ, он может загореться?

elalex писал(а):Источник цитаты у ваттметра есть защита от КЗ

нет
elalex писал(а):Источник цитаты У Вас есть противопожарная защита щитка?

нет, а какая должна быть?
Аватара пользователя
elalex
Сообщения: 7423
Зарегистрирован: 21 июл 2015, 08:08
Репутация: 591
Откуда: [email protected]
Контактная информация:

Схема подключения в квартирном щитке

Сообщение elalex » 15 фев 2017, 00:41

1.Не встречал случаев контроля квартир. В вашей местности дефицит электроэнергии?
2.Плавкий предохранитель сгорает при 2–кратном номинальном токе, так что он – не ограничитель потребляемой мощности, и 5,5кВт – пустая цифра.
3.Можно поиграть с сетями в кошки–мышки: закоротить пробки и брать, сколько выдержит линия (конечно, со своим вводным автоматом).
Будет хуже, когда вместо пробки поставят автомат, это будет ответственный момент – нужно будет постараться предложить свой с защитной характеристикой D.
4.Когда прочитаете про селективность, поговорим. Пока подумайте, критичная или нет ошибка – не иметь селективности и блуждать в темноте, рискуя разбить голову.
Кстати, селективность, как и беременность, не бывает минимальной – она или есть, или eё нет. Можно говорить лишь о вероятности селективности, но не eё величине.
5.УЗИП ИЭК 2кл. ОПС1–С 1Р стоит 2000руб, имеет размер 1 модуль и ставится на DIN–рейку. Это периодически расходный материал.
6.Купленные негодные аппараты можно пристроить с бОльшей или меньшей материальной или моральной пользой.
Я до сих пор не знаю, что такое Вы там купили. Вполне может оказаться, что лучше выбросить автоматы, но не ставить.
7.В некоторых законодательствах неясно предписывается ставить автоматическое пожаротушение эл.щитов. Частных лиц это не касается, они ничего никому не должны.
Но берeжёные ставят – например, термокабель, весьма недорого.
Одиночный свободный электрик
Опыт ремонтов квартир 20лет
Высшее электрическое образование
Бывший инженер-электрик
Пенсионер
64 года
Пишу для владельцев частного жилья
Запасной E–mail для россиян: [email protected]
Аватара пользователя
Pazan
Сообщения: 19
Зарегистрирован: 10 фев 2017, 10:22
Репутация: 0
Откуда: Оттуда
Контактная информация:

Схема подключения в квартирном щитке

Сообщение Pazan » 15 фев 2017, 18:29

elalex писал(а):Источник цитаты 1.Не встречал случаев контроля квартир. В вашей местности дефицит электроэнергии?

всё дело в деньгах :) каждый киловатт сверх нормы - платный
elalex писал(а):Источник цитаты 2.Плавкий предохранитель сгорает при 2–кратном номинальном токе, так что он – не ограничитель потребляемой мощности, и 5,5кВт – пустая цифра.

при чём здесь предохранитель? написал заявление на увеличение с 2,5 до 5,5. уплатил деньги. жду, пока придут - снимут пробку, поставят автомат.
elalex писал(а):Источник цитаты Будет хуже, когда вместо пробки поставят автомат, это будет ответственный момент – нужно будет постараться предложить свой с защитной характеристикой D.
скорее всего так и будет :biggrin:
elalex писал(а):Источник цитаты селективность, как и беременность, не бывает минимальной – она или есть, или eё нет. Можно говорить лишь о вероятности селективности, но не eё величине.

мы, наверное, говорим о разном. разве отключение сначала линии с розеткой в одной комнате, а потом и всего блока розеток не селективность?
elalex писал(а):Источник цитаты Я до сих пор не знаю, что такое Вы там купили. Вполне может оказаться, что лучше выбросить автоматы, но не ставить.

всё, что куплено - отображено в схеме.
elalex писал(а):Источник цитаты Но берeжёные ставят – например, термокабель, весьма недорого.

разве термокабель не для обгрева?
Аватара пользователя
elalex
Сообщения: 7423
Зарегистрирован: 21 июл 2015, 08:08
Репутация: 591
Откуда: [email protected]
Контактная информация:

Схема подключения в квартирном щитке

Сообщение elalex » 16 фев 2017, 05:06

1.Заявление написали напрасно – можно взять кВт бесплатно.
2.Вашего описания селективности не понял.
У электриков селективность – когда автоматически отключается повреждённый участок сети, а остальная сеть продолжает работать.
3.Что у Вас нарисовано на схеме – мне на телефоне не видно. На днях будет планшет.
Но Вашего желания облегчить понимание и нарисовать нормальную схему не видно. Впечатлениe, что Вам красота схемы важнее её разумности.
4.Есть 2 вида термокабелей – нагревательный и для пожарной сигнализации.
Второй имеет 2 жилы, которые замыкаются при превышении определённой температуры – скажем, 72 град. Ложится поверх всех аппаратов в щите.
Одиночный свободный электрик
Опыт ремонтов квартир 20лет
Высшее электрическое образование
Бывший инженер-электрик
Пенсионер
64 года
Пишу для владельцев частного жилья
Запасной E–mail для россиян: [email protected]
ПАВ
Сообщения: 7647
Зарегистрирован: 13 авг 2015, 19:54
Репутация: 923
Откуда: Одесса
Контактная информация:

Схема подключения в квартирном щитке

Сообщение ПАВ » 16 фев 2017, 09:06

Pazan писал(а):Источник цитаты всё дело в деньгах :) каждый киловатт сверх нормы - платный

Где написано, что отведенные вам Х кВт есть мгновенное значение, а не среднее, или максимальное? Кто и как будет постоянно ваши Х кВт контролировать?
Нетрудно разделить показания СЭ на время работы у вас и убедиться, уверен, что вы и не приближались к предельному значению.
Насчет селективности- считаю, что их должно быть две- и по нагрузке- ступенчатая, и по утечке, и независимые, иначе, применив простой ДА долго придется репу чесать и искать причину- перегруз/КЗ или утечка?
В жизни все не так, как на самом деле...
Аватара пользователя
Pazan
Сообщения: 19
Зарегистрирован: 10 фев 2017, 10:22
Репутация: 0
Откуда: Оттуда
Контактная информация:

Схема подключения в квартирном щитке

Сообщение Pazan » 16 фев 2017, 10:38

elalex писал(а):Источник цитаты 3.Что у Вас нарисовано на схеме – мне на телефоне не видно. На днях будет планшет.

вот тогда и пооворим.
ПАВ писал(а):Источник цитаты Насчет селективности- считаю, что их должно быть две- и по нагрузке- ступенчатая, и по утечке

по нагрузке и КЗ есть. на схеме видно. На утечку планировал дифавтомат только на розетки. от бОльшей учтечки (пожарозащита, если можно так сказать) - общее УЗО
Аватара пользователя
Pazan
Сообщения: 19
Зарегистрирован: 10 фев 2017, 10:22
Репутация: 0
Откуда: Оттуда
Контактная информация:

Схема подключения в квартирном щитке

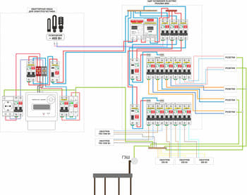
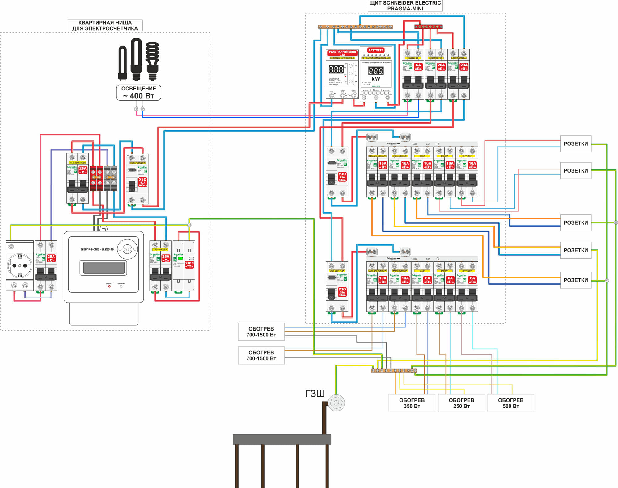
Сообщение Pazan » 28 фев 2017, 11:45

Приветствую,
Немного подкорректировал схему :blush: . Интересует:
1. правильность подбора оборудования по номинальных характеристиках
2. присутствие ошибок или нарушений в подключении

P.S. не обсуждается замена 2-полюсных автоматов на 1-полюсные и необходимость установки ваттметра.
Вложения
Appartment_Wires-RUS_NEW.jpg


  • Реклама

Вернуться в «Проектирование внутреннего электроснабжения»

Кто сейчас на конференции

Сейчас этот форум просматривают: нет зарегистрированных пользователей и 12 гостей