Несколько выключателей для светодиодной ленты

Выбор, замена, установка, монтаж, схемы подключения бытовых и силовых розеток, диммеров, различных типов выключателей (дистанционные, акустические, хлопковые) и т.п.
Аватара пользователя
scropin
Сообщения: 8
Зарегистрирован: 19 мар 2017, 11:20
Репутация: 0
Контактная информация:

Несколько выключателей для светодиодной ленты

Сообщение scropin » 19 мар 2017, 11:49

Добрый день, уважаемые!
Подскажите как подключить несколько выключателей так, чтобы от одного включалась вся цепь подсоединенных led полос (по 5см 7 штук), а от остальных включался каждый отдельный фрагмент (5см + кнопка, 5см + кнопка и т.д)
Блок батареек подключен к "трансформатору", который преобразует в 12в
Реклама
Аватара пользователя
Восток
Сообщения: 850
Зарегистрирован: 30 янв 2016, 18:07
Репутация: 429
Контактная информация:

несколько выключателей

Сообщение Восток » 19 мар 2017, 12:58

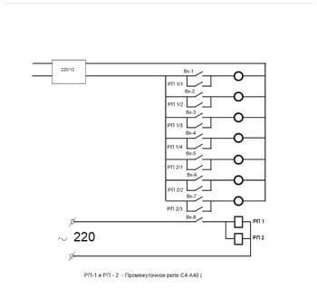
Ну как то так нужно подключать исходя с вашей хотенлки.
Включение.jpg
ПАВ
Сообщения: 7647
Зарегистрирован: 13 авг 2015, 19:54
Репутация: 923
Откуда: Одесса
Контактная информация:

несколько выключателей

Сообщение ПАВ » 19 мар 2017, 13:03

А не проще с 8-ю диодами?
В жизни все не так, как на самом деле...
Аватара пользователя
scropin
Сообщения: 8
Зарегистрирован: 19 мар 2017, 11:20
Репутация: 0
Контактная информация:

несколько выключателей

Сообщение scropin » 19 мар 2017, 14:33

Восток писал(а):Ну как то так нужно подключать исходя с вашей хотенлки.
Включение.jpg

Спасибо, попробую
Аватара пользователя
scropin
Сообщения: 8
Зарегистрирован: 19 мар 2017, 11:20
Репутация: 0
Контактная информация:

несколько выключателей

Сообщение scropin » 19 мар 2017, 14:33

ПАВ писал(а):Источник цитаты А не проще с 8-ю диодами?

не понял
Аватара пользователя
scropin
Сообщения: 8
Зарегистрирован: 19 мар 2017, 11:20
Репутация: 0
Контактная информация:

несколько выключателей

Сообщение scropin » 19 мар 2017, 14:34

Еще такой вопрос, как можно подключить батарейки параллельно-последовательно, чтобы поднять вольтаж до 3х и увеличить емкость в два раза используя 4 батарейки? Возможно такое
ПАВ
Сообщения: 7647
Зарегистрирован: 13 авг 2015, 19:54
Репутация: 923
Откуда: Одесса
Контактная информация:

несколько выключателей

Сообщение ПАВ » 19 мар 2017, 16:06

Все возможно, но писать об этих батарейках и остальном подробно, а не вообще, т.к. с обычными- одно дело, с литиевыми- другое. Что значит-...до трех...- вольт, штук...?
В жизни все не так, как на самом деле...
Аватара пользователя
elalex
Сообщения: 7423
Зарегистрирован: 21 июл 2015, 08:08
Репутация: 591
Откуда: [email protected]
Контактная информация:

Несколько выключателей для светодиодной ленты

Сообщение elalex » 19 мар 2017, 17:28

Какие еще батарейки?
Одиночный свободный электрик
Опыт ремонтов квартир 20лет
Высшее электрическое образование
Бывший инженер-электрик
Пенсионер
64 года
Пишу для владельцев частного жилья
Запасной E–mail для россиян: [email protected]
Аватара пользователя
scropin
Сообщения: 8
Зарегистрирован: 19 мар 2017, 11:20
Репутация: 0
Контактная информация:

Несколько выключателей для светодиодной ленты

Сообщение scropin » 19 мар 2017, 19:01

Более подробно, я подключаю светодиодную ленту от батареек (для ребенка), 3 батарейки дают 4,5 в, припаял к преобразователю с входным вольтажем 2,6, выходное можно установить, установил 12в, (типа такого http://img.mysku-st.ru/uploads/images/o ... 04cc41.jpg) лента горит, горит сутки, хочу дольше, из-за этого вопрос, можно ли параллельно последовательно подключить батарейки или они только параллельно или только последовательно могут быть подключены?
ПАВ
Сообщения: 7647
Зарегистрирован: 13 авг 2015, 19:54
Репутация: 923
Откуда: Одесса
Контактная информация:

Несколько выключателей для светодиодной ленты

Сообщение ПАВ » 19 мар 2017, 19:04

КАКИЕ БАТАРЕЙКИ???
В жизни все не так, как на самом деле...
Аватара пользователя
scropin
Сообщения: 8
Зарегистрирован: 19 мар 2017, 11:20
Репутация: 0
Контактная информация:

Несколько выключателей для светодиодной ленты

Сообщение scropin » 19 мар 2017, 19:14

Батарейки АА, вот так все выглядит http://radikal.ru/big/0uw3cluyejugq
Аватара пользователя
elalex
Сообщения: 7423
Зарегистрирован: 21 июл 2015, 08:08
Репутация: 591
Откуда: [email protected]
Контактная информация:

Несколько выключателей для светодиодной ленты

Сообщение elalex » 19 мар 2017, 19:19

scropin:
1.Для увеличения ёмкости батареи включать элементы параллельно нежелательно.
Они изначально разные, и более сильные подзаряжают более слабые. Я в таком случае каждый элемент включал через диод - тогда взаимных подзарядок нет. Но нужно выбирать диоды с минимальным падением напряжения, а оно меньше 0,5В вроде не бывает, так что из 1,5В элемента будет работать только 1В.
2.В Вашем случае имеет смысл включать элементы последовательно, в сумме - до максимально допустимого входного напряжения. И брать элементы максимальной емкости.
3.Если это стационарно и надолго, поставьте надёжный источник питания светодиодов 12В из 220В, скажем, от Mean Well.
Одиночный свободный электрик
Опыт ремонтов квартир 20лет
Высшее электрическое образование
Бывший инженер-электрик
Пенсионер
64 года
Пишу для владельцев частного жилья
Запасной E–mail для россиян: [email protected]
Аватара пользователя
scropin
Сообщения: 8
Зарегистрирован: 19 мар 2017, 11:20
Репутация: 0
Контактная информация:

Несколько выключателей для светодиодной ленты

Сообщение scropin » 19 мар 2017, 19:30

elalex писал(а):Источник цитаты scropin:
1.Для увеличения ёмкости батареи включать элементы параллельно нежелательно.
Они изначально разные, и более сильные подзаряжают более слабые. Я в таком случае каждый элемент включал через диод - тогда взаимных подзарядок нет. Но нужно выбирать диоды с минимальным падением напряжения, а оно меньше 0,5В вроде не бывает, так что из 1,5В элемента будет работать только 1В.
2.В Вашем случае имеет смысл включать элементы последовательно, в сумме - до максимально допустимого входного напряжения. И брать элементы максимальной емкости.
3.Если это стационарно и надолго, поставьте надёжный источник питания светодиодов 12В из 220В, скажем, от Mean Well.

спасибо
ПАВ
Сообщения: 7647
Зарегистрирован: 13 авг 2015, 19:54
Репутация: 923
Откуда: Одесса
Контактная информация:

Несколько выключателей для светодиодной ленты

Сообщение ПАВ » 19 мар 2017, 19:32

elalex писал(а):Источник цитаты scropin:
1.Для увеличения ёмкости батареи включать элементы параллельно нежелательно.
Они изначально разные, и более сильные подзаряжают более слабые. Я в таком случае каждый элемент включал через диод - тогда взаимных подзарядок нет. Но нужно выбирать диоды с минимальным падением напряжения, а оно меньше 0,5В вроде не бывает, так что из 1,5В элемента будет работать только 1В.
2.В Вашем случае имеет смысл включать элементы последовательно, в сумме - до максимально допустимого входного напряжения. И брать элементы максимальной емкости.
3.Если это стационарно и надолго, поставьте надёжный источник питания светодиодов 12В из 220В, скажем, от Mean Well.


1- бывает- германиевые и Шоттки. Включать параллельно таки не стоит.
2- ...
3- вы дилер этой фирмы? Нафига ему ЭТО НАДО- 12 в 220 превращать, чтоб потом питать СД для детской игрушки? И кто вы после такого совета, как не вбивец?
В жизни все не так, как на самом деле...
Аватара пользователя
elalex
Сообщения: 7423
Зарегистрирован: 21 июл 2015, 08:08
Репутация: 591
Откуда: [email protected]
Контактная информация:

Несколько выключателей для светодиодной ленты

Сообщение elalex » 19 мар 2017, 20:00

Я поклонник Mean Well. Они лучше всего представили себя у ближайшего ко мне большого дилера (VD Mais) , и на выставке Led Expo.
Ну и мне подарили сложный брелок - складной набор инструментов со светодиодом.
А купил я у них только 2 источника.
И про источник Вы не поняли - не 12/220, а 220/12В.
Одиночный свободный электрик
Опыт ремонтов квартир 20лет
Высшее электрическое образование
Бывший инженер-электрик
Пенсионер
64 года
Пишу для владельцев частного жилья
Запасной E–mail для россиян: [email protected]
ПАВ
Сообщения: 7647
Зарегистрирован: 13 авг 2015, 19:54
Репутация: 923
Откуда: Одесса
Контактная информация:

Несколько выключателей для светодиодной ленты

Сообщение ПАВ » 19 мар 2017, 20:19

Еще раз- НАХРЕНА ему ваши странности и прелюбодеяния с этой фирмой ? НАХРЕНА ему для игрушки ребенка эти ваши 220 вольт- что 12/220, что 220/12? То вы телефонными 60-ю вольтами смертельными стращаете, то это предлагаете 220 и все в порядке?
В жизни все не так, как на самом деле...
Аватара пользователя
elalex
Сообщения: 7423
Зарегистрирован: 21 июл 2015, 08:08
Репутация: 591
Откуда: [email protected]
Контактная информация:

Несколько выключателей для светодиодной ленты

Сообщение elalex » 19 мар 2017, 21:01

Это не игрушка, это лента, которая горит сутки. Так понимаю, неподвижно.
Одиночный свободный электрик
Опыт ремонтов квартир 20лет
Высшее электрическое образование
Бывший инженер-электрик
Пенсионер
64 года
Пишу для владельцев частного жилья
Запасной E–mail для россиян: [email protected]
ПАВ
Сообщения: 7647
Зарегистрирован: 13 авг 2015, 19:54
Репутация: 923
Откуда: Одесса
Контактная информация:

Несколько выключателей для светодиодной ленты

Сообщение ПАВ » 19 мар 2017, 21:19

elalex писал(а):Источник цитаты я подключаю светодиодную ленту от батареек (для ребенка)

Этого-... я подключаю светодиодную ленту от батареек (для ребенка)...(с) мало?
В жизни все не так, как на самом деле...
Аватара пользователя
elalex
Сообщения: 7423
Зарегистрирован: 21 июл 2015, 08:08
Репутация: 591
Откуда: [email protected]
Контактная информация:

Несколько выключателей для светодиодной ленты

Сообщение elalex » 20 мар 2017, 04:24

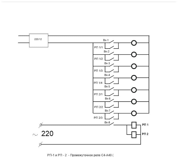
scropin, показано для 2 светодиодов, В1 и В2 - их индивидуальные выключатели. В0 - общий выключатель всех.
Вложения
IMG_20170320_030841.jpg
Одиночный свободный электрик
Опыт ремонтов квартир 20лет
Высшее электрическое образование
Бывший инженер-электрик
Пенсионер
64 года
Пишу для владельцев частного жилья
Запасной E–mail для россиян: [email protected]
Аватара пользователя
scropin
Сообщения: 8
Зарегистрирован: 19 мар 2017, 11:20
Репутация: 0
Контактная информация:

Несколько выключателей для светодиодной ленты

Сообщение scropin » 20 мар 2017, 05:45

elalex писал(а):Источник цитаты scropin, показано для 2 светодиодов, В1 и В2 - их индивидуальные выключатели. В0 - общий выключатель всех.

Спасибо большое!


  • Реклама

Вернуться в «Розетки и выключатели»

Кто сейчас на конференции

Сейчас этот форум просматривают: нет зарегистрированных пользователей и 13 гостей