Да вот увидел случайно ... какие могут быть изменения?кви-45 писал(а):Источник цитатыДопустим меня интересует вот что:
1- какая причина заставила понять автора сообщения, что с электроснабжением какой-то непорядок
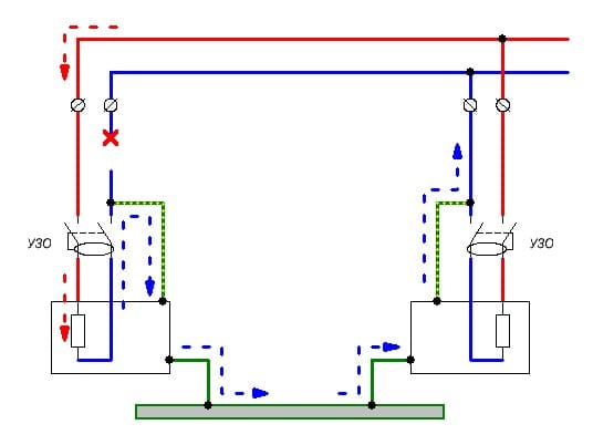
Смотрите (есть еще тама кнопка - смотреть в полном размере)... если рассмотреть фото опоры ...
Вот фото опоры перед началом работ. Справа сип от источника питания, вниз к соседу, слева ко мне.

Вместо роли спорщика, роль преподавателя примерить нет желания? Я с удовольствием займу место неуча, так-как есть пробелы (непонимание), после прочтения п.1.7.59.(ПУЭ), которое непосредственно касается системы ТТ.elalex писал(а):Источник цитатыДавайте поспорим про что–нибудь более актуальное – скажем, системы заземления. Берусь изменить Ваше мировоззрение в этом вопросе.
"Понимание" не гарантирую (мало зависящее от меня лично) ... "приставание" не возможно, по причине изначального признания мной - "незнания предмета обсуждения".elalex писал(а):Источник цитаты TOPMO3, попробуйте. Но если будете плохо понимать или приставать - я могу не выдержать.

TOPMO3 писал(а):Источник цитаты Полученная величина сопротивления (п.1.7.59.) - это сопротивление растекания (вариант ответа - "да") или сопротивление участка цепи в системе электропитания (вариант ответа - "нет")?
Вы суть вопроса не поняли. Меня не интересует, в данный момент ни его величина, ни составляющее этого сопротивления.кви-45 писал(а):Источник цитатыТам же указано,что
Rа – суммарное сопротивление заземлителя и заземляющего проводника, при применении УЗО для защиты нескольких электроприемников – заземляющего проводника наиболее удаленного электроприемника
Это как бы ответ, но без объяснения сути этого явления.elalex писал(а):Источник цитаты Сопротивление растекания заземления.
Понял ... бум надеяться, что кто нить сможет прояснить или дать подсказку.elalex писал(а):Источник цитаты Нет, на такие вопросы я не отвечаю.
elalex писал(а):Источник цитаты На форуме азам электрики не обучают. Особенно старожилов.
Не ожидал ... извините, коли затронул Ваше высочество!elalex писал(а):Источник цитаты На форуме азам электрики не обучают. Особенно старожилов.

Вернуться в «Заземление и молниезащита»
Сейчас этот форум просматривают: нет зарегистрированных пользователей и 11 гостей