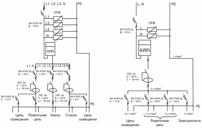
Схема подключения ограничителей импульсных напряжений ОИН-1

Вопросы, связанные с устройством и монтажом заземления и зануления. Системы заземления и системы уравнивания потенциалов (СУП), молниезащита, грозозащита и т.п.
Аватара пользователя
mastervictor
Сообщения: 4494
Зарегистрирован: 23 июл 2015, 08:50
Репутация: 508
Откуда: Краснодар(почти)
Контактная информация:

Схема подключения ограничителей импульсных напряжений ОИН-1

Сообщение mastervictor » 13 июл 2017, 19:40

УЗИП защищать.....Если по ПУЭ,он устанавливается на вводе,а ввод,это от спуска до вводного АВ......
Растолкуйте мне!
Нет ничего невозможного,необходимо две вещи,время и деньги!(Я :hi: )
Я отношусь к людям так,как они относятся ко мне!(Я :hi: )
Реклама
Аватара пользователя
Константин
Сообщения: 3464
Зарегистрирован: 16 сен 2015, 10:19
Репутация: 851
Откуда: Новосибирская область
Контактная информация:

Схема подключения ограничителей импульсных напряжений ОИН-1

Сообщение Константин » 13 июл 2017, 20:04

mastervictor писал(а):Источник цитаты Растолкуйте мне!

Вот Витя вырезка из этого дока. Думаю понятно будет.
УЗИП.jpg

Если что поесню. ВВод у тебя приходит на АВ. С АВ делаешь ответвление на УЗИП а от тудого на уже все остальное. Если нанимал водного АВ подходит под ТХ УЗИП то после вводного АВ дополнительно можне не ставить АВ для УЗИП если не соответствует ТО последовательность будет такова. Вводной АВ-ответвление на АВ для УЗИП с автоматического выключателя для УЗИП идет на сам УЗИП,а после его уже на все остальное.
Вот табличка по подбору АВ для УЗИП из этого дока:
таблица.jpg
Аватара пользователя
elalex
Сообщения: 7423
Зарегистрирован: 21 июл 2015, 08:08
Репутация: 591
Откуда: [email protected]
Контактная информация:

Схема подключения ограничителей импульсных напряжений ОИН-1

Сообщение elalex » 13 июл 2017, 20:30

1.Если та сумма длин будет превышать 50см, УЗИП не испортится, он просто не сработает, и импульс перенапряжения пройдет дальше.
2.Вы, как и ПАВ, не поняли роли собственного предохранителя У3ИП. Повторяю ещё раз: он предназначен для защиты сети от КЗ УЗИП при износе варистора и окончании срока его службы.
3.Встроенный предохранитель УЗИП защитит сеть при любых ошибках монтажника.
Одиночный свободный электрик
Опыт ремонтов квартир 20лет
Высшее электрическое образование
Бывший инженер-электрик
Пенсионер
64 года
Пишу для владельцев частного жилья
Запасной E–mail для россиян: [email protected]
ПАВ
Сообщения: 7647
Зарегистрирован: 13 авг 2015, 19:54
Репутация: 923
Откуда: Одесса
Контактная информация:

Схема подключения ограничителей импульсных напряжений ОИН-1

Сообщение ПАВ » 13 июл 2017, 20:45

Варистор в УЗИП должен пробиться при перенапряжении, закоротить линию, заставить сработать защиту впереди себя и таким образом спасти потребителей, сняв всякие возможные длительные и вторичные воздействия. Так работает нормальная защита в массе нормальных приборов.
Варистор, спасающий только себя своим же предохранителем- скатина, падонок, сволочь и негодяй... elalex, продолжите список, вы в этом спец...
Люди добрые, КОМУ НУЖЕН ЗАЩИТНИК, который отключится при первом же скачке напряжения в случае его длительного воздействия???
В жизни все не так, как на самом деле...
Аватара пользователя
elalex
Сообщения: 7423
Зарегистрирован: 21 июл 2015, 08:08
Репутация: 591
Откуда: [email protected]
Контактная информация:

Схема подключения ограничителей импульсных напряжений ОИН-1

Сообщение elalex » 13 июл 2017, 20:50

mastervictor писал(а):Источник цитаты УЗИП защищать.....Если по ПУЭ,он устанавливается на вводе,а ввод,это от спуска до вводного АВ......
Растолкуйте мне!

1.Ответ зависит от того, в чьих интересах и за чей счёт ставится УЗИП. Одно дело - в интересах и за счёт сетей, другое - в интересах и за счёт потребителя.
2.Если сети дорог его счётчик, сети должны поставить УЗИП как можно дальше впереди него, лучше раньше впереди вводного автомата.
3.Если сети наплевать на судьбу счётчика, а потребителю не наплевать на судьбу своего оборудования, потребитель ставит свой УЗИП сразу после счётчика.
4.В любом случае УЗИП должен иметь защиту от своего КЗ - либо встроенным, либо внешним предохранителем или автоматом. Подбор делается не методом ПАВ'а, а по согласованию с током молнии - предохранитель или автомат должен пропускать ток молнии, но не отключаться при этом. Отключаться только при КЗ УЗИП. И защ.характеристики и номиналы, указанные в таблицах подбора защиты УЗИП - предельные, т.е. меньше и больше ставить категорически нельзя.
5.Повторяю, ПАВ категорически не понимает логики работы УЗИП.
Одиночный свободный электрик
Опыт ремонтов квартир 20лет
Высшее электрическое образование
Бывший инженер-электрик
Пенсионер
64 года
Пишу для владельцев частного жилья
Запасной E–mail для россиян: [email protected]
Аватара пользователя
Константин
Сообщения: 3464
Зарегистрирован: 16 сен 2015, 10:19
Репутация: 851
Откуда: Новосибирская область
Контактная информация:

Схема подключения ограничителей импульсных напряжений ОИН-1

Сообщение Константин » 13 июл 2017, 20:58

elalex писал(а):Источник цитаты 2.Вы, как и ПАВ, не поняли роли собственного предохранителя У3ИП. Повторяю ещё раз: он предназначен для защиты сети от КЗ УЗИП при износе варистора и окончании срока его службы.

Если он был бы такой надежный УЗИП не горели бы.Об этом говорит и сам производитель. Защищать выше расположенным Автоматическим Выключателем.
elalex писал(а):Источник цитаты 3.Встроенный предохранитель УЗИП защитит сеть при любых ошибках монтажника.

Как же.
i.jpg
i.jpg (9.49 КБ) 5786 просмотров
p5003.jpg

Давайте смотреть на вещи объективно. А не выдумывать гарантию надежности.
Аватара пользователя
elalex
Сообщения: 7423
Зарегистрирован: 21 июл 2015, 08:08
Репутация: 591
Откуда: [email protected]
Контактная информация:

Схема подключения ограничителей импульсных напряжений ОИН-1

Сообщение elalex » 13 июл 2017, 21:26

1.Защищать внешним предохранителем или автоматом - определяет производитель. Скажем, ИЭК такого не требует.
2.А какие УЗИПы горят (производители, типы, схемы включения)? Эти фото ни о чём не говорят.
Одиночный свободный электрик
Опыт ремонтов квартир 20лет
Высшее электрическое образование
Бывший инженер-электрик
Пенсионер
64 года
Пишу для владельцев частного жилья
Запасной E–mail для россиян: [email protected]
Аватара пользователя
Константин
Сообщения: 3464
Зарегистрирован: 16 сен 2015, 10:19
Репутация: 851
Откуда: Новосибирская область
Контактная информация:

Схема подключения ограничителей импульсных напряжений ОИН-1

Сообщение Константин » 14 июл 2017, 19:48

elalex писал(а):Источник цитаты 1.Защищать внешним предохранителем или автоматом - определяет производитель. Скажем, ИЭК такого не требует.

ИЕК много чего умалчивает. И о многом не рассказывает. Ну потому и не является до сих пор брендом. Не тот уровень сервиса и качества.
elalex писал(а):Источник цитаты 2.А какие УЗИПы горят (производители, типы, схемы включения)? Эти фото ни о чём не говорят.

Да как бы все подряд. То, что встречались мне. Схема одна и та же. Параллельное включение в сеть без всяких АВ для УЗИП.
Вот пример:
nov_9.jpg
ПАВ
Сообщения: 7647
Зарегистрирован: 13 авг 2015, 19:54
Репутация: 923
Откуда: Одесса
Контактная информация:

Схема подключения ограничителей импульсных напряжений ОИН-1

Сообщение ПАВ » 14 июл 2017, 20:12

У всякого свое мнение, я опираюсь на личный опыт- две сработки УЗО 100 мА на доучете при перегрузе от молнии по цепи линия-земля и одна сработка по цепи линия-ноль при диком перекосе фаз- захлест проводов на ЛЭП 10 и отстрел одного ПК на нашем ТП. При этом и УЗО и АВ отрабатывали хлеб, и даже успели отработать его и ни разу не сдохли.
Сегодня в связи с "советская власть минус электрификация" по вине РЭС снял и проверил свои "как-бы УЗИП"- варистор+ газовый разрядник, 6 штук. За три года непрерывной работы напряжения пробоя варистоов в цепи линия-земля сохранилось на уровне 320...330 В, и 400...430 В в цепи линия-нейтраль. Разрядники остались на уровне 600 примерно вольт. Блох не ловил, не важно- 600 или 593/617 В.
Методика проста- мегомметр М4100 плюс вольтметр, плюс варистор/разрядник- четкий пробой и стабильное удержание напряжения не выше паспортного.
Сдохнет, замена на новый в пределах одной у.е.
В жизни все не так, как на самом деле...
Аватара пользователя
elalex
Сообщения: 7423
Зарегистрирован: 21 июл 2015, 08:08
Репутация: 591
Откуда: [email protected]
Контактная информация:

Схема подключения ограничителей импульсных напряжений ОИН-1

Сообщение elalex » 14 июл 2017, 20:52

Константин:
1.А про что умалчивает и что не рассказывает ИЭК?
2.Варисторы без автоматов и предохранителей для них применять категорически нельзя.
Одиночный свободный электрик
Опыт ремонтов квартир 20лет
Высшее электрическое образование
Бывший инженер-электрик
Пенсионер
64 года
Пишу для владельцев частного жилья
Запасной E–mail для россиян: [email protected]
Аватара пользователя
Константин
Сообщения: 3464
Зарегистрирован: 16 сен 2015, 10:19
Репутация: 851
Откуда: Новосибирская область
Контактная информация:

Схема подключения ограничителей импульсных напряжений ОИН-1

Сообщение Константин » 14 июл 2017, 22:26

elalex писал(а):Источник цитаты 1.А про что умалчивает и что не рассказывает ИЭК?

Например почему такая убогая конструкция силовой контактной группы у аппаратов ВД 4Р у которых постоянные провалы.
Это почему же они отказались от сменных модулей у ОПС? И почему цитирую"потребность в замене которого на практике оказывалась достаточно редкой, заменялось как правило устройство целиком." ? Сменные модуля отсутствуют в продаже или выгорают с опорной рамой все поголовно при износе?
elalex писал(а):Источник цитаты 2.Варисторы без автоматов и предохранителей для них применять категорически нельзя.

Вот почему то в паспортах нет таких указаний ни примечаний. Причем отметка должна быть особо важной.
Аватара пользователя
elalex
Сообщения: 7423
Зарегистрирован: 21 июл 2015, 08:08
Репутация: 591
Откуда: [email protected]
Контактная информация:

Схема подключения ограничителей импульсных напряжений ОИН-1

Сообщение elalex » 14 июл 2017, 23:38

За ВД 4Р не знаю. За сменные модули УЗИП ИЭК (за их продажу и спрос на них) - то же самое слышал от них.
Про выгорание сменных модулей ИЭК не слышал. С какой это стати они будут выгорать? Если предохранитель выбран неправильно, будет выгорать что сменный, что несменный модуль.
OBO Bettermann тоже делает сменные модули, и они не привариваются.
Одиночный свободный электрик
Опыт ремонтов квартир 20лет
Высшее электрическое образование
Бывший инженер-электрик
Пенсионер
64 года
Пишу для владельцев частного жилья
Запасной E–mail для россиян: [email protected]
Аватара пользователя
Константин
Сообщения: 3464
Зарегистрирован: 16 сен 2015, 10:19
Репутация: 851
Откуда: Новосибирская область
Контактная информация:

Схема подключения ограничителей импульсных напряжений ОИН-1

Сообщение Константин » 15 июл 2017, 16:51

Так вот, что темнят. Мне легче картридж поменять чем перекручивать весь модуль. У честь тот факт, что на вводе он еще и опломбирован и контактная группа не доступна. Проще картридж вытащить через окно бокса не вскрывая пломбу и заменить за 5 мин если износился чем писать заявление в энергонадзор. Подача и рассмотрение как минимум один рабочий день. Патом срывать пломбу и перемонтировать износившийся модуль мин 10-20. И опять ждать инспектора пока тот приедит и опечатает пломбировочную камеру ОПС (В ТЕЧЕНИИ НАЗНАЧЕННОГО ДНЯ). И вот столько мароки ради того, что производитель посчитал отказаться от сменных картриджей ссылаясь на несчастный процент улучшения типа токопередачи. Нет тут явно что то недосказанное. Так как вряд ли кто то из мастеров оставит положительный отзыв об этом. И вряд ли "отребность в замене которого на практике оказывалась достаточно редкой, заменялось как правило устройство целиком" Это уж 100% не так.


  • Реклама

Вернуться в «Заземление и молниезащита»

Кто сейчас на конференции

Сейчас этот форум просматривают: Baidu [Spider] и 12 гостей