Схема щитка для частного дома

Проектирование внутреннего электроснабжения квартир, домов, коттеджей и т.п. Нормы, типовые проекты, расчеты, делимся своими проектами.
Аватара пользователя
mastervictor
Сообщения: 4494
Зарегистрирован: 23 июл 2015, 08:50
Репутация: 508
Откуда: Краснодар(почти)
Контактная информация:

Схема щитка для частного дома

Сообщение mastervictor » 25 июл 2017, 10:06

А точнее,неверно совсем!
Вложения
i.jpg
i.jpg (6.41 КБ) 2338 просмотров
Нет ничего невозможного,необходимо две вещи,время и деньги!(Я :hi: )
Я отношусь к людям так,как они относятся ко мне!(Я :hi: )
Реклама
Аватара пользователя
bingook
Сообщения: 107
Зарегистрирован: 20 июн 2017, 08:05
Репутация: 2
Откуда: Беларусь, Витебск
Контактная информация:

Схема щитка для частного дома

Сообщение bingook » 25 июл 2017, 10:14

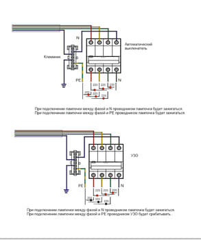
Заземление выполнено в виде одного штыря в земле. Видимо мне надо подучить, что такое "разделение PEN"....
Подскажете куда на этой схеме всунуть УЗО и реле напряжения?

П.С. Вроде при моей системе земли именуемой ТТ разделение PEN не нужно...
Аватара пользователя
mastervictor
Сообщения: 4494
Зарегистрирован: 23 июл 2015, 08:50
Репутация: 508
Откуда: Краснодар(почти)
Контактная информация:

Схема щитка для частного дома

Сообщение mastervictor » 25 июл 2017, 10:39

bingook писал(а):Источник цитаты Видимо мне надо подучить что такое "разделение PEN"...

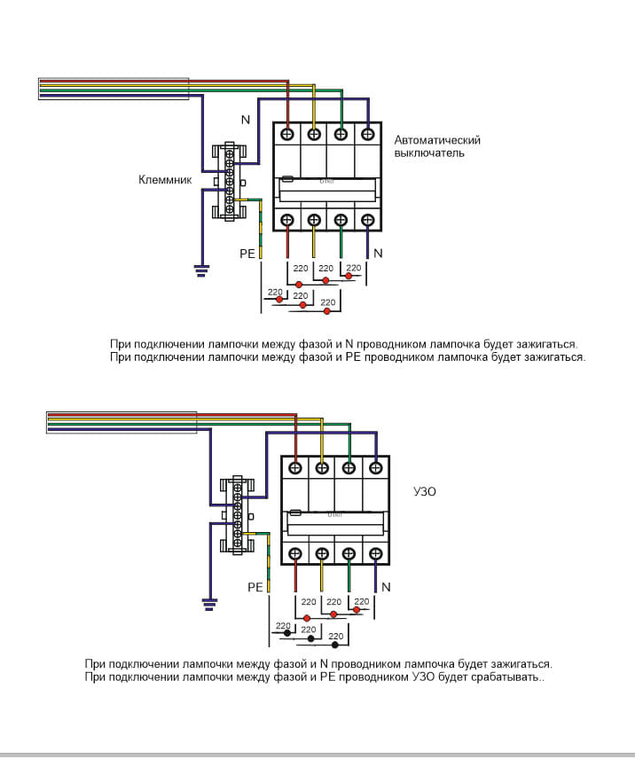
На схемке будет понятно.(смотрим на шину,с лева от АВ)
Схема.jpg

Вот мое решение в натуре.
хорош!.jpg

Безупречно с наружи,это должно выглядит так.(tupos)
типа идеал.jpg

bingook писал(а):Источник цитаты Подскажете куда на этой схеме всунуть УЗО и реле напряжения?

РН после вводного АВ,УЗО перед группой АВ,за счетчиком.
Вариант Константина.
ЩУРН с ПЗС.jpg

Ну и чтоб не обидеть,ни кого,кто выкладывал свои работы.(elalex)
Вложения
Щит elalex.jpg
Нет ничего невозможного,необходимо две вещи,время и деньги!(Я :hi: )
Я отношусь к людям так,как они относятся ко мне!(Я :hi: )
Аватара пользователя
mastervictor
Сообщения: 4494
Зарегистрирован: 23 июл 2015, 08:50
Репутация: 508
Откуда: Краснодар(почти)
Контактная информация:

Схема щитка для частного дома

Сообщение mastervictor » 25 июл 2017, 10:40

bingook писал(а):Источник цитаты Вроде при моей системе земли именуемой ТТ разделение PEN не нужно...

Не нужно.
Питающая ВЛ в плачевном состоянии?
Нет ничего невозможного,необходимо две вещи,время и деньги!(Я :hi: )
Я отношусь к людям так,как они относятся ко мне!(Я :hi: )
Аватара пользователя
bingook
Сообщения: 107
Зарегистрирован: 20 июн 2017, 08:05
Репутация: 2
Откуда: Беларусь, Витебск
Контактная информация:

Схема щитка для частного дома

Сообщение bingook » 09 авг 2017, 00:19

mastervictor писал(а):Источник цитаты Питающая ВЛ в плачевном состоянии?

Фик его знает, алюминиевые провода толщиной чуть менее мизинца.

Подскажите по выбору УЗО. На дом выделено 4,5кВт (вроде так). 2 фазы. Ввод к счетчику похоже кабелем 2х4 медь.
2Р 25A 30мА ?
Аватара пользователя
elalex
Сообщения: 7423
Зарегистрирован: 21 июл 2015, 08:08
Репутация: 591
Откуда: [email protected]
Контактная информация:

Схема щитка для частного дома

Сообщение elalex » 09 авг 2017, 01:13

А какое напряжение между фазами?
Одиночный свободный электрик
Опыт ремонтов квартир 20лет
Высшее электрическое образование
Бывший инженер-электрик
Пенсионер
64 года
Пишу для владельцев частного жилья
Запасной E–mail для россиян: [email protected]
Аватара пользователя
elalex
Сообщения: 7423
Зарегистрирован: 21 июл 2015, 08:08
Репутация: 591
Откуда: [email protected]
Контактная информация:

Схема щитка для частного дома

Сообщение elalex » 09 авг 2017, 01:13

Я ставлю электромагнитное УЗО типа А, лучше 2-3 на весь дом. Бюджетный вариант ИЭК УЗО ВД1-63, 63 А, 30мА, тип А.
Последний раз редактировалось elalex 09 авг 2017, 19:06, всего редактировалось 2 раза.
Одиночный свободный электрик
Опыт ремонтов квартир 20лет
Высшее электрическое образование
Бывший инженер-электрик
Пенсионер
64 года
Пишу для владельцев частного жилья
Запасной E–mail для россиян: [email protected]
Аватара пользователя
bingook
Сообщения: 107
Зарегистрирован: 20 июн 2017, 08:05
Репутация: 2
Откуда: Беларусь, Витебск
Контактная информация:

Схема щитка для частного дома

Сообщение bingook » 09 авг 2017, 14:56

Однофазный, оговорился. :)
Аватара пользователя
mastervictor
Сообщения: 4494
Зарегистрирован: 23 июл 2015, 08:50
Репутация: 508
Откуда: Краснодар(почти)
Контактная информация:

Схема щитка для частного дома

Сообщение mastervictor » 09 авг 2017, 15:50

bingook писал(а):Источник цитаты Фик его знает, алюминиевые провода толщиной чуть менее мизинца.

Хорошего мало,тут и ПУЭ тебе скажет,что надо ТТ.
Нет ничего невозможного,необходимо две вещи,время и деньги!(Я :hi: )
Я отношусь к людям так,как они относятся ко мне!(Я :hi: )


  • Реклама

Вернуться в «Проектирование внутреннего электроснабжения»

Кто сейчас на конференции

Сейчас этот форум просматривают: нет зарегистрированных пользователей и 10 гостей