Интересная проблема в трехфазном электрощитке

Вопросы по электромонтажу, не попавшие в основные разделы
Ogi
Сообщения: 2
Зарегистрирован: 14 окт 2017, 11:48
Репутация: 0
Контактная информация:

Интересная проблема в трехфазном электрощитке

Сообщение Ogi » 14 окт 2017, 11:50

Такой вопрос, небольшое кафе, трехфазный щит вводной автомат 100 ампер, далее куча автоматов под разные нужды, есть два автомата однофазных, один идет на освещение зала другой на освещение кухни, оба автомата от разных фаз работают, все работало нормально и вдруг в одночасье выбивает эти два автомата, и теперь ситуация такая, если врубить один из автоматов(любой) то данная группа света будет исправно работать тогда как если замерить напряжение между нижней и верхней клеммой второго выключенного автомата мультиметр покажет 380, если вырубить тот автомат что включен то тестер на этом участке покажет 220, если врубить оба их сразу выбьет оба. Кто может подсказать в чем причина неполадки и какие варианты устранения ?
Реклама
Аватара пользователя
elalex
Сообщения: 7423
Зарегистрирован: 21 июл 2015, 08:08
Репутация: 591
Откуда: [email protected]
Контактная информация:

Интересная проблема в трехфазном электрощитке

Сообщение elalex » 14 окт 2017, 13:22

То, что сказано - нужно нарисовать.
Одиночный свободный электрик
Опыт ремонтов квартир 20лет
Высшее электрическое образование
Бывший инженер-электрик
Пенсионер
64 года
Пишу для владельцев частного жилья
Запасной E–mail для россиян: [email protected]
Аватара пользователя
Константин
Сообщения: 3464
Зарегистрирован: 16 сен 2015, 10:19
Репутация: 851
Откуда: Новосибирская область
Контактная информация:

Интересная проблема в трехфазном электрощитке

Сообщение Константин » 14 окт 2017, 18:44

Ogi писал(а):Источник цитаты Кто может подсказать в чем причина неполадки

Нарушение состояния изоляции. Возможно в распределительных каробках. А точнее в местах соединения и соприкосновения этих кабельных трасс.
А еще не покопался ли кто у вас в распределительном щите? И что это за автомат у вас? Это реверсивный переключатель? Или класический модульный автоматический выключатель типа ВА 47-29? И на какое количество полюсов? Есть хотябы есть четкое фото этого распределительного щита?
Ogi
Сообщения: 2
Зарегистрирован: 14 окт 2017, 11:48
Репутация: 0
Контактная информация:

Интересная проблема в трехфазном электрощитке

Сообщение Ogi » 14 окт 2017, 22:33

Нарушение состояния изоляции. Возможно в распределительных каробках. А точнее в местах соединения и соприкосновения этих кабельных трасс.
А еще не покопался ли кто у вас в распределительном щите? И что это за автомат у вас? Это реверсивный переключатель? Или класический модульный автоматический выключатель типа ВА 47-29? И на какое количество полюсов? Есть хотябы есть четкое фото этого распределительного щита?

Обычные однополюсные автоматы ВА47-49 на 16 и 25 ампер фирмы иек.
Из щитка уходит провод на освещение кухни ввгнг3х1.5 подключен как положено белый к автомату с16, ноль и фаза на соответствующие шины, по теории он должен цельным идти до световой коробки кухни и никак не взаимодействовать с другими проводами других групп. А вот с проводом идущим на освещение зала непонятный мне мудреж, желтый проводник подключен к автомату с25, а синий и белый через сизы соединены с белыми проводниками двух других проводов ввгнг 3х1.5, ноли и земля которых идут на соответствующие шины и все это дружно куда то уходит, я думаю скорее всего таким образом прямо в щитке реализованы соединения освещения зала, один провод уходит на одну половину освещения второй на другую а третий на двойной выключатель. Не могу понять лишь одного как и где провод кухни и провод зала могли пересечься.
Аватара пользователя
Константин
Сообщения: 3464
Зарегистрирован: 16 сен 2015, 10:19
Репутация: 851
Откуда: Новосибирская область
Контактная информация:

Интересная проблема в трехфазном электрощитке

Сообщение Константин » 15 окт 2017, 18:26

Схема электроснабжения здания вам не известна. Тот кто запытывал потребителей черт знает от куда мог брать питание даже с соседской линии. И фаза может быть оказаться у вас через сопротивление нагрузки.
Вам совет. Переберите линию электропитания всю в целом не смотря на большие объемы работ. И будет у вас работать все как положено. Думаю в периоде монтажа и найдете путь тока.
Последний раз редактировалось Константин 16 окт 2017, 05:32, всего редактировалось 1 раз.
Аватара пользователя
кви-45
Сообщения: 714
Зарегистрирован: 25 окт 2015, 20:31
Репутация: 254
Контактная информация:

Интересная проблема в трехфазном электрощитке

Сообщение кви-45 » 15 окт 2017, 22:37

Ogi » Вчера, 22:33
Интересная тема, но издалека трудно разобраться.
- Объяснить, как-то появление 380В на полюсах можно. Если допустим нули системы освещения зала и кухни подключены на общий участок N, который по каким-то причинам оборвался. Тогда фаза с автомата кухни через свои светильники — общую нулевую точку и через светильники зала окажется на отходящем контакте автомата зала и наоборот, но при этом светильники загораться не будут, так как общий нуль в обрыве. Здесь не стыковка.
- Отключение автоматов при их совместном включении может происходить, если допустим рабочие нули светильников перепутали и подсоединили на защитный нуль.
Надо начинать разбираться с какой-то одной системой , а потом с другой. И конечно просьба , когда разберетесь, сообщите очень интересно.
За электробезопасность необходимо ПЛАТИТЬ,
за ее отсутствие РАСПЛАЧИВАТЬСЯ!
Аватара пользователя
TOPMO3
Сообщения: 4181
Зарегистрирован: 29 фев 2016, 10:37
Репутация: 626
Откуда: Ижевск
Контактная информация:

Интересная проблема в трехфазном электрощитке

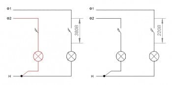
Сообщение TOPMO3 » 17 окт 2017, 18:01

elalex писал(а):Источник цитаты То, что сказано - нужно нарисовать.
Вложения
0.JPG
Смеюсь последний ... тормоз однако!
Аватара пользователя
elalex
Сообщения: 7423
Зарегистрирован: 21 июл 2015, 08:08
Репутация: 591
Откуда: [email protected]
Контактная информация:

Интересная проблема в трехфазном электрощитке

Сообщение elalex » 17 окт 2017, 18:46

Я предпочел бы картинку от ТС.
Одиночный свободный электрик
Опыт ремонтов квартир 20лет
Высшее электрическое образование
Бывший инженер-электрик
Пенсионер
64 года
Пишу для владельцев частного жилья
Запасной E–mail для россиян: [email protected]
Аватара пользователя
кви-45
Сообщения: 714
Зарегистрирован: 25 окт 2015, 20:31
Репутация: 254
Контактная информация:

Интересная проблема в трехфазном электрощитке

Сообщение кви-45 » 17 окт 2017, 19:14

TOPMO3 » 45 минут назад
Во вложении объясняется появление потенциала 380 В на контактах одного автомата при включении другого при условии обрыва нуля в точке Н, но у ТС при этом загорается освещение одной из групп, что в нашем случае не возможно так как нуль в точке Н оборван. Поэтому есть вопрос к ТС - А все ли светильники кухни или зала включаются при включении их автоматов или часть из них не включается, может на некоторых светильниках N и РЕ перепутаны. ТС отзовись
За электробезопасность необходимо ПЛАТИТЬ,
за ее отсутствие РАСПЛАЧИВАТЬСЯ!
Аватара пользователя
электрик
Сообщения: 113
Зарегистрирован: 30 авг 2017, 19:51
Репутация: 0
Контактная информация:

Интересная проблема в трехфазном электрощитке

Сообщение электрик » 19 окт 2017, 19:42

Ищите нули. Если до того всё работало нормально - то проблема скорее всего в щите.


  • Реклама

Вернуться в «Прочие вопросы по электромонтажу»

Кто сейчас на конференции

Сейчас этот форум просматривают: нет зарегистрированных пользователей и 19 гостей