Помогите опознать пускатель

Выбор и схемы подключения контакторов, пускателей, реле, различных датчиков, кнопок управления, переключателей и т.п.
Tarrok
Сообщения: 4
Зарегистрирован: 16 янв 2018, 08:21
Репутация: 0
Контактная информация:

Помогите опознать пускатель

Сообщение Tarrok » 16 янв 2018, 08:32

Всем доброго, имеется агрегат на фото ниже. Походу английский. Если есть инфа по нему, буду очень признателен!
IMG-20180115-WA0005.jpg

IMG-20180115-WA0006.jpg
IMG-20180115-WA0004.jpg
Реклама
Tarrok
Сообщения: 4
Зарегистрирован: 16 янв 2018, 08:21
Репутация: 0
Контактная информация:

Помогите опознать пускатель

Сообщение Tarrok » 16 янв 2018, 08:50

Есть предположение что работает он только в вертикальном положении. На верхнем фото можно разглядеть проволочную рамку, которая удерживает качалку НЗ контакта. Рамка упирается в сердечник катушки из провода толстого сечения, которая при срабатывании отодвигает эту рамку, размыкая контакт.
ПАВ
Сообщения: 7647
Зарегистрирован: 13 авг 2015, 19:54
Репутация: 923
Откуда: Одесса
Контактная информация:

Помогите опознать пускатель

Сообщение ПАВ » 16 янв 2018, 08:56

И что, на шильдике ничего нет, на крышке ни стрелки, ни слова ТОР?
В жизни все не так, как на самом деле...
Аватара пользователя
TOPMO3
Сообщения: 4181
Зарегистрирован: 29 фев 2016, 10:37
Репутация: 626
Откуда: Ижевск
Контактная информация:

Помогите опознать пускатель

Сообщение TOPMO3 » 16 янв 2018, 09:59

Как я понял, тут "два в одном" ... пускатель + токовое реле ... не плохо бы разрисовать схему - может это даст подсказку.
Да и не помешает описание основы, на котором установлен данный девайс ... то ли гидравлика, то ли просто распредкоробка - не понятно по фото.
Смеюсь последний ... тормоз однако!
Аватара пользователя
Константин
Сообщения: 3464
Зарегистрирован: 16 сен 2015, 10:19
Репутация: 851
Откуда: Новосибирская область
Контактная информация:

Помогите опознать пускатель

Сообщение Константин » 16 янв 2018, 17:19

Tarrok писал(а):Источник цитаты Если есть инфа по нему, буду очень признателен

Нет инфы. По строению похож на пусковое реле от компрессора.
ПАВ
Сообщения: 7647
Зарегистрирован: 13 авг 2015, 19:54
Репутация: 923
Откуда: Одесса
Контактная информация:

Помогите опознать пускатель

Сообщение ПАВ » 16 янв 2018, 17:31

Самого интересного фото- сверху и нет.
В жизни все не так, как на самом деле...
Tarrok
Сообщения: 4
Зарегистрирован: 16 янв 2018, 08:21
Репутация: 0
Контактная информация:

Помогите опознать пускатель

Сообщение Tarrok » 16 янв 2018, 19:14

На шильдике есть название фирмы, но ни модели, ничего такого. Схемаина данный момент собрана по принципу обычного пускателя, но нет завязки с верхней катушкой. Позже будут еще фото и постараюсь выяснить в связке с чем он работал.
Спасибо всем откликнувшимся!
Аватара пользователя
TOPMO3
Сообщения: 4181
Зарегистрирован: 29 фев 2016, 10:37
Репутация: 626
Откуда: Ижевск
Контактная информация:

Помогите опознать пускатель

Сообщение TOPMO3 » 17 янв 2018, 10:13

Tarrok писал(а):Источник цитаты Схемаина данный момент собрана по принципу обычного пускателя, но нет завязки с верхней катушкой.
Возможно завязка через рамку, т.е. при срабатывании токового реле - включается или отключается питание на катушку пускателя.
Смеюсь последний ... тормоз однако!
Tarrok
Сообщения: 4
Зарегистрирован: 16 янв 2018, 08:21
Репутация: 0
Контактная информация:

Помогите опознать пускатель

Сообщение Tarrok » 17 янв 2018, 19:23

Скорей всего так и есть, но не могу понять как оно в цепь включается.
Фотки перестал прикреплять почему то...
Аватара пользователя
TOPMO3
Сообщения: 4181
Зарегистрирован: 29 фев 2016, 10:37
Репутация: 626
Откуда: Ижевск
Контактная информация:

Помогите опознать пускатель

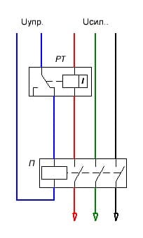
Сообщение TOPMO3 » 18 янв 2018, 07:48

Tarrok писал(а):Источник цитаты Скорей всего так и есть, но не могу понять как оно в цепь включается....
Не понятно, зачем это всё Вам надо ... коли сами, имея его на руках, не можете разобраться что к чему. :biggrin:
Схема скорее всего будет подобная
02.JPG
02.JPG (12.34 КБ) 2762 просмотра

Как выше уже писали, возможное применение - компрессора, холодильники и т.п.
Короче ... коммутация силового оборудования, с одновременной защитой или контролем по току нагрузки.
Смеюсь последний ... тормоз однако!


  • Реклама

Вернуться в «Контакторы, пускатели, реле, датчики, кнопки и т.п.»

Кто сейчас на конференции

Сейчас этот форум просматривают: нет зарегистрированных пользователей и 12 гостей