Кнопочный пост и два концевых выключателя

Вопросы по электромонтажу, не попавшие в основные разделы
Ал-др 6
Сообщения: 2
Зарегистрирован: 28 янв 2018, 04:33
Репутация: 0
Контактная информация:

Кнопочный пост и два концевых выключателя

Сообщение Ал-др 6 » 28 янв 2018, 05:03

Здравствуйте! Озадачился усовершенствованием вентиляции, которая управляется кнопками пуск/стоп, контактор.. Хочу дополнительно задействовать концевые выключатели на варочные котлы. При открывании/закрывании крышек варочных котлов должна включатся/выключатся вентиляция. При этом сохранить в действии и кнопочный пост.
Помогите, если можно, схемой.
Реклама
Аватара пользователя
TOPMO3
Сообщения: 4181
Зарегистрирован: 29 фев 2016, 10:37
Репутация: 626
Откуда: Ижевск
Контактная информация:

Кнопочный пост и два концевых выключателя

Сообщение TOPMO3 » 28 янв 2018, 08:47

Ал-др 6 писал(а):Источник цитаты Здравствуйте! Озадачился усовершенствованием вентиляции, которая управляется кнопками пуск/стоп, контактор.. Хочу дополнительно задействовать концевые выключатели на варочные котлы. При открывании/закрывании крышек варочных котлов должна включатся/выключатся вентиляция. При этом сохранить в действии и кнопочный пост.
Помогите, если можно, схемой.
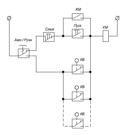
Помочь не проблема, не достаточно инфы.
Если Вы, предполагаете использовать вновь_поставленные конечники, схема будет одна (пример ниже) ... если использовать имеющиеся в данный момент - будет сложнее. Нам не известно что они включают, и как они подключены.
Не помешала бы действующая, на данный момент, схема котлов.
Вложения
00.JPG
Смеюсь последний ... тормоз однако!
Аватара пользователя
кви-45
Сообщения: 714
Зарегистрирован: 25 окт 2015, 20:31
Репутация: 254
Контактная информация:

Кнопочный пост и два концевых выключателя

Сообщение кви-45 » 28 янв 2018, 11:06

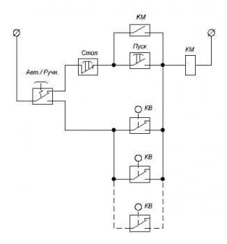
TOPMO3 » Сегодня, 08:47

Только я бы в этой схеме предложил использовать бесконтактные выключатели типа БВК 260-24. Схема несколько усложняется, так как для их работы необходимо 24В, но зато электробезопасность и техническая эксплуатация при влажном процессе на должном уровне соблюдаться будет.
За электробезопасность необходимо ПЛАТИТЬ,
за ее отсутствие РАСПЛАЧИВАТЬСЯ!
Аватара пользователя
TOPMO3
Сообщения: 4181
Зарегистрирован: 29 фев 2016, 10:37
Репутация: 626
Откуда: Ижевск
Контактная информация:

Кнопочный пост и два концевых выключателя

Сообщение TOPMO3 » 28 янв 2018, 12:09

кви-45 писал(а):Источник цитаты TOPMO3 » Сегодня, 08:47 Только я бы в этой схеме предложил использовать бесконтактные выключатели типа БВК 260-24. Схема несколько усложняется, так как для их работы необходимо 24В, но зато электробезопасность и техническая эксплуатация при влажном процессе на должном уровне соблюдаться будет.
Согласен безопасность повышается ... но так дешевле. :smile:
Помню, работал на производстве силикатного кирпича ... пресса все были на логике и на подобных бесконтактниках, а автоклавы, по старинке - всё на 220 и 380.
Смеюсь последний ... тормоз однако!
Ал-др 6
Сообщения: 2
Зарегистрирован: 28 янв 2018, 04:33
Репутация: 0
Контактная информация:

Кнопочный пост и два концевых выключателя

Сообщение Ал-др 6 » 28 янв 2018, 17:57

TOPMO3, Концевики EMAS L5K13PUM211 только купил. Вентиляцию включает пускатель с катушкой на 220v. Конечно, как здесь появилось предложение, желательно перейти на управление 24 v. Котлы газовые. Электричества на них нет. В производстве присутствует мясорубка-волчёк с управлением на 24 в. через трансформатор.
Аватара пользователя
TOPMO3
Сообщения: 4181
Зарегистрирован: 29 фев 2016, 10:37
Репутация: 626
Откуда: Ижевск
Контактная информация:

Кнопочный пост и два концевых выключателя

Сообщение TOPMO3 » 29 янв 2018, 09:14

Ал-др 6 писал(а):Источник цитаты TOPMO3, Концевики EMAS L5K13PUM211 только купил. Вентиляцию включает пускатель с катушкой на 220v. Конечно, как здесь появилось предложение, желательно перейти на управление 24 v. Котлы газовые. Электричества на них нет. В производстве присутствует мясорубка-волчёк с управлением на 24 в. через трансформатор.
Для перехода на питание 24В, без усложнения или дополнительных вложений не обойтись.
Смеюсь последний ... тормоз однако!


  • Реклама

Вернуться в «Прочие вопросы по электромонтажу»

Кто сейчас на конференции

Сейчас этот форум просматривают: нет зарегистрированных пользователей и 13 гостей