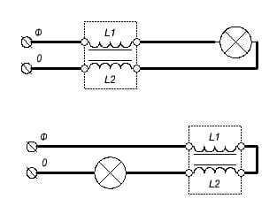
Подскажите как подключить дрл 400 к лампе днат 400.
Суть проблемы в том что нет схемы на дросселе или я не понимаю куда подключать какой провод к этому дросселю. (у меня есть изу, лампа, дросель и т.д.)
На ИЗУ есть схема, там все понятно, на дросселе нет.
Мне нужно один провод от розетки подсоединить к дросселю, а другой далее по схеме.. подскажите куда какой.
