вкл. реверса АД с помощью одного реле времни

Выбор, пуск, схемы подключения и соединения обмоток, реверс различных электродвигателей.
Военпенс
Сообщения: 17
Зарегистрирован: 03 май 2018, 01:17
Репутация: 1
Откуда: Уфа
Контактная информация:

вкл. реверса АД с помощью одного реле времни

Сообщение Военпенс » 03 май 2018, 01:37

уважаемые коллеги, помогите вмонтировать реле времени в существующую схему управления АД для задержки включения реверса, вкл реверса происходит нажатием кнопки НАЗАД после нажатия СТОП. нажатие кнопки НАЗАД нужно задержать на 12 -15 сек и так далее.. теперь кнопку ВПЕРЕД надо задержать на это же время. гугл дает в основном схемы автоцикличное переключение, в моем случае работа ВПЕРЕД и НАЗАД не нормированы по времени, всегда разные.
Реклама
Военпенс
Сообщения: 17
Зарегистрирован: 03 май 2018, 01:17
Репутация: 1
Откуда: Уфа
Контактная информация:

вкл. реверса АД с помощью одного реле времни

Сообщение Военпенс » 05 май 2018, 06:15

По моему разумению. .. это будет вкл ВПЕРЕД, НАЗАД на определенное время,как переделать эту схему под мои требования?есть ли какие мысли
Вложения
реверс реле времени.gif
Аватара пользователя
TOPMO3
Сообщения: 4181
Зарегистрирован: 29 фев 2016, 10:37
Репутация: 626
Откуда: Ижевск
Контактная информация:

вкл. реверса АД с помощью одного реле времни

Сообщение TOPMO3 » 06 май 2018, 11:32

Военпенс писал(а):Источник цитаты По моему разумению. .. это будет вкл ВПЕРЕД, НАЗАД на определенное время,как переделать эту схему под мои требования?есть ли какие мысли
Не совсем понятно описали требуемый алгоритм.
Возможно подойдет вот такой ... https://delta-kip.ru/catalog/rele-vreme ... hiki/2487/ ... в режиме "В".
Смеюсь последний ... тормоз однако!
Аватара пользователя
Роман90
Сообщения: 25
Зарегистрирован: 07 май 2018, 11:07
Репутация: 5
Откуда: Брянск
Контактная информация:

вкл. реверса АД с помощью одного реле времни

Сообщение Роман90 » 07 май 2018, 13:09

Я правильно понял, что после нажатия кнопки вперёд или назад происходит включение двигателя только через 12..15 секунд, а не сразу? А отключение происходит мгновенно по кнопке стоп?
Аватара пользователя
TOPMO3
Сообщения: 4181
Зарегистрирован: 29 фев 2016, 10:37
Репутация: 626
Откуда: Ижевск
Контактная информация:

вкл. реверса АД с помощью одного реле времни

Сообщение TOPMO3 » 07 май 2018, 14:02

Роман90 писал(а):Источник цитаты Я правильно понял, что после нажатия кнопки вперёд или назад происходит включение двигателя только через 12..15 секунд, а не сразу? А отключение происходит мгновенно по кнопке стоп?
Ага, по схеме ... сначала на "стоп", потом на "пуск", и держать нажатым на время выдержки. Без предварительного "стопа" - не сработает.
А как хочется - пока не ясно. :smile:
Смеюсь последний ... тормоз однако!
Военпенс
Сообщения: 17
Зарегистрирован: 03 май 2018, 01:17
Репутация: 1
Откуда: Уфа
Контактная информация:

вкл. реверса АД с помощью одного реле времни

Сообщение Военпенс » 07 май 2018, 16:58

спасибо что вы, уважаемые коллеги, откликнулись... по поводу выше сказанного, хочу пояснить.. включаем установку ( ГРОХОТ - устройство просеивания ПГС, бункер с сеткой на верху, туда погрузчик загружает ПГС, установка большая 12 кВт эл двигатель,а может и поболее, шильдика нету, да и я не мерил токи, со стандартной схемой подключения для реверса, на переходном редукторе стоит дибаланс, за счет этого сетка трясется и просеивает ПГС)
имеет режимы: 1. отсеивания назовем режим ВПЕРЕД
2. режим простоя - отключенное состояние через СТОП
3. режим сброса отсева назовем режим НАЗАД и далее начиная с пункта 1. через СТОП
оператор молодой, после режима ВПЕРЕД нажимает СТОП, у установки энерция большая, , в отключенном состоянии для полной остановки необходимо 12-15 сек, так он оператор, паразит этакий ))) не ждет когда остановится, а включает НАЗАД сразу же после СТОП, результат, сами понимаете, какой печальный, на установке в редукторе стоят какие то ФИЛЬДИПЕРСТОВЫЕ дорогие подшипники... исходя из того что оператор не соблюдает инструкцию эксплуатации, хотелось бы за счет реле времени задержать включение установки после нажатия кнопки СТОП, возможно ли сделать это при помощи этого: http://electronica.bashel.ru/PDF/upload ... 0_info.pdf
Последний раз редактировалось Военпенс 07 май 2018, 18:43, всего редактировалось 1 раз.
Военпенс
Сообщения: 17
Зарегистрирован: 03 май 2018, 01:17
Репутация: 1
Откуда: Уфа
Контактная информация:

вкл. реверса АД с помощью одного реле времни

Сообщение Военпенс » 07 май 2018, 17:23

Роман90 писал(а):Источник цитаты Я правильно понял, что после нажатия кнопки вперёд или назад происходит включение двигателя только через 12..15 секунд, а не сразу? А отключение происходит мгновенно по кнопке стоп?

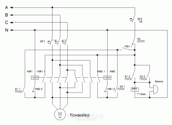
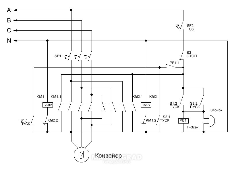
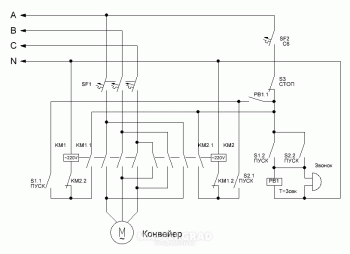
Роман90, вы правильно поняли, именно, что после нажатия кнопки вперёд или назад происходит включение двигателя только через 12..15 секунд, а не сразу. А отключение происходит мгновенно по кнопке стоп. это как раз что надо. Отсюда и мой вопрос: как подключить исполнительные контакты реле времени, например такого: http://electronica.bashel.ru/PDF/upload ... 0_info.pdf или такого https://delta-kip.ru/catalog/rele-vreme ... hiki/2487/ в эту или другую схему реверса
Вложения
реверс реле времени.gif
реверс реле времени.gif (7.63 КБ) 3128 просмотров
Последний раз редактировалось Военпенс 07 май 2018, 18:45, всего редактировалось 2 раза.
Военпенс
Сообщения: 17
Зарегистрирован: 03 май 2018, 01:17
Репутация: 1
Откуда: Уфа
Контактная информация:

вкл. реверса АД с помощью одного реле времни

Сообщение Военпенс » 07 май 2018, 18:08

TOPMO3 писал(а):Источник цитаты
Военпенс писал(а):Источник цитаты По моему разумению. .. это будет вкл ВПЕРЕД, НАЗАД на определенное время,как переделать эту схему под мои требования?есть ли какие мысли
Не совсем понятно описали требуемый алгоритм.
Возможно подойдет вот такой ... https://delta-kip.ru/catalog/rele-vreme ... hiki/2487/ ... в режиме "В".

TOPMO3, я думаю, что и ваше предложенное реле времени https://delta-kip.ru/catalog/rele-vreme ... hiki/2487/ и то, которое я нашел http://electronica.bashel.ru/?item=97-89-12 по назначению анологичны, но по цене, ваше дешевле.
Последний раз редактировалось Военпенс 07 май 2018, 18:19, всего редактировалось 2 раза.
Военпенс
Сообщения: 17
Зарегистрирован: 03 май 2018, 01:17
Репутация: 1
Откуда: Уфа
Контактная информация:

вкл. реверса АД с помощью одного реле времни

Сообщение Военпенс » 07 май 2018, 19:15

http://electronica.bashel.ru/?item=77-62-50 а может это реле времени можно подключить?
Аватара пользователя
Роман90
Сообщения: 25
Зарегистрирован: 07 май 2018, 11:07
Репутация: 5
Откуда: Брянск
Контактная информация:

вкл. реверса АД с помощью одного реле времни

Сообщение Роман90 » 08 май 2018, 00:39

Военпенс, я думаю, что RV-02 не подойдёт. Оно служит, чтобы включать вентиляторы в туалете на какое-то время, а Вам надо включать через какое-то время. Даже если включите в режиме 1, то за время задержки включения контактов "- Задержка включения, мс: < 50" - с сайта, контактор может успеть включиться, например, кмэ-0910 включается за 12-22 мс, то есть будет возможно ложное включение-отключение-задержка-включение.
Подойдёт https://fif.by/data/files/item_20.pdf, но придётся брать два реле времени + вместо трёх кнопок трёхпозиционный переключатель, либо три кнопки (пуск-стоп-назад)+одно реле времени+три промежуточных реле (рублей за триста).
Аватара пользователя
Роман90
Сообщения: 25
Зарегистрирован: 07 май 2018, 11:07
Репутация: 5
Откуда: Брянск
Контактная информация:

вкл. реверса АД с помощью одного реле времни

Сообщение Роман90 » 08 май 2018, 01:06

Военпенс, не заметил предыдущего поста. Для переделки существующего шкафа подойдёт реле, что я выше написал. Если только на кнопку стоп, то одно реле времени и никаких реле промежуточных не надо, если на вперёд тоже, то второй вариант с кнопками: РВ+3 промежуточных.
Либо если PCU-510 использовать, то 2 промежуточных реле вместо трёх, но 400 руб. переплачиваете, - более предпочтительно, если в шкафу место ограниченно.
ПС: а можно просто лишить премии пару раз оператора, и ничего переделывать не придётся :happy: .
Военпенс
Сообщения: 17
Зарегистрирован: 03 май 2018, 01:17
Репутация: 1
Откуда: Уфа
Контактная информация:

вкл. реверса АД с помощью одного реле времни

Сообщение Военпенс » 08 май 2018, 04:12

Роман90 писал(а):Источник цитаты [ref]
ПС: а можно просто лишить премии пару раз оператора, и ничего переделывать не придётся :happy: .

Момент истины для лишения премии наступит после установки реле времени.
В совместных рассуждениях возникла идея.. пусть оператор ждёт 12-15 сек и при первом включении ВПЕРЕД , т.е. оператор при каждом включении установки будет нажимать ВПЕРЕД или НАЗАД и держать кнопки, ждать, пока не вкл. Соответствующий режим.
ПАВ
Сообщения: 7647
Зарегистрирован: 13 авг 2015, 19:54
Репутация: 923
Откуда: Одесса
Контактная информация:

вкл. реверса АД с помощью одного реле времни

Сообщение ПАВ » 08 май 2018, 08:16

У фирмы АВВ есть набор реле времени Е234 с массой возможностей, поищите.
В жизни все не так, как на самом деле...
Аватара пользователя
Роман90
Сообщения: 25
Зарегистрирован: 07 май 2018, 11:07
Репутация: 5
Откуда: Брянск
Контактная информация:

вкл. реверса АД с помощью одного реле времни

Сообщение Роман90 » 08 май 2018, 09:31

Военпенс, оператор, хоть и паразит, но всё же это жестоко каждый раз держать кнопку нажатой столько времени.
По схеме (по первоначальному алгоритму):
1. вместо катушек контакторов КМ1 и КМ2 устанавливаете катушки промежуточных реле К1 и К2, вместо дополнительных контактов контакторов - соответствующие контакты реле,
2. цепи звонка с РВ1 и его контактами убираете из схемы,
3. после кнопки стоп появляется 4 параллельные цепи:
3.1. реле времени PCU-510 ставим параллельно РВ1- включаются параллельно включенными контактами промежуточных реле,
3.2. звонок включается в цепь 3.1. между контактами и рв, перед звонком - нз-контакт РВ1,
3.3, 3.4 две идентичных цепи: но-контакт РВ2 (PCU-510) последовательно с контактом пром. реле включает катушку соответствующего контактора.
Итого получается, нужны реле (К1,К2) с 4-мя переключающими контактами.
4. Режим РВ2 - задержка включения
Перед включением схему опробуйте без двигателя.
Последний раз редактировалось Роман90 08 май 2018, 12:57, всего редактировалось 2 раза.
Аватара пользователя
Роман90
Сообщения: 25
Зарегистрирован: 07 май 2018, 11:07
Репутация: 5
Откуда: Брянск
Контактная информация:

вкл. реверса АД с помощью одного реле времни

Сообщение Роман90 » 08 май 2018, 09:54

И, кстати, неплохо бы добавить грибок "аварийный стоп", отключающий SF1 (правильно QF1) через независимый расцепитель типа РН-47.
Военпенс
Сообщения: 17
Зарегистрирован: 03 май 2018, 01:17
Репутация: 1
Откуда: Уфа
Контактная информация:

вкл. реверса АД с помощью одного реле времни

Сообщение Военпенс » 08 май 2018, 14:20

Роман90 писал(а):Источник цитаты Военпенс, оператор, хоть и паразит, но всё же это жестоко каждый раз держать кнопку нажатой столько времени...................
Перед включением схему опробуйте без двигателя.

Мне по этому описанию теперь придётся долго составлять схему включения.. схемы понятнее для меня, как для электронщика, электрику осваиваю своими силами... ну попытаюсь составить схему по вашему описанию... много не пинайте , если буду задавать тут много вопросов.
Аватара пользователя
Роман90
Сообщения: 25
Зарегистрирован: 07 май 2018, 11:07
Репутация: 5
Откуда: Брянск
Контактная информация:

вкл. реверса АД с помощью одного реле времни

Сообщение Роман90 » 08 май 2018, 15:06

Военпенс писал(а):Источник цитаты много не пинайте , если буду задавать тут много вопросов.

ничего, самому рисовать некогда, так бы помог
ПАВ
Сообщения: 7647
Зарегистрирован: 13 авг 2015, 19:54
Репутация: 923
Откуда: Одесса
Контактная информация:

вкл. реверса АД с помощью одного реле времни

Сообщение ПАВ » 08 май 2018, 17:44

Военпенс писал(а):Источник цитаты
Роман90 писал(а):Источник цитаты Военпенс, оператор, хоть и паразит, но всё же это жестоко каждый раз держать кнопку нажатой столько времени...................
Перед включением схему опробуйте без двигателя.

Мне по этому описанию теперь придётся долго составлять схему включения.. схемы понятнее для меня, как для электронщика, электрику осваиваю своими силами... ну попытаюсь составить схему по вашему описанию... много не пинайте , если буду задавать тут много вопросов.


1- если честно, как электронщик, не понимаю проблем с ЭЛЕКТРИКОЙ- основой всех основ- радио, ТВ, прочего хлама. В т.ч. и электроники.
2- вам бы изложить все желания в виде некой циклограммы, отражающей порядок работы узлов в вашей железяке, мало ли- все понятней станет. Речь о желательном режиме, а не слесаре при кнопке СТОП
В жизни все не так, как на самом деле...
Аватара пользователя
TOPMO3
Сообщения: 4181
Зарегистрирован: 29 фев 2016, 10:37
Репутация: 626
Откуда: Ижевск
Контактная информация:

вкл. реверса АД с помощью одного реле времни

Сообщение TOPMO3 » 08 май 2018, 20:58

ПАВ писал(а):Источник цитаты вам бы изложить все желания в виде некой циклограммы, отражающей порядок работы узлов в вашей железяке, мало ли- все понятней станет. Речь о желательном режиме, а не слесаре при кнопке СТОП
Да я ему уже два раза намекал, о необходимости прояснения требуемого алгоритма ... походу не вчитывается в ответы. :pardon:
Смеюсь последний ... тормоз однако!
Военпенс
Сообщения: 17
Зарегистрирован: 03 май 2018, 01:17
Репутация: 1
Откуда: Уфа
Контактная информация:

вкл. реверса АД с помощью одного реле времни

Сообщение Военпенс » 08 май 2018, 21:26

Алгоритм пояснил вроде бы выше в подтверждение вопроса от Роман90
Военпенс писал(а):Источник цитаты
Роман90 писал(а):Источник цитаты Я правильно понял, что после нажатия кнопки вперёд или назад происходит включение двигателя только через 12..15 секунд, а не сразу? А отключение происходит мгновенно по кнопке стоп?

Роман90, вы правильно поняли, именно, что после нажатия кнопки вперёд или назад происходит включение двигателя только через 12..15 секунд, а не сразу. А отключение происходит мгновенно по кнопке стоп. это как раз что надо. Отсюда и мой вопрос: как подключить исполнительные контакты реле времени, например такого: http://electronica.bashel.ru/PDF/upload ... 0_info.pdf или такого https://delta-kip.ru/catalog/rele-vreme ... hiki/2487/ в эту или другую схему реверса


  • Реклама

Вернуться в «Электродвигатели переменного и постоянного тока»

Кто сейчас на конференции

Сейчас этот форум просматривают: нет зарегистрированных пользователей и 9 гостей