Вывод Вам нужно организовать устройство, которое ...esser писал(а):Источник цитатыВ двух словах, нужно, чтобы при возобновлении питания состояние системы не менялось.

TOPMO3 писал(а):Источник цитаты Как я понял ...
1. ... система может иметь два состояния (в нормальном режиме) - включен/выключен;
2. ... возможны нештатные ситуации - отключения питания, разряд аккумулятора.Вывод Вам нужно организовать устройство, которое ...esser писал(а):Источник цитатыВ двух словах, нужно, чтобы при возобновлении питания состояние системы не менялось.
1. ...фиксирует в "памяти" состояние системы, после каждой команды контроллера, на включение или отключение (условно - 0 или 1);
2. ... не теряет информацию (0 или 1), при возникновении нештатной ситуации;
3. ... принудительно переводит систему после восстановлении питающих систем.
Походу Вам надо еще один контроллер с соответствующей программой.
это то же самое, что и предыдущий пункт.3. ... принудительно переводит систему после восстановлении питающих систем.

Я тоже верю ... Вам.
то даже имея огромное желание помочь, вряд ли сумею, даже порассуждать, не имея большей информации.контроллер со встроенным аккумулятором (ИБП) ... и имеет встроенные реле, которые умеет переключаться по определённым событиям.
Первые компьютеры тоже были на реле ... ничего невозможного ... бистабильные реле - ячейки памяти.... что ее можно сделать на реле.
Первая мысля, после прочтения ... барон Мюнхгаузен - вытягивающий себя за волосы ... хотя вариант исполним, если в нутрях имеется энергонезависимая "память состояния" и соответствующая функция в прошивке контроллера, которая сама определяет, что питание пришло в норму и пора использовать значение последней записи.Нужно сделать, чтобы он мог отключать и включать сам себя через промежуточное реле, которое я как раз не могу подобрать.
Но Вы же сами писали, что возможна разрядка аккума ... зачем на это опираться? Насчет "встроенных реле" - они не используются что ли ... штатно?Контроллер имеет встроенные реле и их можно запитать от встроенного аккумулятора. Соответственно можно организовать управляющие сигналы до 48в для управления промежуточным реле.
Как Вы выходите из положения на данный момент?... если контроллер отключит сам себя, а потом выключат свет и разрядится встроенный аккумулятор, то при подаче света он не включится (НО реле). Равно как и в обратном случае, если выключили свет и он сам себя выключил до этого, то он запустится, чего был не должно (НЗ реле).

ПАВ писал(а):Источник цитаты Слаботочное встречал и давно, работал с ними, например советский продукт ДП-12, с 12-ю группами на переключение, 4-х обмоточное. Правда, токи там до 10 ампер на группу при напряжении до 34 вольта. Не у всех.
TOPMO3 писал(а):Источник цитаты то даже имея огромное желание помочь, вряд ли сумею, даже порассуждать, не имея большей информации.
TOPMO3 писал(а):Источник цитаты хотя вариант исполним, если в нутрях имеется энергонезависимая "память состояния" и соответствующая функция в прошивке контроллера, которая сама определяет, что питание пришло в норму и пора использовать значение последней записи.
TOPMO3 писал(а):Источник цитаты Но Вы же сами писали, что возможна разрядка аккума ... зачем на это опираться? Насчет "встроенных реле" - они не используются что ли ... штатно?
esser писал(а):Источник цитатыПАВ писал(а):Источник цитаты Слаботочное встречал и давно, работал с ними, например советский продукт ДП-12, с 12-ю группами на переключение, 4-х обмоточное. Правда, токи там до 10 ампер на группу при напряжении до 34 вольта. Не у всех.
Как вы объясните, что предел большинства реле 30-34В? Может быть пробой? Разве он может быть при таком вольтаже?

По умолчанию ...elalex писал(а):Источник цитаты Несмотря на множество слов, я так и не понял, в чем проблема.
Что значит "отключать и включать сам себя"?

TOPMO3 писал(а):Источник цитаты желание получить отключенное ИБП (после появления напруги в сети), вааще вводит в ступор!
TOPMO3 писал(а):Источник цитаты Интересное совпадение, на форуме почти одновременно появились две темы, в которых топикстартеры не могут последовательно - дать нужную инфу, описать существующее состояние и донести свои "хотелки".


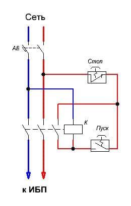
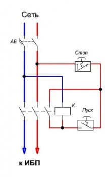
Подчеркнутого (мной) хватило бы в первом посту темы ... вот Вам схема, без каких то там, хитрых бистабильных реле ...esser писал(а):Источник цитатыВы все верно описали. Это желание обусловлено возможной поломкой аккумулятора/ИБП во время отсутствия основной сети - протек аккумулятор, какая-либо перегрузка в остальной нагрузке, протечка воды по колено, что заливает всю автоматику. Естественно хотелось бы иметь все это хозяйство электромеханиески выключенным. Даже после появления основной сети.
TOPMO3 писал(а):Источник цитатывот Вам схема, без каких то там, хитрых бистабильных реле ...

elalex писал(а):Источник цитаты 1.Наверно Вы меланхолик, как наш Леопольд. Морочите себе голову выдуманным страхами.
Нет ничего страшного в:
- возможной поломке аккумулятора/ИБП во время отсутствия основной сети - протек аккумулятор
- какая-либо перегрузка в остальной нагрузке - должна страховаться автоматами
- протечка воды по колено, что заливает всю автоматику. Автоматика не должна стоять на полу.
2.Сначала ликвидируйте существующие страхи в доме, а потом выдумывайте новые.

Какое реле?esser писал(а):Источник цитатыСпасибо, но тут такой момент - как только пропадет сеть, реле разомкнется,
По моему Вы бредите ... на хера тогда было вообще применять ИБП ... если Вам жалко аккумулятор ... и вообще ИБП "нажимает " только один раз - сразу как только пропадет сеть, и полностью отключается только когда аккумулятор сядет ... о какой периодичности идет речь?контроллер вынужден будет "нажимать" кнопку пуск с какой-то периодичностью пока не разрядится аккумулятор,
Если даже так ... зато удостоверитесь (перед нажатием), что аккумулятор не взорвался, водой ничо не залило ... Вы же этого боялись, выше ... страх пропал чоли?после этого кнопку "нажать" уже кроме человека никто не сможет
TOPMO3 писал(а):Источник цитаты Какое реле?
TOPMO3 писал(а):Источник цитаты По моему Вы бредите ... на хера тогда было вообще применять ИБП ... если Вам жалко аккумулятор ... и вообще ИБП "нажимает " только один раз - сразу как только пропадет сеть, и полностью отключается только когда аккумулятор сядет ... о какой периодичности идет речь?
TOPMO3 писал(а):Источник цитаты Если даже так ... зато удостоверитесь (перед нажатием), что аккумулятор не взорвался, водой ничо не залило ... Вы же этого боялись, выше ... страх пропал чоли?
Вернуться в «Контакторы, пускатели, реле, датчики, кнопки и т.п.»
Сейчас этот форум просматривают: нет зарегистрированных пользователей и 11 гостей