oleinap писал(а):Источник цитаты моя автоматика часто обесточивает дом
oleinap писал(а):Источник цитаты зимой человек жалуется
oleinap писал(а):Источник цитаты Внутри 3-х фазного реле конечно пускателей нет
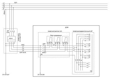
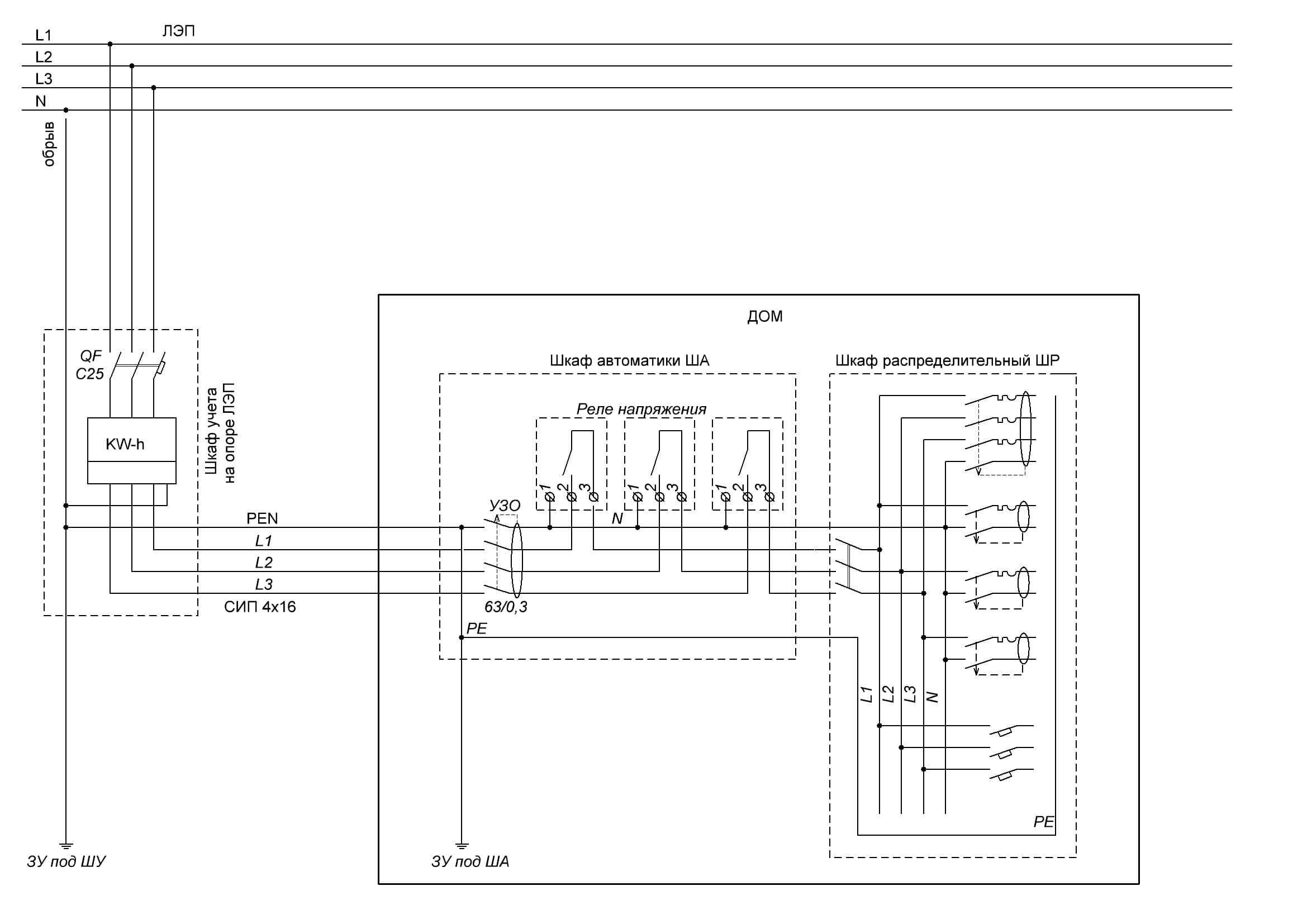
oleinap писал(а):Источник цитаты вот схема
elalex писал(а):Источник цитатыoleinap писал(а):Источник цитаты Внутри 3-х фазного реле конечно пускателей нет
Да, я как-то упустил это из виду. Тогда автомат SF на входе реле напряжения - это автомат его защиты, должен быть очень слабым, не больше 1А.
minaevsergei писал(а):Источник цитаты для защиты от обрыва нуля (засем ругаеся насяльника) подойдет УЗО
minaevsergei писал(а):Источник цитаты Указано что есть ограничение минимального/максимального напряжения
elalex писал(а):Я такого не нашел, обыкновенное УЗО. Дайте ссылку.
minaevsergei писал(а):Источник цитаты какое реле стоит рассматривать?

TOPMO3 писал(а):Источник цитаты кажется больно большая задержка (возможно регулируется?) ... благодарствую.
tupos писал(а):Источник цитаты Константин, А если без паузы подать на РН две фазы, как себя ведет?
tupos писал(а):Источник цитаты А если без паузы подать на РН две фазы, как себя ведет?

TOPMO3 писал(а):Источник цитаты Не понял, почему/откуда, 51 вольт после смены лампочки (Л1).?
TOPMO3 писал(а):Источник цитаты РН отлично срабатывает похоже.

Что происходит, на нагрузках, при обрыве нуля, я знаю. После отрабатывания РН, цепь (конкретно у Вас) разрывается полностью (см. схему выше) ... никаких 51 В не должно быть ... у Вас (на столе) не три фазы, а только две.Константин писал(а):Источник цитатыТакое напряжение из за того что сменилось сопротивление. было больше 60 ватт. Сменил на 40 стало меньше(вот и поднялось чутка напряжение на этой лампочке). Так как лампочка с высоким сопротивлением 150 ватт было отключена реле напряжением. В результате в сети осталась единственная лампочка с высоким сопротивлением 40 -60 ватт вот на нем и упало напряжение с начало почти до ноля когда была лампа 60ватт.
Если действительно, внутренняя схема реле, связана с нагрузкой (симисторные контакты, к примеру), то такое реле "в топку".Когда сменил на 40 ватт поднялось до 51 вольта. ... Ток стал интенсивно протекать на лампу накаливания от внутренней схемы реле.

TOPMO3 писал(а):Источник цитаты Если действительно, внутренняя схема реле, связана с нагрузкой (симисторные контакты, к примеру), то такое реле "в топку".
Всё понял ...Константин писал(а):Источник цитаты... интегральная схема реле мощностью 3 вт это и есть нагрузка...

Вернуться в «Контакторы, пускатели, реле, датчики, кнопки и т.п.»
Сейчас этот форум просматривают: нет зарегистрированных пользователей и 13 гостей