Подключение и заземление металлической бытовки

Вопросы, связанные с устройством и монтажом заземления и зануления. Системы заземления и системы уравнивания потенциалов (СУП), молниезащита, грозозащита и т.п.
Аватара пользователя
elalex
Сообщения: 7423
Зарегистрирован: 21 июл 2015, 08:08
Репутация: 591
Откуда: [email protected]
Контактная информация:

Подключение и заземление металлической бытовки

Сообщение elalex » 25 июн 2018, 20:36

Некошерно делать то, смысл чего не понимаешь.
Одиночный свободный электрик
Опыт ремонтов квартир 20лет
Высшее электрическое образование
Бывший инженер-электрик
Пенсионер
64 года
Пишу для владельцев частного жилья
Запасной E–mail для россиян: [email protected]
Реклама
Аватара пользователя
Константин
Сообщения: 3464
Зарегистрирован: 16 сен 2015, 10:19
Репутация: 851
Откуда: Новосибирская область
Контактная информация:

Подключение и заземление металлической бытовки

Сообщение Константин » 26 июн 2018, 16:50

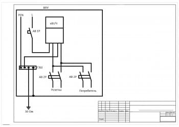
Sebr, Вводной это тот аппарат который стоит перед прибором учета у вас. А я про тот который после него. У вас при любой компоновке вводной выключает все. :yes:
Просто тот автомат который установлен после прибора учета нужен был исключительно для потребителя(строения).
Если появилось необходимость использования розетки в щите то достаточно было запитать её также через свой отдельный автоматический выключатель только ошиновкой проводами(перемычкой),шиной PIN рядом с двух полюсным или через распределительный блок.
tn-c-s.jpg

Лично я бы выбрал распределительный блок так как в последствии захочу поставить ОПС или реле напряжение, что опять потребует доступ к питающей линии и место для подключения. А подсовывая провода рас за разом в одну и туже клемму ни к чему хорошему не приводит.
Это уменьшает надежность сборки так как прослабление в такой клемме гарантировано вызовит сбой в работе всей схемы в целом включая важные защитные устройства. Обеспечит затруднения при обслуживании такой сборке(замена и вывод в ремонт оборудования), а также его последующее подключения и диагностику.


  • Реклама

Вернуться в «Заземление и молниезащита»

Кто сейчас на конференции

Сейчас этот форум просматривают: нет зарегистрированных пользователей и 9 гостей