Зачем суетесь с советами, если считаете себя любителем и ничего не понимаете?elalex писал(а):Источник цитаты ... - что за синяя женская грудь, вид сверху? Лично я категорически против непонятных любителям обозначений на планах,
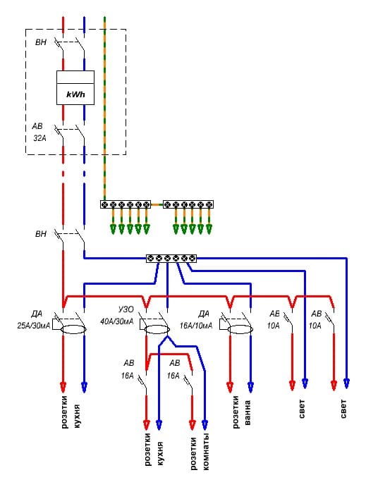
Давайте "хором" попробуем ... сначала вопросы к Вам. Что у Вас в подъезде - после счетчика? В схеме указано 6 автоматов - вопрос задали по УЗО ... Вам принципиально нужно раздельно автоматы и УЗО (т.е. будет большой щиток) или допустимо применение и дифавтоматов?POMAH_TBEPb писал(а):Источник цитаты Как раскидать группы по УЗО? Что изменить в схеме?

TOPMO3 писал(а):Источник цитатыДавайте "хором" попробуем ... сначала вопросы к Вам. Что у Вас в подъезде - после счетчика? В схеме указано 6 автоматов - вопрос задали по УЗО ... Вам принципиально нужно раздельно автоматы и УЗО (т.е. будет большой щиток) или допустимо применение и дифавтоматов?POMAH_TBEPb писал(а):Источник цитаты Как раскидать группы по УЗО? Что изменить в схеме?
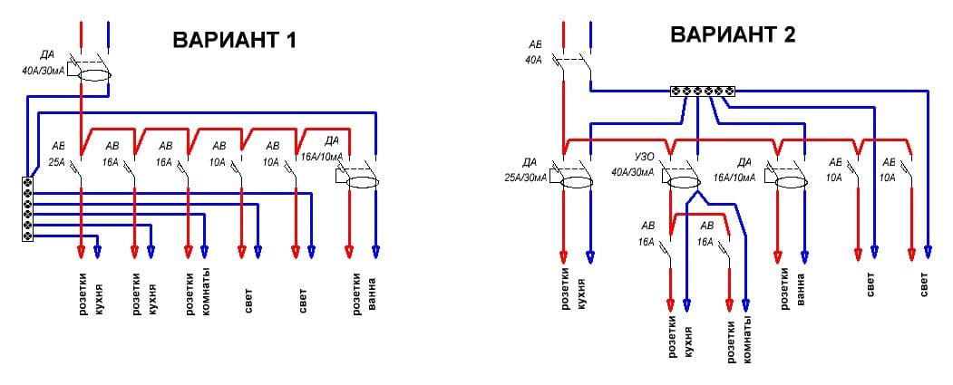
Пока могу предложить: Вариант 1 ... и ... Вариант 2 ... после ответов может чо изменится.
TOPMO3 писал(а):Источник цитаты Пока могу предложить: Вариант 1 ... и ... Вариант 2 ... после ответов может чо изменится.
ТОЭ писал(а):Источник цитатыTOPMO3 писал(а):Источник цитаты Пока могу предложить: Вариант 1 ... и ... Вариант 2 ... после ответов может чо изменится.
Я за второй вариант - по лучшей надежности (селективности)
Допустимый, длительный ток, для такого сечения - 34А (медь) или 26А (алюминий) ... [п.1.3.11. ПУЭ7.]POMAH_TBEPb писал(а):Источник цитаты После счётчика автомат на 63А самый захудалый, с него ВВГ 3х6 в квартиру. И все.
Уже вырезали чоли?POMAH_TBEPb писал(а):Источник цитатыНиша в квартире 290х290х10, вырезать больше заказчик не хочет, да и стена несущая, поэтому как-то надо уместить щит в таких рамках.
TOPMO3 писал(а):Источник цитатыДопустимый, длительный ток, для такого сечения - 34А (медь) или 26А (алюминий) ... [п.1.3.11. ПУЭ7.]POMAH_TBEPb писал(а):Источник цитаты После счётчика автомат на 63А самый захудалый, с него ВВГ 3х6 в квартиру. И все.
Доп_вопросы: Какой автомат перед счетчиком? Квартира не газифицированная?
Общий автомат придется ставить 32А ... это если у Вас медь ... для алюминия только 25А!Уже вырезали чоли?POMAH_TBEPb писал(а):Источник цитатыНиша в квартире 290х290х10, вырезать больше заказчик не хочет, да и стена несущая, поэтому как-то надо уместить щит в таких рамках.
ПАВ писал(а):Источник цитаты Как понимать это:...Медь. До счётчика 63А, после счётчика 50А, и в квартиру...(с)

POMAH_TBEPb писал(а):Источник цитатыДо счётчика 63А, после счётчика 50А, и в квартиру
TOPMO3 писал(а):Источник цитаты В случае перегруза, у Вас не автомат сработает, а провод соединяющий квартиру с подъездом "закоротит".![]()
Осталось выяснить ... какое сечение применено от стояков до вводного и от вводного до выводного автомата (50А).
Если следовать требованиям ПУЭ, Вы должны заменить автомат, установленный после счетчика (50А), на автомат 32А.POMAH_TBEPb писал(а):Источник цитатыТак же 6мм
Вводные автоматы на 63А и 40А - будут служить только как выключатели нагрузки, т.е. на их защитные функции не обращаем внимания. Можно вместо 40А_ного поставить 50А_ный из подъездного щитка (установив вместо него на 32А).POMAH_TBEPb писал(а):Т.е. до счётчика автомат 63А, после 32А. Вводной в квартире 40? Так я понимаю?
Вернуться в «Проектирование внутреннего электроснабжения»
Сейчас этот форум просматривают: нет зарегистрированных пользователей и 15 гостей