Совет по подключению!

Обсуждение и решение проблем с уличным и внутридомовым освещением, люминесцентные и светодиодные лампы, установка и схемы подключение светильников и люстр, ремонт, пускорегулирующая аппаратура (ПРА), дросселя, ИЗУ и т.п.
Марья
Сообщения: 3
Зарегистрирован: 23 окт 2018, 10:56
Репутация: 0
Контактная информация:

Совет по подключению!

Сообщение Марья » 23 окт 2018, 11:06

Здравствуйте! Нужен совет! На потолке есть провод для подключения люстры. Я хочу добавить освещение над обеденным столом и над барной стойкой. Провод больше подключить не к чему. Выключатель тоже один. Вопрос? Если я подключу к этой люстре провод, то как можно потом сделать, чтобы остальные светильники светили отдельно? Это только с пультом управления надо покупать? Или тоже не поможет и все будет включаться и отключаться вместе?!
Реклама
Аватара пользователя
Rumato
Сообщения: 739
Зарегистрирован: 23 июл 2015, 22:15
Репутация: 107
Откуда: Щелково МО
Контактная информация:

Совет по подключению!

Сообщение Rumato » 23 окт 2018, 11:10

Марья писал(а):Источник цитаты все будет включаться и отключаться вместе?!

Только так.
https://instagram.com/dmytriy_kuskov
Марья
Сообщения: 3
Зарегистрирован: 23 окт 2018, 10:56
Репутация: 0
Контактная информация:

Совет по подключению!

Сообщение Марья » 23 окт 2018, 11:23

Rumato писал(а):Источник цитаты
Марья писал(а):Источник цитаты все будет включаться и отключаться вместе?!

Только так.

А может что- то можно придумать?! Какие нибудь может приблуды имеются для таких ситуаций?
Аватара пользователя
elalex
Сообщения: 7423
Зарегистрирован: 21 июл 2015, 08:08
Репутация: 591
Откуда: [email protected]
Контактная информация:

Совет по подключению!

Сообщение elalex » 23 окт 2018, 11:42

1.Новое освещение всегда есть к чему подключить, в разных вариантах.
2.Нарисуйте план с существующей люстрой и планируемыми светильниками.
3.Как всегда и у всех - предлагаю глянуть схему питания квартиры. Думаю: главное - сохранить квартиру и жизнь жильцов, а не повесить новые светильники.
Одиночный свободный электрик
Опыт ремонтов квартир 20лет
Высшее электрическое образование
Бывший инженер-электрик
Пенсионер
64 года
Пишу для владельцев частного жилья
Запасной E–mail для россиян: [email protected]
Марья
Сообщения: 3
Зарегистрирован: 23 окт 2018, 10:56
Репутация: 0
Контактная информация:

Совет по подключению!

Сообщение Марья » 23 окт 2018, 12:26

Спасибо за ответ, но не знаю, где брать схему?! А по фото можно увидеть?
Вложения
image.jpg
От стены до этого провода хочу разместить светильники над барной стойкой.
image.jpg
Провод для люстры. От нее вправо надо на полтора, два метра разместить люстру на столом.
image.jpg
Три выключателя идут на комнату. Один для люстры, вторая клавиша для светодиодных лент , третья клавиша для светильника в стене.
image.jpg
Это наш щиток в квартире
Аватара пользователя
elalex
Сообщения: 7423
Зарегистрирован: 21 июл 2015, 08:08
Репутация: 591
Откуда: [email protected]
Контактная информация:

Совет по подключению!

Сообщение elalex » 23 окт 2018, 13:01

1.Я не встречал случаев успешного руководства электрическими работами женщинами, поэтому желательно участие мужчин. Среди жильцов квартиры есть совершеннолетние мужчины?
2.Плана нет.
Где всё будет делаться - в кухне или комнате - непонятно.
3.Если светильник прямо по центру обеденного стола - без проводов коробами по потолку не обойтись. Их можно избежать, только если светильники поставить под стенами, или бра на стенах.
4.В Европе есть манера не делать стационарных проводок к люстрам - делают по воздуху, от стены до люстры. Можете попробовать.
5.Щиток весьма среднего качества защиты. Некоторых защит нет, некоторые аппараты лишние.
Для лучшего понимания ситуации фото должно быть высокого разрешения, чтобы можно было прочитать надписи на аппаратах.
Нужно будет знать, какой аппарат что включает.
Не думаю, что сможете оценить ситуацию с электрикой в квартире.
Одиночный свободный электрик
Опыт ремонтов квартир 20лет
Высшее электрическое образование
Бывший инженер-электрик
Пенсионер
64 года
Пишу для владельцев частного жилья
Запасной E–mail для россиян: [email protected]
ПАВ
Сообщения: 7647
Зарегистрирован: 13 авг 2015, 19:54
Репутация: 923
Откуда: Одесса
Контактная информация:

Совет по подключению!

Сообщение ПАВ » 23 окт 2018, 14:09

elalex, традиционно- УЙМИТЕСЬ! Никому не нужны ваши заочные советы, никто не начнет перетряхивать всю проводку ради мизерного единичного случая, как сейчас. НЕТ решения у этой проблемы, простого, так и напишите Марии.
В жизни все не так, как на самом деле...
Аватара пользователя
Voloxa
Сообщения: 468
Зарегистрирован: 02 авг 2015, 09:01
Репутация: 38
Откуда: рядом с морем
Контактная информация:

Совет по подключению!

Сообщение Voloxa » 23 окт 2018, 15:37

Мария. А сколько жил в кабеле, который идет на люстру?
Аватара пользователя
TOPMO3
Сообщения: 4181
Зарегистрирован: 29 фев 2016, 10:37
Репутация: 626
Откуда: Ижевск
Контактная информация:

Совет по подключению!

Сообщение TOPMO3 » 23 окт 2018, 18:01

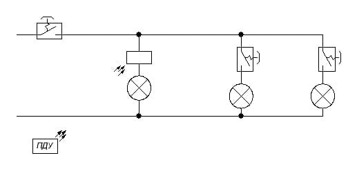
Здравствуйте!
Марья писал(а):Источник цитаты... хочу добавить освещение над обеденным столом и над барной стойкой.
А в районе обеденного стола и соответственно в районе барной стойки ... розетки имеются? Если есть - не проще будет от них запитаться, Вашим "хотелкам"?
Еще один вариант (с Вашей подсказки) ... подключится к имеющемуся проводу. Светильником управлять через ПДУ, а над столом и у барной - местными выключателями ... штатный выключатель будет постоянно включенным.
Вложения
01.JPG
Смеюсь последний ... тормоз однако!
ПАВ
Сообщения: 7647
Зарегистрирован: 13 авг 2015, 19:54
Репутация: 923
Откуда: Одесса
Контактная информация:

Совет по подключению!

Сообщение ПАВ » 23 окт 2018, 19:20

Марья, вы сами будете воплощать эти советы, или позовете таки электрика? Если второе, зовите сразу, не теряйте время. Вы в электрике достаточно хорошо разбираетесь?
В жизни все не так, как на самом деле...


  • Реклама

Вернуться в «Освещение и источники света»

Кто сейчас на конференции

Сейчас этот форум просматривают: нет зарегистрированных пользователей и 9 гостей