IT сеть после разделительного тр-ра и контроль изоляции

Вопросы, связанные с устройством и монтажом заземления и зануления. Системы заземления и системы уравнивания потенциалов (СУП), молниезащита, грозозащита и т.п.
Аватара пользователя
Yaroslav
Сообщения: 69
Зарегистрирован: 26 июл 2016, 23:25
Репутация: 6
Откуда: Санкт-Петербург
Контактная информация:

IT сеть после разделительного тр-ра и контроль изоляции

Сообщение Yaroslav » 30 окт 2018, 09:00

Здравствуйте, некоторое время назад я уже задавал этот вопрос на форуме, но появились еще вопросы, связанные с незаземленными сетями после разделительного (безопасного) трансформатора. Буду очень благодарен, если поможете.

1. В некоторых рекомендациях я увидел запрет на заземление корпусов оборудования после РТ. Отсюда возник вопрос: Если у меня светильник весит на железном столбе, который имеет связь с землей, и его корпус соприкасается. То тогда получается, что корпус светильника заземлен. Что, как гласят некоторые источники, делать нельзя. Как к этому относится?

2. Как правильно обеспечить контроль изоляции с помощью РКИ-500. Есть 2 Варианта:
Вар. 1)Когда клемма PE глухозаземлена. Но появляется мысль, что для повышения чувствительности реле, стоило бы заземлить корпуса, что противоречит пункту 1.
Вар. 2)Когда к клемме PE подключены выводы с корпусов светильников и оплетки кабелей. Тогда достигается наибольшая чувствительность к изменению состояния изоляции. Такой способ я тоже видел, но уже в других рекомендациях по установке.
Какой из этих способов будет более корректным?

Заранее благодарен!

Изображение
Реклама
Аватара пользователя
elalex
Сообщения: 7423
Зарегистрирован: 21 июл 2015, 08:08
Репутация: 591
Откуда: [email protected]
Контактная информация:

IT сеть после разделительного тр-ра и контроль изоляции

Сообщение elalex » 30 окт 2018, 10:24

1.Где эта ситуация и кто Вы в ней? Зачем разделительный транс?
2.В старом ПУЭ есть кое-что про разделительный трансформатор.
Не уверен, что там различают нулевой защитный проводник и заземление. Наверно, ПУЭ боится пробоя изоляции транса с первичной обмотки на заземленную вторичную, поэтому и запретило этотзпщемление.
3.В новом ПУЭ не припомню ничего про этот транс. Вы должны знать эти пункты лучше меня, напомните мне.
4.На выходе разд.транса должно быть стандартное УЗО 30мА.
5.РКИ-500 настроено на предельное сопротивление изоляции 500кОм. Не вижу ничего плохого, если было бы 50кОм.
6.РЕ для РКИ должно быть только из собственного заземления ТТ.
7.В целом затея с разд.трансом выглядит неразумной:
После транса ТП должно стоять УЗО. Зачем добавлять ещё 3 аппарата - разд. транс, УЗО, РКИ?
8.В мае 2017 я почему-то не вмешался в обсуждение дифзащиты в IT, готов теперь.
Одиночный свободный электрик
Опыт ремонтов квартир 20лет
Высшее электрическое образование
Бывший инженер-электрик
Пенсионер
64 года
Пишу для владельцев частного жилья
Запасной E–mail для россиян: [email protected]
Аватара пользователя
Yaroslav
Сообщения: 69
Зарегистрирован: 26 июл 2016, 23:25
Репутация: 6
Откуда: Санкт-Петербург
Контактная информация:

IT сеть после разделительного тр-ра и контроль изоляции

Сообщение Yaroslav » 30 окт 2018, 12:14

Забыл сказать, что у меня от РТ будут питаться несколько потребителей.

3. Пункты из ПУЭ про РТ:
1.7.73. Сверхнизкое (малое) напряжение (СНН) в электроустановках напряжением до 1 кВ
может быть применено для защиты от поражения электрическим током при прямом и/или
косвенном прикосновениях в сочетании с защитным электрическим разделением цепей или в
сочетании с автоматическим отключением питания.
В качестве источника питания цепей СНН в обоих случаях следует применять безопасный
разделительный трансформатор в соответствии с ГОСТ 30030 «Трансформаторы
разделительные и безопасные разделительные трансформаторы» или другой источник СНН,
обеспечивающий равноценную степень безопасности.
Токоведущие части цепей СНН должны быть электрически отделены от других цепей так,
чтобы обеспечивалось электрическое разделение, равноценное разделению между первичной
и вторичной обмотками разделительного трансформатора.
Проводники цепей СНН, как правило, должны быть проложены отдельно от проводников
более высоких напряжений и защитных проводников, либо отделены от них заземленным
металлическим экраном (оболочкой), либо заключены в неметаллическую оболочку
дополнительно к основной изоляции.
Вилки и розетки штепсельных соединителей в цепях СНН не должны допускать
подключение к розеткам и вилкам других напряжений.
Штепсельные розетки должны быть без защитного контакта.
При значениях СНН выше 25 В переменного или 60 В постоянного тока должна быть
также выполнена защита от прямого прикосновения при помощи ограждений или оболочек
или изоляции, соответствующей испытательному напряжению 500 В переменного тока в
течение 1 мин.
1.7.74. При применении СНН в сочетании с электрическим разделением цепей открытые
проводящие части не должны быть преднамеренно присоединены к заземлителю, защитным
проводникам или открытым проводящим частям других цепей и к сторонним проводящим
частям, кроме случая, когда соединение сторонних проводящих частей с
электрооборудованием необходимо, а напряжение на этих частях не может превысить
значение СНН.
СНН в сочетании с электрическим разделением цепей следует применять, когда при
помощи СНН необходимо обеспечить защиту от поражения электрическим током при
повреждении изоляции не только в цепи СНН, но и при повреждении изоляции в других
цепях, например, в цепи, питающей источник.
При применении СНН в сочетании с автоматическим отключением питания один из
выводов источника СНН и его корпус должны быть присоединены к защитному проводнику
цепи, питающей источник.
1.7.85. Защитное электрическое разделение цепей следует применять, как
правило, для одной цепи.
Наибольшее рабочее напряжение отделяемой цепи не должно превышать 500 В.
Питание отделяемой цепи должно быть выполнено от разделительного трансформатора,
соответствующего ГОСТ 30030 «Трансформаторы разделительные и безопасные
разделительные трансформаторы», или от другого источника, обеспечивающего
равноценную степень безопасности.
Токоведущие части цепи, питающейся от разделительного трансформатора, не должны
иметь соединений с заземленными частями и защитными проводниками других цепей.
Проводники цепей, питающихся от разделительного трансформатора, рекомендуется
прокладывать отдельно от других цепей. Если это невозможно, то для таких цепей
необходимо использовать кабели без металлической оболочки, брони, экрана или
изолированные провода, проложенные в изоляционных трубах, коробах и каналах при
условии, что номинальное напряжение этих кабелей и проводов соответствует наибольшему
напряжению совместно проложенных цепей, а каждая цепь защищена от сверхтоков.
Если от разделительного трансформатора питается только один электроприемник, то его
открытые проводящие части не должны быть присоединены ни к защитному проводнику, ни
к открытым проводящим частям других цепей.
Допускается питание нескольких электроприемников от одного разделительного
трансформатора при одновременном выполнении следующих условий:
1) открытые проводящие части отделяемой цепи не должны иметь электрической связи с
металлическим корпусом источника питания;
2) открытые проводящие части отделяемой цепи должны быть соединены между собой
изолированными незаземленными проводниками местной системы уравнивания
потенциалов, не имеющей соединений с защитными проводниками и открытыми
проводящими частями других цепей;
3) все штепсельные розетки должны иметь защитный контакт, присоединенный к местной
незаземленной системе уравнивания потенциалов;
4) все гибкие кабели, за исключением питающих оборудование класса II, должны иметь
защитный проводник, применяемый в качестве проводника уравнивания потенциалов;
5) время отключения устройством защиты при двухфазном замыкании на открытые
проводящие части не должно превышать время, указанное в табл. 1.7.2.

4.Что лучше: УЗО или РКИ? В моем представлении РКИ предотвратит аварию еще при снижении сопротивления изоляции.
Есть такие мысли (они могут оказаться неправильными): УЗО сравнивает ток и реагирует на разность, но чтобы разность получилась току куда-то надо уйти. Но куда? корпуса все соединены местной системой уравн. потенциалов, которая даже не заземлена. И все это находится за трансом.
РКИ же стравнивает не разность тока а сопротивление изоляции и в случае подключения клеммы PE к местной систему уравн. потенциалов оно будет мерить между проводом и корпусами.
5. Согласен. Лучше будет рассматривать РКИ-50, вместо РКИ-500
6. Есть у меня неуверенность и смутность по этому пункту. Может быть лучше подключить к местной системе уравнивания потенциалов?
Видел вот такую схему:
https://preview.ibb.co/hrh0Q0/image.png

Вот у меня и вопрос: УЗО или РКИ и как его подключать?

Заранее благодарен за ответ!
Последний раз редактировалось Yaroslav 30 окт 2018, 12:56, всего редактировалось 1 раз.
Аватара пользователя
elalex
Сообщения: 7423
Зарегистрирован: 21 июл 2015, 08:08
Репутация: 591
Откуда: [email protected]
Контактная информация:

IT сеть после разделительного тр-ра и контроль изоляции

Сообщение elalex » 30 окт 2018, 13:16

1.Отсутствие ответов на мои предыдущие вопросы отрицательно влияет на наличие и содержание моих комментариев. Проще говоря, я не могу и не хочу отвечать на всю кучу вариантов ситуаций с РТ. Скажем - одно дело, если это на заводе, и другое - если в частном доме. Ответы будут разные.
2.Разумность пунктов ПУЭ про СНН и РТ сомнительна.
3.Не знаю и знать не хочу ни о каком снижении сопротивления изоляции.
УЗО считает сопротивление изоляции 20кОм вполне достаточным для нормальной работы. Я - тоже.
4.Нет никакой пользы от устройства, предотвращающего аварию (скажем, КЗ) на защищаемом кабеле или аппарате, если после этого кабель или аппарат все равно нужно выбросить.
Типичный случай - противопожарное УЗО. Да, УЗО отключит вводной кабель до образования КЗ, но его все равно придётся выбросить, как негодный.
УЗО, конечно, предотвратит бОльшую аварию. Но отключение КЗ автоматом - не катастрофа.
По этому принципу я не вижу никакой пользы от применения всей святой троицы - РТ, УЗО после него, РКИ.
Последний раз редактировалось elalex 02 янв 2019, 06:39, всего редактировалось 2 раза.
Одиночный свободный электрик
Опыт ремонтов квартир 20лет
Высшее электрическое образование
Бывший инженер-электрик
Пенсионер
64 года
Пишу для владельцев частного жилья
Запасной E–mail для россиян: [email protected]
ПАВ
Сообщения: 7647
Зарегистрирован: 13 авг 2015, 19:54
Репутация: 923
Откуда: Одесса
Контактная информация:

IT сеть после разделительного тр-ра и контроль изоляции

Сообщение ПАВ » 30 окт 2018, 14:17

Много длинных цитат, не увидел/проворонил одно- о каком напряжении на выходе разделительного тр-ра речь?
В жизни все не так, как на самом деле...
Аватара пользователя
Yaroslav
Сообщения: 69
Зарегистрирован: 26 июл 2016, 23:25
Репутация: 6
Откуда: Санкт-Петербург
Контактная информация:

IT сеть после разделительного тр-ра и контроль изоляции

Сообщение Yaroslav » 30 окт 2018, 14:51

elalex. Извиняюсь! Был не прав. Данная ситуация на хим. предприятии в цеху с повышенной взрывоопасностью. (В прошлом году я про диф.защиту спрашивал применительно к другому объекту. Так она там и не появилась ввиду нецелесообразности)
Я - обслуживающий электромонтёр и мне начальство поручило установить дополнительное освещение ввиду установки дополнительного оборудования, расширения производства. Установка РТ здесь предписывается нормами.
2. Мне теперь тоже стало интересно поподробнее разузнать про IT систему. И про её опасность.
3. Если и даже не нужно в моей ситуации применение РКИ, мне бы хотелось разобраться, как подключать его в данной ситуации. (В целях образования)

ПАВ, тр-р 230/24 В
Аватара пользователя
TOPMO3
Сообщения: 4181
Зарегистрирован: 29 фев 2016, 10:37
Репутация: 626
Откуда: Ижевск
Контактная информация:

IT сеть после разделительного тр-ра и контроль изоляции

Сообщение TOPMO3 » 30 окт 2018, 19:51

Yaroslav писал(а):Источник цитаты ... вопрос: Если у меня светильник весит на железном столбе, который имеет связь с землей, и его корпус соприкасается. То тогда получается, что корпус светильника заземлен. Что, как гласят некоторые источники, делать нельзя. Как к этому относиться?
Устранить возможность прикасания ... изолировать от столба.
4.Что лучше: УЗО или РКИ?
Имхо ... ни один не лучше и не хуже ... они разные - не сравнимые ... оба нужны.
По-простому ... РКИ - защищает сеть ... УЗО - защищает человека.
ПАВ, тр-р 230/24 В
А какой смысл при напруге 24 вольт применять УЗО? Можно смело браться за два провода руками! :biggrin:
Смеюсь последний ... тормоз однако!
Аватара пользователя
Yaroslav
Сообщения: 69
Зарегистрирован: 26 июл 2016, 23:25
Репутация: 6
Откуда: Санкт-Петербург
Контактная информация:

IT сеть после разделительного тр-ра и контроль изоляции

Сообщение Yaroslav » 30 окт 2018, 20:18

Извините за безграмотность. Там должно было быть относиться.

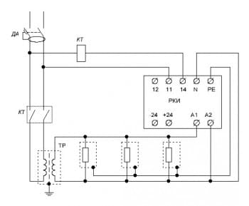
ТОРМОЗ, посоветуйте тогда, пожалуйста, как подключать РКИ. Клемму PE к чему подключать? К местной системе уравнивания потенциалов? Или к собственному контуру заземления?

Я думаю, хоть там и 24 В, но ток I=6,5А . Плясать будет хорошо если в цепь встать. А если просто схватится, то думаю ничего страшного не будет.
Последний раз редактировалось Yaroslav 30 окт 2018, 20:55, всего редактировалось 2 раза.
Аватара пользователя
TOPMO3
Сообщения: 4181
Зарегистрирован: 29 фев 2016, 10:37
Репутация: 626
Откуда: Ижевск
Контактная информация:

IT сеть после разделительного тр-ра и контроль изоляции

Сообщение TOPMO3 » 30 окт 2018, 20:43

Yaroslav писал(а):Источник цитаты 2. Как правильно обеспечить контроль изоляции с помощью РКИ-500.
Имхо ... Вам надо приобрести РКИ, допускающий для своей работы, напряжение равное напряжению защищаемой сети (в Вашем случае 24В).
Подключать полностью к контролируемой сети, линию РЕ прибора подключать к МСУ.
Вложения
00.JPG
Смеюсь последний ... тормоз однако!
Аватара пользователя
Yaroslav
Сообщения: 69
Зарегистрирован: 26 июл 2016, 23:25
Репутация: 6
Откуда: Санкт-Петербург
Контактная информация:

IT сеть после разделительного тр-ра и контроль изоляции

Сообщение Yaroslav » 30 окт 2018, 21:08

Реле РКИ-50, насколько я понял, позволяет использовать контролируемую сеть от 12В.
В тех. характеристиках написано, что измерительное напряжение =12В, хотя в разделе Конструкция указано, что прибор может питаться от контролируемой сети 230 В

image.jpeg


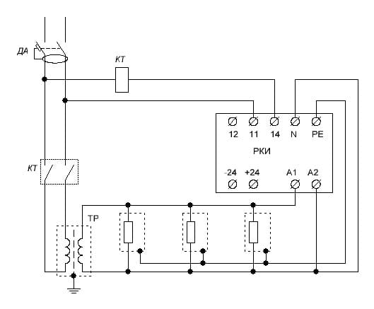
Схему подключения вы имеете в виду как на варианте 2? Если да, то как будет контролироваться пробой кабеля на землю, которая изолирована от корпуса прибора?

Изображение

Заранее благодарен за ответ!
Аватара пользователя
TOPMO3
Сообщения: 4181
Зарегистрирован: 29 фев 2016, 10:37
Репутация: 626
Откуда: Ижевск
Контактная информация:

IT сеть после разделительного тр-ра и контроль изоляции

Сообщение TOPMO3 » 30 окт 2018, 22:03

Yaroslav писал(а):Источник цитатыСхему подключения ...
Я вижу вот такой ...
000.jpg

... как будет контролироваться пробой кабеля на землю, которая изолирована от корпуса прибора?
РКИ контролирует величину сопротивления изоляции кабеля не относительно своего корпуса, а относительно ВСЕГО ...
При ухудшении изоляции контролируемой сети (всё что во вторичной обмотке) изменяется его емкость - на это изменение оно и реагирует.
Это типа емкостного датчика.
Смеюсь последний ... тормоз однако!
Аватара пользователя
Yaroslav
Сообщения: 69
Зарегистрирован: 26 июл 2016, 23:25
Репутация: 6
Откуда: Санкт-Петербург
Контактная информация:

IT сеть после разделительного тр-ра и контроль изоляции

Сообщение Yaroslav » 30 окт 2018, 23:44

ТОРМОЗ, спасибо! Теперь стало понятно.

Единственное, что остаётся под вопросом, это насколько безопасна IT система...
Аватара пользователя
TOPMO3
Сообщения: 4181
Зарегистрирован: 29 фев 2016, 10:37
Репутация: 626
Откуда: Ижевск
Контактная информация:

IT сеть после разделительного тр-ра и контроль изоляции

Сообщение TOPMO3 » 31 окт 2018, 07:35

Yaroslav писал(а):Источник цитатыЕдинственное, что остаётся под вопросом, это насколько безопасна IT система...
На сколько сложнее (и дороже) его организация. :pardon:
Смеюсь последний ... тормоз однако!
Аватара пользователя
elalex
Сообщения: 7423
Зарегистрирован: 21 июл 2015, 08:08
Репутация: 591
Откуда: [email protected]
Контактная информация:

IT сеть после разделительного тр-ра и контроль изоляции

Сообщение elalex » 31 окт 2018, 08:58

1.Принцип работы РКИ не раскрывается ни производителем, ни продавцами.
Смелое предположение, что оценивается ёмкость линии по емкостным токам утечки - не выдерживает критики. Получается, что провода, лежащие на земле, при достаточной длине могут вызвать срабатывание РКИ раньше, чем эти же провода, поднятые над землёй.
Или второй довод:
Ёмкость проводов напрямую зависит от относительной диэлектрической проницаемости изоляции, а она у изоляции около 2-3, а у воздуха - 1.
При снятии изоляции с проводов их ёмкость и емкостной ток утечки уменьшается, и это не может быть причиной срабатывания РКИ.
2.Вообще получается, что РКИ, как и мегоометр - прибор, оценивающий качество изоляции только по одному параметру - сопротивлению изоляции. Жилы могут быть местами оголены, но это может никак не отразится на РКИ и мегомметре. Другими словами, это - дерьмо, а не аппараты.
Как я уже описывал, на фабрике у моего отца голые жилы висели в металлической трубе, а мегометр показывал, что изоляция в норме.
Одиночный свободный электрик
Опыт ремонтов квартир 20лет
Высшее электрическое образование
Бывший инженер-электрик
Пенсионер
64 года
Пишу для владельцев частного жилья
Запасной E–mail для россиян: [email protected]
ПАВ
Сообщения: 7647
Зарегистрирован: 13 авг 2015, 19:54
Репутация: 923
Откуда: Одесса
Контактная информация:

IT сеть после разделительного тр-ра и контроль изоляции

Сообщение ПАВ » 31 окт 2018, 10:16

О работе РКИ, оно же УКИ- устройство контроля изоляции Электрон, писал, описание и принцип давно известен, интересно- найду справочник, покажу. Применяется в шахтах, рудниках, на судах, особенно танкерах, газовозах и проч. в системе питания с изолированной нейтралью до 400 вольт, при частоте до 500 Гц, на емкостную составляющую изоляции не реагирует, только активную.
В жизни все не так, как на самом деле...
Аватара пользователя
TOPMO3
Сообщения: 4181
Зарегистрирован: 29 фев 2016, 10:37
Репутация: 626
Откуда: Ижевск
Контактная информация:

IT сеть после разделительного тр-ра и контроль изоляции

Сообщение TOPMO3 » 31 окт 2018, 11:08

elalex писал(а):Источник цитаты 1.Принцип работы РКИ не раскрывается ни производителем, ни продавцами.
Сударь ... Вы не у тех ищете инфу ... забейте в поиск "принцип работы РКИ", ответы будут и от производителей и от всяких "электриков-теоретиков".
Смелое предположение, что оценивается ёмкость линии по емкостным токам утечки - не выдерживает критики.
Нууу ... Вам виднее, наверно ... я лично ваабще ничего не знал о этих приборах (акромя того, что они существуют) ... почитал, выложил сюда и нив коем случае не претендую на авторство. :pardon:
Смеюсь последний ... тормоз однако!
Аватара пользователя
Yaroslav
Сообщения: 69
Зарегистрирован: 26 июл 2016, 23:25
Репутация: 6
Откуда: Санкт-Петербург
Контактная информация:

IT сеть после разделительного тр-ра и контроль изоляции

Сообщение Yaroslav » 31 окт 2018, 13:52

ПАВ, можете ли вы найти этот справочник по УКИ. Интересно.

ПАВ писал(а):на емкостную составляющую изоляции не реагирует, только активную.

Можете по подробнее рассказать про этот пункт? Тогда на что он будет реагировать, а на что не будет?

Заранее благодарен!
ПАВ
Сообщения: 7647
Зарегистрирован: 13 авг 2015, 19:54
Репутация: 923
Откуда: Одесса
Контактная информация:

IT сеть после разделительного тр-ра и контроль изоляции

Сообщение ПАВ » 31 окт 2018, 14:31

Yaroslav писал(а):Источник цитаты ПАВ, можете ли вы найти этот справочник по УКИ. Интересно.

ПАВ писал(а):на емкостную составляющую изоляции не реагирует, только активную.

Можете по подробнее рассказать про этот пункт? Тогда на что он будет реагировать, а на что не будет?

Заранее благодарен!


Это не справочник по УКИ, это тема в "Справочнике судового электромеханика и электрика", изд. Транспорт,М,1986.
Так и написано- реагирует только на активное сопротивление изоляции, и не реагирует на емкостное сопротивление фаз относительно корпуса судна.
В жизни все не так, как на самом деле...
Аватара пользователя
elalex
Сообщения: 7423
Зарегистрирован: 21 июл 2015, 08:08
Репутация: 591
Откуда: [email protected]
Контактная информация:

IT сеть после разделительного тр-ра и контроль изоляции

Сообщение elalex » 31 окт 2018, 14:44

В свете последних данных науки - на судах, где кабели пробиты к металлу - нет никакой разницы в системах TN и IT.
Одиночный свободный электрик
Опыт ремонтов квартир 20лет
Высшее электрическое образование
Бывший инженер-электрик
Пенсионер
64 года
Пишу для владельцев частного жилья
Запасной E–mail для россиян: [email protected]
ПАВ
Сообщения: 7647
Зарегистрирован: 13 авг 2015, 19:54
Репутация: 923
Откуда: Одесса
Контактная информация:

IT сеть после разделительного тр-ра и контроль изоляции

Сообщение ПАВ » 31 окт 2018, 14:47

Вы такое хоть раз видели, вы вообще судовые сети видели, или так- в свете посвистеть?
В жизни все не так, как на самом деле...


  • Реклама

Вернуться в «Заземление и молниезащита»

Кто сейчас на конференции

Сейчас этот форум просматривают: нет зарегистрированных пользователей и 11 гостей