инфу - по мощности и т.д. ... можно узнать?Tiric писал(а):Источник цитаты ... подсветку из 3х RGB летн 5050-30.
GT 666Контроллер Technische Daten: Выход: 3 Канала Ток: 6 A (jeder Kanal) Мощность: 12V: <216W, 24V: <432W.
Cерия NES-350.Блок питания 12V 25A 300W.
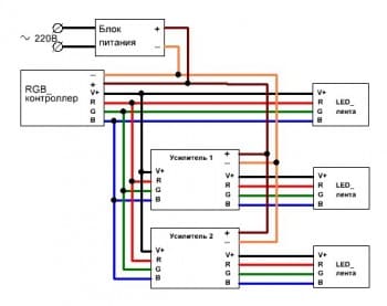
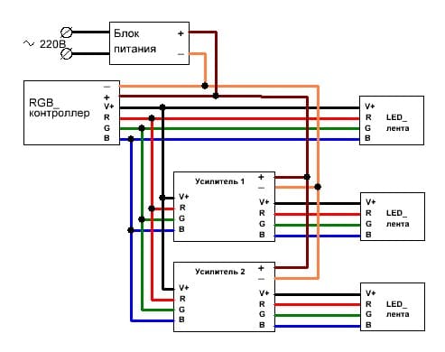
Модель какая?Усилитель
Versorgungsspannung: DC 12V
Strom, Eingang: 1-12A
Maximaler Ausgangsstrom: 4A x 3CH 12A
Maximale Ausgangsleistung: 144W.
Оставьте подключенным только одну ленту (без усилителя) и проверьте работу контроллера.... одну ленту подключил на прямую к контроллеру две другие через усилитель. Всё подключил как написано в интернете параллельно но у меня все 3 ленты горят разными цветами. Только красный дают все три одновременно, а остальные цвета как попало. Иногда 2 лента отключается а остальные горят. Сменишь цвет 2 снова загорается. В чем проблема я не знаю. Подскажите!!!

Ну теперь попробуйте одним, дополнительно подключенным усилителем ... поочередно. Выясните когда проявляются проблемы.Tiric писал(а):Источник цитаты Если оставить одну ленту на прямую к контроллеру то все работает. Цвета меняет согласно пультику.
Вернуться в «Освещение и источники света»
Сейчас этот форум просматривают: нет зарегистрированных пользователей и 14 гостей