помогите собрать щиток на 380

Проектирование внутреннего электроснабжения квартир, домов, коттеджей и т.п. Нормы, типовые проекты, расчеты, делимся своими проектами.
новичооок
Сообщения: 1
Зарегистрирован: 14 май 2019, 19:26
Репутация: 0
Контактная информация:

помогите собрать щиток на 380

Сообщение новичооок » 14 май 2019, 19:42

Здравствуйте) помогите собрать щиток на 380, туда будут подсоединены электродвигатель на 7.5квт, светодиодное освещение склада и розетки) нарисуйте схему и какие нужны автоматы) заранее спасибо!
Реклама
Аватара пользователя
elalex
Сообщения: 7423
Зарегистрирован: 21 июл 2015, 08:08
Репутация: 591
Откуда: [email protected]
Контактная информация:

помогите собрать щиток на 380

Сообщение elalex » 14 май 2019, 21:09

У меня стандартный набор вопросов:
Кто Вы в этом деле? Какой Ваш интерес?
Насколько Вы и руководство заинтересовано в сохранности электрооборудования и жизни работников склада? Что там за самое дорогое электрооборудование? Компьютеры?
Одиночный свободный электрик
Опыт ремонтов квартир 20лет
Высшее электрическое образование
Бывший инженер-электрик
Пенсионер
64 года
Пишу для владельцев частного жилья
Запасной E–mail для россиян: [email protected]
Аватара пользователя
TOPMO3
Сообщения: 4181
Зарегистрирован: 29 фев 2016, 10:37
Репутация: 626
Откуда: Ижевск
Контактная информация:

помогите собрать щиток на 380

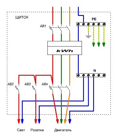
Сообщение TOPMO3 » 15 май 2019, 18:08

новичооок писал(а):Источник цитаты Здравствуйте) помогите собрать щиток на 380, туда будут подсоединены электродвигатель на 7.5квт, светодиодное освещение склада и розетки) нарисуйте схему и какие нужны автоматы) заранее спасибо!
Нам схему нарисовать, как пальцем об асфальт ... инфы маловато.
Свет весь, будет одним выключателем отключаться?
Розеток сколько?
Что известно про заземление? Дифзащиту предусматриваете?
Питающий кабель откуда идет ... из ТП или из другого, Вашего же объекта?
Учет будет?
Аппаратура питания, защиты и управления двигателем будут установлены в этом же щитке?
Вложения
00000.jpg
Смеюсь последний ... тормоз однако!
Аватара пользователя
tupos
Сообщения: 1344
Зарегистрирован: 10 авг 2015, 13:36
Репутация: 303
Откуда: Шадринск
Контактная информация:

помогите собрать щиток на 380

Сообщение tupos » 16 май 2019, 09:34

TOPMO3, нуль присоедините через клемму электросчетчика, и будет достаточно одной шины. И проблем со сбытом не будет. Групповые автоматы подключить пофазно
ПРАВИЛА: http://forum-electrikov.ru/ucp.php?mode=terms
Аватара пользователя
Константин
Сообщения: 3464
Зарегистрирован: 16 сен 2015, 10:19
Репутация: 851
Откуда: Новосибирская область
Контактная информация:

помогите собрать щиток на 380

Сообщение Константин » 16 май 2019, 15:56

tupos, У TOPMO3, все правильно зарисовано. И не каких проблем не должно быть.


  • Реклама

Вернуться в «Проектирование внутреннего электроснабжения»

Кто сейчас на конференции

Сейчас этот форум просматривают: нет зарегистрированных пользователей и 9 гостей