remnko писал(а):Источник цитаты 1. при обрыве нуля в розетках получаю 380В
remnko писал(а):Источник цитаты 2. при обрыве нуля получаю 380В на корпусах (станки, оборудование, ПК, микроволновки и т.п.)
remnko писал(а):Источник цитаты 3. УЗО может не сработать при пробое на корпус станка или оборудования
remnko писал(а):Источник цитаты 4. на корпусе в выпрям.фильтрах блоков витания получается 110В (конденсаторы), и при случае можно получить удар током, т.к. оно не снимается никуда
remnko писал(а):Источник цитаты 5. Что за пункт ПУЭ описывают систему ТТ и ситсему с 4 кабелями без разделения?
remnko писал(а):Источник цитаты Подскажите, пожалуйста, что за пункты, которые описывают заземление ТТ, его существование и возможность, а также, что за заземление, когда заходит 4 кабеля (TN-C, типа).
И сработает ли УЗО, если заземление зацеплено на ноль?
remnko писал(а):Источник цитаты также, что за заземление, когда заходит 4 кабеля (TN-C, типа)
Во-первых, не надо путать разные понятия ... "зануление" и "заземление".remnko писал(а):Источник цитатыПроблема непростая... есть производственное здание,
в него заходит 4 провода, 3 фазы + ноль. У меня в помещении отдельный ЩР, где ноль также идет на корпус щитка и заземление розеток. Разделение ноля нигде не сделано.
Собственник настаивает, чтобы я заземлял станки на ноль. А чтобы не получить удар током предлагает мне поставить УЗО.
Ставьте реле напряжения ... если не верите кабелю под землей.Меня беспокоит безопасность:
1. при обрыве нуля в розетках получаю 380В
2. при обрыве нуля получаю 380В на корпусах (станки, оборудование, ПК, микроволновки и т.п.)
Сработает автомат питающий соответствующий станок.3. УЗО может не сработать при пробое на корпус станка или оборудования.
У Вас корпус будет занулен ... туды и стекет!4. на корпусе в выпрям.фильтрах блоков питания получается 110В (конденсаторы), и при случае можно получить удар током, т.к. оно не снимается никуда.
Зачем на производстве система ТТ?5. Что за пункт ПУЭ описывают систему ТТ и ситсему с 4 кабелями без разделения?
TOPMO3 писал(а):Во-первых, не надо путать разные понятия ... "зануление" и "заземление".remnko писал(а):Источник цитатыПроблема непростая... есть производственное здание,
в него заходит 4 провода, 3 фазы + ноль. У меня в помещении отдельный ЩР, где ноль также идет на корпус щитка и заземление розеток. Разделение ноля нигде не сделано.
Собственник настаивает, чтобы я заземлял станки на ноль. А чтобы не получить удар током предлагает мне поставить УЗО.
Во-вторых, отчасти хозяин прав ... у вас производственное помещение, а не жилое ... требования разные и УЗО там не потребуется, как я понимаю он его предлагает ставить только чтоб успокоить Вас лично.
Ставьте реле напряжения ... если не верите кабелю под землей.Меня беспокоит безопасность:
1. при обрыве нуля в розетках получаю 380В
2. при обрыве нуля получаю 380В на корпусах (станки, оборудование, ПК, микроволновки и т.п.)Сработает автомат питающий соответствующий станок.3. УЗО может не сработать при пробое на корпус станка или оборудования.У Вас корпус будет занулен ... туды и стекет!4. на корпусе в выпрям.фильтрах блоков питания получается 110В (конденсаторы), и при случае можно получить удар током, т.к. оно не снимается никуда.Зачем на производстве система ТТ?5. Что за пункт ПУЭ описывают систему ТТ и ситсему с 4 кабелями без разделения?![]()
Питание конторы (кабинеты всякие) можете делать по системе ТНСЦ, "разделив" после автомата и после него поставив УЗО или один дифавтомат.
ТОЭ писал(а):Источник цитаты 4. на корпусе в выпрям.фильтрах блоков питания получается 110В (конденсаторы), и при случае можно получить удар током, т.к. оно не снимается никуда.У Вас корпус будет занулен ... туды и стекет!
кви-45 писал(а):TOPMO3 » Сегодня, 10:03
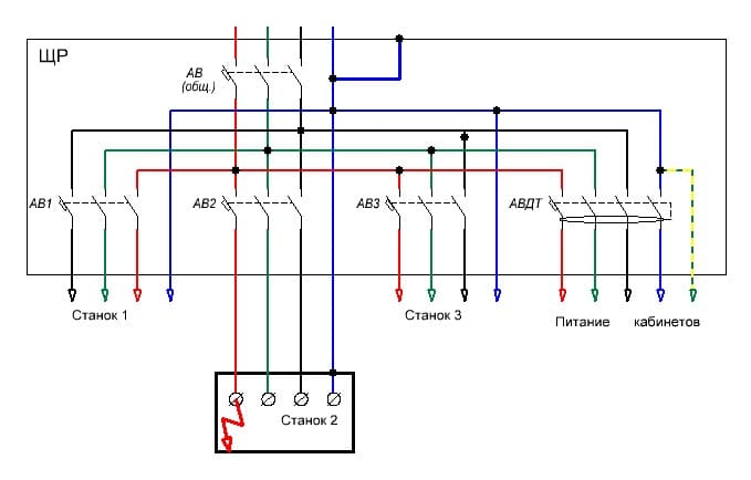
1) Не совсем согласен со схемой. По периметру производственных помещений обязательно надо делать уравнительный контур из полосы , как предлагал Константин, к которому необходимо подключать все им перечисленное. Этот контур заземления должен присоединяться сваркой на ТП или в Водном устройстве .ТОЭ писал(а):Источник цитаты 4. на корпусе в выпрям.фильтрах блоков питания получается 110В (конденсаторы), и при случае можно получить удар током, т.к. оно не снимается никуда.У Вас корпус будет занулен ... туды и стекет!
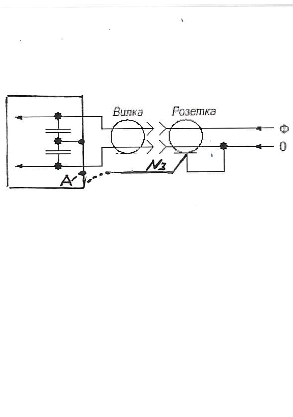
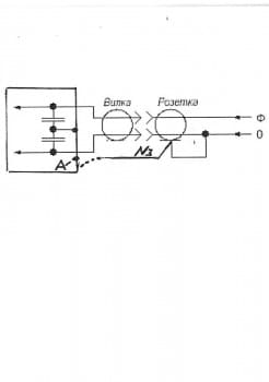
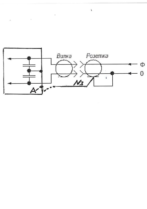
2) Корпус должен быть обязательно заземлен , если корпус будет занулен отдельным зануляющим проводником , то возможны два варианта. 1-й - Если вилка так включена , что фаза и нуль рабочий приходят на потребитель , а зануляющий проводник на корпус , то будет все нормально. При втором варианте , когда вы перевернете вилку у вас нуль рабочий уйдет к потребителю , а зануляющий проводник и фаза попадут на корпус , где будет КЗ.
3)Для схемы кабинетов Нужен повторный заземлитель.
ТОЭ писал(а):Источник цитаты Это не ТОЭ писал, а ТОРМОЗ.А к Вам тоже вопрос. Все-таки в нормах нет требований повторного заземлителя для кабинетов, хотя кто умудряется это сделать ничего не нарушает
Не удивительно, так как не задавался рисовать ни принципиальной, ни монтажной схемы, а только для показа общего принципа и направления перед проектированием её, согласно местных условий и оборудования.ТОЭ писал(а):Источник цитатыВсе-таки к вашей схеме есть вопросы (в отличие от схемы Константина).
Вам предоставят два конца проводников ... Вы сможете определить (не заглядывая в места их присоединения) какой из них N, а который PE?1- На станке может стоять шкаф управления где нужен будет и N и РЕ.
А у бабушки могет быть борода ... мы что рассматриваем проект? Зачем "гадалки" устраивать?2-Кабель может быть меньше 16мм2 Аl или 10мм2 меди, тогда опять РЕN - нельзя.
А какое условное обозначение "уравнительного контура"? То что оно имеется можно догадаться по тому, что все станки и корпуса (на моей схеме) занулены ... повторюсь не задавался рисовать монтажную схему ...кви-45 писал(а):Источник цитаты1) Не совсем согласен со схемой. По периметру производственных помещений обязательно надо делать уравнительный контур из полосы , как предлагал Константин, к которому необходимо подключать все им перечисленное. Этот контур заземления должен присоединяться сваркой на ТП или в Водном устройстве .
Ничего не понял о чем речь ... бум надеяться, что хоть сами себя понимаете ... посмотрите на рисунок, где тут КЗ?2) Корпус должен быть обязательно заземлен , если корпус будет занулен отдельным зануляющим проводником , то возможны два варианта. 1-й - Если вилка так включена , что фаза и нуль рабочий приходят на потребитель , а зануляющий проводник на корпус , то будет все нормально. При втором варианте , когда вы перевернете вилку у вас нуль рабочий уйдет к потребителю , а зануляющий проводник и фаза попадут на корпус , где будет КЗ.
3)Для схемы кабинетов Нужен повторный заземлитель.
Зачем, откуда такие требования? Укажите нормативку, где именно? что при переходе на TN-C-S, требуется "повторка".Насчет повторного заземлителя. Он обязательно нужен по нормам при разделения ПЕН проводника для перехода к системе TN-C-S, где бы она не устраивалась. Я просто конкретизировал место на схеме.
Вам предоставят два конца проводников ... Вы сможете определить (не заглядывая в места их присоединения) какой из них N, а который PE?ТОЭ писал(а):Источник цитаты
Я так и предполагал, что у Вас имеется такой станок, умеющий определять функциональность проводников по цветовой маркировке.Цветовую маркировку никто не отменял

TOPMO3 писал(а):Источник цитаты Я так и предполагал, что у Вас имеется такой станок, умеющий определять функциональность проводников по цветовой маркировке
TOPMO3 писал(а):Источник цитаты Ничего не понял о чем речь ... бум надеяться, что хоть сами себя понимаете ... посмотрите на рисунок, где тут КЗ?
TOPMO3 писал(а):Источник цитаты Зачем, откуда такие требования? Укажите нормативку, где именно? что при переходе на TN-C-S, требуется "повторка"
TOPMO3 писал(а):Источник цитаты Вам чо, не достаточно заземленного контура в производственном помещении, который также соединен с нейтралью?!
А если он перепутает ... станок "откажется" работать?ТОЭ писал(а):Источник цитатыФункциональность должен определить электрик подключающий станокTOPMO3 писал(а):Источник цитаты Я так и предполагал, что у Вас имеется такой станок, умеющий определять функциональность проводников по цветовой маркировке
Предлагаете весь ГОСТ перечитывать ... не судьба (если Вы так уверены, что там такое есть) указать главу или раздел?кви-45 писал(а):Источник цитатыПосмотрите ГОСТ Р 50571.5.54-2013TOPMO3 писал(а):Источник цитаты Зачем, откуда такие требования? Укажите нормативку, где именно? что при переходе на TN-C-S, требуется "повторка"
Не надо тупить ... к приходящему нулю подключены и автоматы и контур, который в свою очередь заземлен.Не понял, вы что предлагаете контур заземления в производственном помещении использовать в качестве ПЕН проводника?TOPMO3 писал(а):Источник цитаты Вам чо, не достаточно заземленного контура в производственном помещении, который также соединен с нейтралью?!
кви-45 писал(а):ГОСТ Р 50571.5.54-2013Источник цитаты
TOPMO3 писал(а):Источник цитаты А если он перепутает ... станок "откажется" работать?
TOPMO3 писал(а):Источник цитаты Предлагаете весь ГОСТ перечитывать ... не судьба (если Вы так уверены, что там такое есть) указать главу или раздел? Лично я не собираюсь искать отсутствующую "кошку".
TOPMO3 писал(а):Источник цитаты Не надо тупить ... к приходящему нулю подключены и автоматы и контур, который в свою очередь заземлен.
ТОЭ писал(а):Источник цитаты раз таки там, как и в ПУЭ написано 542.1.2 примечания " Для электроустановки не требуется свой собственный заземлитель"
Я вижу, что Вы разбираетесь в электрике, но пытаетесь оспорить или не признавать очевидного, исходящего из норм.[/quote]Того же мнения придерживаюсь и я ... только по Вашему поводу.ТОЭ писал(а):Источник цитаты[/quote="ТОРМОЗ"]А если он перепутает ... станок "откажется" работать?
Про какое разделение ведете речь?1-После разделения PEN на РЕ и N, объединять их т.е. путать и сажать как попало нельзя.
Перестаньте гадать о дифзащите ... при такой системе она запрещена (ПУЭ, п 1.7.80.).2- в питающей линии может стоять дифзащита (значит все отключится и не надо про бабушек с бородой).
TOPMO3 писал(а):Источник цитаты Зачем на производстве система ТТ?
TOPMO3 писал(а):Источник цитаты Вам предоставят два конца проводников ... Вы сможете определить (не заглядывая в места их присоединения) какой из них N, а который PE?
TOPMO3 писал(а):Источник цитаты Ничего не понял о чем речь ... бум надеяться, что хоть сами себя понимаете ... посмотрите на рисунок, где тут КЗ?
Вернуться в «Заземление и молниезащита»
Сейчас этот форум просматривают: нет зарегистрированных пользователей и 14 гостей