Электротравма на даче

Прикрепляем фото и обсуждаем ошибки электромонтажа из своей практики.
Аватара пользователя
A.Li
Сообщения: 1766
Зарегистрирован: 03 дек 2015, 09:02
Репутация: 69
Откуда: Омская обл.
Контактная информация:

Электротравма на даче

Сообщение A.Li » 31 июл 2020, 21:50

кви-45 писал(а):Источник цитаты ухватился за заземленную железку и его убило.

Последствие отсутствия УЗО. В нашем санатории сначала поставили потом поубирали УЗО из - за частых срабатываний. Кому надо разбираться.

Отсутствие здравого смысла и только. Плюс- неизвестное состояние кабеля.
Реклама
Аватара пользователя
кви-45
Сообщения: 714
Зарегистрирован: 25 окт 2015, 20:31
Репутация: 254
Контактная информация:

Электротравма на даче

Сообщение кви-45 » 17 авг 2020, 22:49

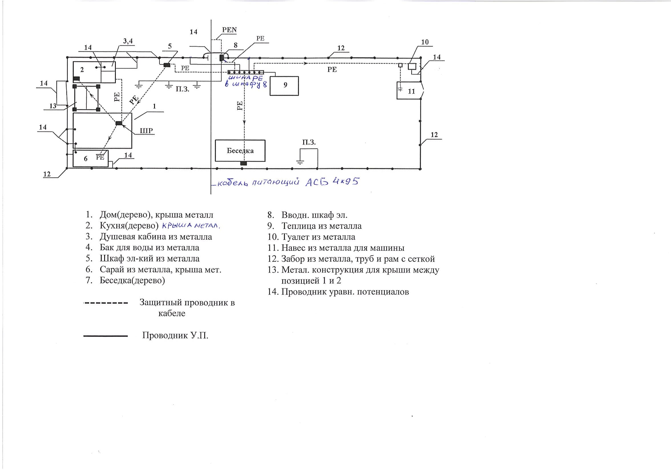
200817135628_0001.jpg


Прорабатывая эту тему решил переделать систему заземления у себя на садовом участке . Вот предлагаю на рассмотрение такой вариант. У кого будут какие замечания , предложения.
За электробезопасность необходимо ПЛАТИТЬ,
за ее отсутствие РАСПЛАЧИВАТЬСЯ!
Аватара пользователя
A.Li
Сообщения: 1766
Зарегистрирован: 03 дек 2015, 09:02
Репутация: 69
Откуда: Омская обл.
Контактная информация:

Электротравма на даче

Сообщение A.Li » 19 авг 2020, 02:43

Если интересно на мой дилетантский взгляд все ок , лучше чем на коммерческих объектах где шныряют постоянно инспекции ! Вот только не достаточно ли и не проще ли для молниеотвода возле каждого объекта где не подведено электричество забить трубу/уголок на метр/полтора ? Вы наверняка и проверили УЗО и заземление на работоспособность сымитировав утечку током срабатывания УЗО ? И УЗИПы стоят ? И какое у Вас образование ?
ПАВ
Сообщения: 7647
Зарегистрирован: 13 авг 2015, 19:54
Репутация: 923
Откуда: Одесса
Контактная информация:

Электротравма на даче

Сообщение ПАВ » 19 авг 2020, 07:23

Ну а туалет то зачем заземлять? Как вам удалось заземлить мет. крышу дома, точнее- как удалось создать хороший и постоянный контакт между отдельными элементами кровли? Или как вы решили эту задачу?
В жизни все не так, как на самом деле...
Аватара пользователя
кви-45
Сообщения: 714
Зарегистрирован: 25 окт 2015, 20:31
Репутация: 254
Контактная информация:

Электротравма на даче

Сообщение кви-45 » 19 авг 2020, 23:10

A.Li писал(а):Источник цитаты Вот только не достаточно ли и не проще ли для молниеотвода возле каждого объекта где не подведено электричество забить трубу/уголок на метр/полтора ?

A.Li , вопрос по молниеотводу , конечно важный , но я его пока не рассматриваю ,так как наши участки расположены на просеке , с двух сторон которой растут высокие сосны и за 35 лет никаких неприятностей от молний у нас не было. Насчет Вашего предложения забить трубу согласен проще , а вот насчет достаточности надо проверить расчетом.

A.Li писал(а):Источник цитаты Вы наверняка и проверили УЗО и заземление на работоспособность сымитировав утечку током срабатывания УЗО ?

Да проверил у нас есть хороший прибор для поверки УЗО , которым можно проверить ток утечки до 300 мА , а также , что очень важно время срабатывания.

A.Li писал(а):Источник цитаты И УЗИПы стоят ?

Схему электроснабжения переделывал лет10 назад. Исходил из того что питающий кабель в земле , кабели на участке проложены также в земле , поэтому УЗИПЫ не ставил.

A.Li писал(а):Источник цитаты И какое у Вас образование ?

Высшее электротехническое.

ПАВ писал(а):Источник цитаты Ну а туалет то зачем заземлять?

Согласен можно было и не заземлять РЕ проводником кабеля подведенного для освещения туалета , Так как каркас туалета , соединен с мет. забором , который защитным проводником подсоединен к РЕ шине вводного шкафа. Но я подумал , а вдруг отсоединят защитный проводник(что конечно мало вероятно) присоединяющий мет. забор к РЕ шине и тогда мет. корпус туалета потеряет связь с глухозаземленной нейтралью системы и как результат при попадании фазы на корпус туалета защитный автомат может не сработать. Во общем это мои заморочки.
За электробезопасность необходимо ПЛАТИТЬ,
за ее отсутствие РАСПЛАЧИВАТЬСЯ!
Аватара пользователя
кви-45
Сообщения: 714
Зарегистрирован: 25 окт 2015, 20:31
Репутация: 254
Контактная информация:

Электротравма на даче

Сообщение кви-45 » 20 авг 2020, 00:00

ПАВ писал(а):Источник цитаты Как вам удалось заземлить мет. крышу дома, точнее- как удалось создать хороший и постоянный контакт между отдельными элементами кровли? Или как вы решили эту задачу?

На крыше дома у меня листы из нержавейки , там вопросов нет , а на крыше кухни , сарая и на мет. заборе шурупами. Только обязательно проверяю сопротивление заземления. Где-то вот так , только металлический короб кладу поперек.

крепление МП.jpg
За электробезопасность необходимо ПЛАТИТЬ,
за ее отсутствие РАСПЛАЧИВАТЬСЯ!
Аватара пользователя
A.Li
Сообщения: 1766
Зарегистрирован: 03 дек 2015, 09:02
Репутация: 69
Откуда: Омская обл.
Контактная информация:

Электротравма на даче

Сообщение A.Li » 20 авг 2020, 21:58

кви-45 писал(а):Источник цитаты На крыше дома у меня листы из нержавейки , там вопросов нет

Извините не пойму зачем заземлять крышу (или др. подобные элементы) по которым не проходит электролиния ? Я сначала подумал что это от молнии на всяк.случ.
ПАВ
Сообщения: 7647
Зарегистрирован: 13 авг 2015, 19:54
Репутация: 923
Откуда: Одесса
Контактная информация:

Электротравма на даче

Сообщение ПАВ » 21 авг 2020, 07:08

А к туалету вопросов нет?
Всяко видел, но крыша из нержавейки :pardon: не понимаю...
В жизни все не так, как на самом деле...
Аватара пользователя
кви-45
Сообщения: 714
Зарегистрирован: 25 окт 2015, 20:31
Репутация: 254
Контактная информация:

Электротравма на даче

Сообщение кви-45 » 21 авг 2020, 21:59

A.Li писал(а):Источник цитаты Я сначала подумал что это от молнии на всяк.случ.

Нет этот вопрос пока не рассматривал по причине указанной выше , но надо разобраться.

A.Li писал(а):Источник цитаты Извините не пойму зачем заземлять крышу (или др. подобные элементы) по которым не проходит электролиния ?

А я крыши и не заземлял , у меня так получилось , что рядом скопились и элементы относящиеся к сторонним проводящим частям (п.1.7.10 ПУЭ - это металлические крыши дома, кухни) и элементы относящиеся к открытым проводящим частям (п. 1.7.9 ПУЭ - мет. каркасы сарая , душа , бака с водой , на которых расположены различные эл. приборы , эл. нагреватель , а также мет. забор , соединенный с глухозаземленной нейтралью через шину РЕ вводного шкафа. Поэтому я для электробезопасности при помощи проводников уравнивания потенциалов (14) сделал систему уравнивания потенциалов , которая к тому же через металлический забор имеет связь и с повторным заземлителем. (п.1.7.83. ПУЭ)

ПАВ писал(а):Источник цитаты Всяко видел, но крыша из нержавейки не понимаю...


Да ничего непонятного здесь нет. Если Вы заметили у меня вообще много металла. Это все отголоски 90-тых. Тогда много предприятий разваливалось и все распродавалось по дешевке , вот и подсуетился.
За электробезопасность необходимо ПЛАТИТЬ,
за ее отсутствие РАСПЛАЧИВАТЬСЯ!


  • Реклама

Вернуться в «Ошибки электромонтажа или "как не надо делать"»

Кто сейчас на конференции

Сейчас этот форум просматривают: нет зарегистрированных пользователей и 10 гостей