REX C100

Выбор и схемы подключения контакторов, пускателей, реле, различных датчиков, кнопок управления, переключателей и т.п.
Аватара пользователя
Константин
Сообщения: 3464
Зарегистрирован: 16 сен 2015, 10:19
Репутация: 851
Откуда: Новосибирская область
Контактная информация:

REX C100

Сообщение Константин » 25 сен 2020, 18:13

Всем привет! Давно не заходил сюда.Все некогда.
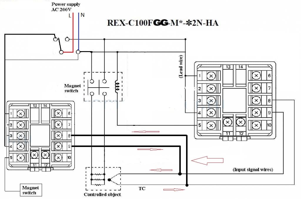
Возникла такая проблема использование двух термоконтролеров REX C100 подключенных к одной термопаре К типа в муфельной термопечи. Нужно это для работы на разных температурных режимов 650 гр.С и 1100гр. С. Персонал который пользуется данной печкой не понимает как корректировать параметры работы REX C100. И раз за разом тыкают там, что попало. Ломая весь алгоритм работы. Установить еще одну термопару нет возможности так как нужно проделать отверстие через камеру. Вехралевый нагреватель где то залит в корпусе и как уложен не известен.Есть риск повредить при сверлении. Есть идея установить второй контроллер и организовать работу с помощью механического переключения(вкл-выкл) контроллеров запрограмированных на определенную работу(1й-650гр,2й-1100гр) Но как сделать так что бы контроллеры будучи подключенные к одной термопаре не измеряли внутреннее сопротивления друг друга во время работы. Так как подобное подключения 100% даст данный эффект. Из за этого показания будут черти что.
предполагаемая схема
24565.56482.jpg
Реклама
Аватара пользователя
TOPMO3
Сообщения: 4181
Зарегистрирован: 29 фев 2016, 10:37
Репутация: 626
Откуда: Ижевск
Контактная информация:

REX C100

Сообщение TOPMO3 » 08 ноя 2020, 20:06

Константин писал(а):Источник цитаты... Но как сделать так что бы контроллеры будучи подключенные к одной термопаре не измеряли внутреннее сопротивления друг друга во время работы. Так как подобное подключения 100% даст данный эффект. Из за этого показания будут черти что.
Мне кажется, Вы ошибаетесь ... контроллеры измеряют не сопротивление термопары, а напряжение вырабатываемое этой термопарой. Перед Вами стояла задача - определить входное сопротивление "выключенного" контроллера (8-9) ... чтобы часть напруги от термопары не "утекало" в сторону.
Смеюсь последний ... тормоз однако!
ПАВ
Сообщения: 7647
Зарегистрирован: 13 авг 2015, 19:54
Репутация: 923
Откуда: Одесса
Контактная информация:

REX C100

Сообщение ПАВ » 09 ноя 2020, 10:42

+100500, правда, читать некому...
В жизни все не так, как на самом деле...
Аватара пользователя
Константин
Сообщения: 3464
Зарегистрирован: 16 сен 2015, 10:19
Репутация: 851
Откуда: Новосибирская область
Контактная информация:

REX C100

Сообщение Константин » 17 ноя 2020, 18:00

TOPMO3 писал(а):Источник цитаты
Константин писал(а):Источник цитаты... Но как сделать так что бы контроллеры будучи подключенные к одной термопаре не измеряли внутреннее сопротивления друг друга во время работы. Так как подобное подключения 100% даст данный эффект. Из за этого показания будут черти что.
Мне кажется, Вы ошибаетесь ... контроллеры измеряют не сопротивление термопары, а напряжение вырабатываемое этой термопарой. Перед Вами стояла задача - определить входное сопротивление "выключенного" контроллера (8-9) ... чтобы часть напруги от термопары не "утекало" в сторону.

Мне не известно внутреннее устройство этого контролера.Может и генерируемое напряжение термопарой. Не знаю точно. Допустим это будет измерение напряжение.Тогда все ровно особо ничего не изменится.Почему:Из за термопотерь. Так как релейные контакты на всех переключателях и т.п не изготавливаются из термокомпенсационного металла.В итоге я получу такую же лабурду в показаниях так если бы данный контроллер измерял сопротивление термопары.
ПАВ
Сообщения: 7647
Зарегистрирован: 13 авг 2015, 19:54
Репутация: 923
Откуда: Одесса
Контактная информация:

REX C100

Сообщение ПАВ » 17 ноя 2020, 19:56

О каких переключателях, если смотреть схему, речь? Есть два прибора и одна ТП. О каких термопотерях речь? Лабуда будет не такая- процесс измерений разный немного.
В жизни все не так, как на самом деле...
Аватара пользователя
Константин
Сообщения: 3464
Зарегистрирован: 16 сен 2015, 10:19
Репутация: 851
Откуда: Новосибирская область
Контактная информация:

REX C100

Сообщение Константин » 18 ноя 2020, 18:36

ПАВ писал(а):Источник цитаты О каких переключателях, если смотреть схему, речь? Есть два прибора и одна ТП. О каких термопотерях речь? Лабуда будет не такая- процесс измерений разный немного.

Я второй вариант не описывал.1 который изобразил на схеме. Переключатель на цепи эл. питания. 2й предпологаемо был в цепи термопары. Просто в тему никто не заходил и развивать её дальше не стал.
Термопара будет "К" типа. Да большинство контроллеров с такой термопарой измеряют напряжение,а если точно то опорный ток.
Аватара пользователя
TOPMO3
Сообщения: 4181
Зарегистрирован: 29 фев 2016, 10:37
Репутация: 626
Откуда: Ижевск
Контактная информация:

REX C100

Сообщение TOPMO3 » 19 ноя 2020, 11:19

Константин писал(а):Источник цитатыЯ второй вариант не описывал.1 который изобразил на схеме. Переключатель на цепи эл. питания. 2й предпологаемо был в цепи термопары. Просто в тему никто не заходил и развивать её дальше не стал.
Термопара будет "К" типа. Да большинство контроллеров с такой термопарой измеряют напряжение,а если точно то опорный ток.
Я развивал бы именно второй вариант (в цепях термопар).
После запуска, собранной схемы замерить температуру ... если будет большое отклонение (например не 650°, а 600°) ... то отрегулировать уставку на 700°.
Смеюсь последний ... тормоз однако!
Аватара пользователя
TOPMO3
Сообщения: 4181
Зарегистрирован: 29 фев 2016, 10:37
Репутация: 626
Откуда: Ижевск
Контактная информация:

REX C100

Сообщение TOPMO3 » 20 ноя 2020, 09:27

ПАВ писал(а):Источник цитаты О каких переключателях, если смотреть схему, речь? Есть два прибора и одна ТП. О каких термопотерях речь?
Один прибор настроен для поддерживания, в ТП, 650°C , второй - 1100°C. Переключатель(и) требуется для подключения (по питанию и/или по сигнальным проводам термопары), ТП, к этим приборам.

з.ы. Константин, ... ша пришла мысля (возможно дурная) ... а ведь можно наверно, и питание, и сигнальные провода подключить на "постоянно" ... а переключатель поставить на провода, по которым подается сигнал управления тэнами.
В таком варианте не будет вноситься контактное сопротивление (на переключателе) в "нежные и весьма чувствительные" цепи термопары.
Смеюсь последний ... тормоз однако!
ПАВ
Сообщения: 7647
Зарегистрирован: 13 авг 2015, 19:54
Репутация: 923
Откуда: Одесса
Контактная информация:

REX C100

Сообщение ПАВ » 20 ноя 2020, 09:53

Там милливольты на ТП, ни разу не видел каких-либо контактов в этих тщедушных цепях.
В жизни все не так, как на самом деле...
Аватара пользователя
Константин
Сообщения: 3464
Зарегистрирован: 16 сен 2015, 10:19
Репутация: 851
Откуда: Новосибирская область
Контактная информация:

REX C100

Сообщение Константин » 20 ноя 2020, 19:12

ПАВ писал(а):Источник цитаты Там милливольты на ТП, ни разу не видел каких-либо контактов в этих тщедушных цепях.

А вот пришла такая мысль туда поставить.
TOPMO3 писал(а):Источник цитаты з.ы. Константин, ... ша пришла мысля (возможно дурная) ... а ведь можно наверно, и питание, и сигнальные провода подключить на "постоянно" ... а переключатель поставить на провода, по которым подается сигнал управления тэнами.

Там 8 кВт. Даже если реализовать схему реверса.На силовых цепях управления. Все равно надо будет глушить второй контроллер дабы он не пытался при достижении температур на 600°C отключать нагрев.Я пока отложил муфель в сторонку.Идут электромонтажные работы. Контроллеры 2 шт у меня пришли. Не хватает времени собрать схемку да по эксерементировать как по ведут себя 2 контроллера подключенных к одной термопаре.Но теория гласит, что возросшая стохастическая погрешность из-за шумов, наводок и уравнивающих токов на паразитных петлях и прочих подарков реального производства делает идею подключения одной термопары к двум приборам утопической.
Аватара пользователя
TOPMO3
Сообщения: 4181
Зарегистрирован: 29 фев 2016, 10:37
Репутация: 626
Откуда: Ижевск
Контактная информация:

REX C100

Сообщение TOPMO3 » 21 ноя 2020, 10:34

Константин писал(а):Источник цитаты
TOPMO3 писал(а):Источник цитаты ... переключатель поставить на провода, по которым подается сигнал управления тэнами.
Там 8 кВт. Даже если реализовать схему реверса.На силовых цепях управления.
Все равно надо будет глушить второй контроллер дабы он не пытался при достижении температур на 600°C отключать нагрев.
Какие 8кВт? Я имел в виду, коммутировать сигналы с 5 клеммы контроллеров. И, нехай, отключенный пытается. :smile:
Константин писал(а):Источник цитатыНо теория гласит, что возросшая стохастическая погрешность из-за шумов, наводок и уравнивающих токов на паразитных петлях и прочих подарков реального производства делает идею подключения одной термопары к двум приборам утопической.
Ну коли так ... надо подумать
Смеюсь последний ... тормоз однако!
ПАВ
Сообщения: 7647
Зарегистрирован: 13 авг 2015, 19:54
Репутация: 923
Откуда: Одесса
Контактная информация:

REX C100

Сообщение ПАВ » 21 ноя 2020, 13:31

Про шумы- сомневаюсь- при том сопротивлении ТП вряд ли какие шумы виноваты. Это не высокоомная входная цепь и такая же в/о нагрузка.
А если и уж так проблемно- длинная линия и проч, есть на то правильное экранирование линии.
В жизни все не так, как на самом деле...
Аватара пользователя
Константин
Сообщения: 3464
Зарегистрирован: 16 сен 2015, 10:19
Репутация: 851
Откуда: Новосибирская область
Контактная информация:

REX C100

Сообщение Константин » 21 ноя 2020, 16:16

TOPMO3 писал(а):Источник цитаты акие 8кВт? Я имел в виду, коммутировать сигналы с 5 клеммы контроллеров. И, нехай, отключенный пытается

ааа. А я про силовые подумал. Ну тоже вполне живучая схемка.Единственное одно НО. Это для себя будет все понятно. А кто работает на том муфеле только введет его в заблуждение.Хотя... подписать на переключателе типо Керамика и Глазурь...думаю тоже прокатит.
ПАВ писал(а):Источник цитаты Про шумы- сомневаюсь- при том сопротивлении ТП вряд ли какие шумы виноваты. Это не высокоомная входная цепь и такая же в/о нагрузка.
А если и уж так проблемно- длинная линия и проч, есть на то правильное экранирование линии.


Мне кажется, что понадобится подключение через нормирующий преобразователь для реализации этой идеи. Которого у меня как раз нет.


  • Реклама

Вернуться в «Контакторы, пускатели, реле, датчики, кнопки и т.п.»

Кто сейчас на конференции

Сейчас этот форум просматривают: нет зарегистрированных пользователей и 10 гостей