TOPMO3 писал(а):Источник цитаты Ваши идеи!
А кому и зачем нужно 90 В? Никчемный источник бесполезной энергии...
TOPMO3 писал(а):Источник цитаты Ваши идеи!
Pavel писал(а):Источник цитаты Никчемный источник бесполезной энергии...

Pavel писал(а):Источник цитаты А почему так кособоко сделано- не понятно, две другие фазы зарезервировали для будущих планируемых потребителей?
aleksey.RU писал(а):Источник цитаты Трансформатор на 1кВт 100/230В и вот оно - почти Тесла

strn писал(а):Источник цитаты На электричество пока зарабатываю.
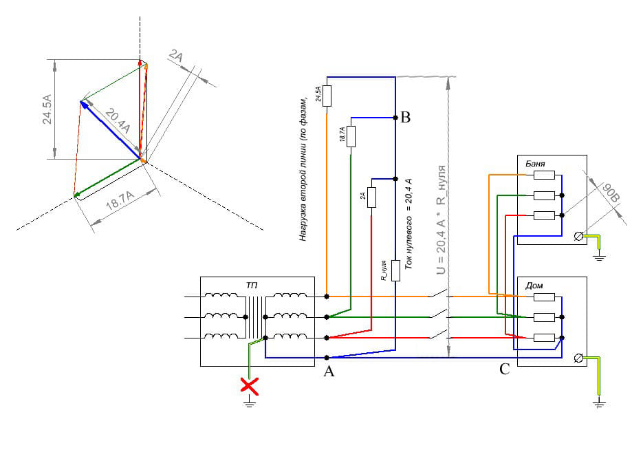
халяву делимTOPMO3 писал(а):Источник цитаты Уравнивающий ток, второй линии, при отсутствии заземления на ТП, и есть - источник напряжения
А каким боком, это повлияет на нулевой провод?strn писал(а):Источник цитаты А чем плоха версия нагрузки фаза-земля?
TOPMO3 писал(а):Источник цитаты А каким боком, это повлияет на нулевой провод?
Попытавшись вникнуть в ход Ваших мыслей ... я понял, что, там выше, я выдвинул ошибочное объяснение, а Ваше пока не понял.strn писал(а):Источник цитатыУравнивающий ток создаст напряжение между точками А и В. Одна из этих точек "идеальный ноль", где напряжение относительно земли равно 0, другая - "реальный ноль", где напряжение отличается от земли на величину падения напряжения в нулевом проводе. Так? Я бы за "идеальный ноль" взял точку А, но тогда напряжение в точке С должно быть равно нулю относительно земли, поскольку в точку С никакого тока не течет и падению взяться неоткуда. Остается "идеальный ноль" в точке В, тогда в точке А (и С) напряжения нуля отличается от земли на величину падения в нулевом проводе, из чего следует, что напряжения фаз относительно точки А будут различны. Но они, заразы, одинаковы! То есть уравнивающий ток в точке С напряжение создать не может.TOPMO3 писал(а):Источник цитаты А каким боком, это повлияет на нулевой провод?
На всю систему повлияет только в том случае, если это соединение будет в самом ТП ... И что должно было произойти, когда электрики восстанавливали заземление нуля? Их тама не грохнуло?strn писал(а):Источник цитатыА вот соединение одной фазы с землей (через нагрузку) как бы сдвигает все напряжения в системе (в том числе на нуле) на величину напряжения на этой нагрузке относительно земли, это наглядно видно, если построить векторную диаграмму.
TOPMO3 писал(а):Источник цитаты И что должно было произойти, когда электрики восстанавливали заземление нуля? Их тама не грохнуло?
TOPMO3 писал(а):Источник цитаты я выдвинул ошибочное объяснение, а Ваше пока не понял.
strn писал(а):Источник цитатыaleksey.RU писал(а):Источник цитаты Разница 90В пропала?
Ни одного вольта не осталось. Вы были правы!
Вернуться в «Низковольтное электрооборудование (до 1000В)»
Сейчас этот форум просматривают: нет зарегистрированных пользователей и 6 гостей