Обозначение элементов на схеме электрической принципиальной

Проектирование внутреннего электроснабжения квартир, домов, коттеджей и т.п. Нормы, типовые проекты, расчеты, делимся своими проектами.
Electric_sn
Сообщения: 3
Зарегистрирован: 10 янв 2023, 18:39
Репутация: 0
Контактная информация:

Обозначение элементов на схеме электрической принципиальной

Сообщение Electric_sn » 10 янв 2023, 18:45

Добрый день.
Что означает на схеме электрической принципиальной знак "-" перед обозначением элемента, например -U01, -R01, -SF01?
Реклама
ПАВ
Сообщения: 7647
Зарегистрирован: 13 авг 2015, 19:54
Репутация: 923
Откуда: Одесса
Контактная информация:

Обозначение элементов на схеме электрической принципиальной

Сообщение ПАВ » 10 янв 2023, 18:47

Пример?
В жизни все не так, как на самом деле...
Electric_sn
Сообщения: 3
Зарегистрирован: 10 янв 2023, 18:39
Репутация: 0
Контактная информация:

Обозначение элементов на схеме электрической принципиальной

Сообщение Electric_sn » 10 янв 2023, 18:50

ПАВ писал(а):Источник цитаты Пример?

например -U01, -R01, -SF01
ПАВ
Сообщения: 7647
Зарегистрирован: 13 авг 2015, 19:54
Репутация: 923
Откуда: Одесса
Контактная информация:

Обозначение элементов на схеме электрической принципиальной

Сообщение ПАВ » 10 янв 2023, 19:01

Имелся в виду пример схемы, фото можете сделать, читабельное?
В жизни все не так, как на самом деле...
Electric_sn
Сообщения: 3
Зарегистрирован: 10 янв 2023, 18:39
Репутация: 0
Контактная информация:

Обозначение элементов на схеме электрической принципиальной

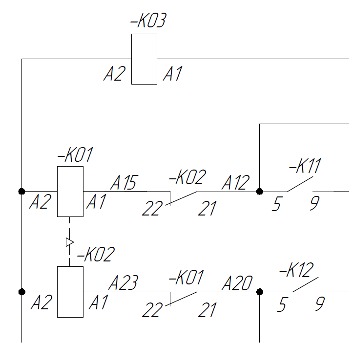
Сообщение Electric_sn » 10 янв 2023, 19:07

Схема.png


В данном случае у реле К01 перед обозначение стоит знак "-". Хочется знать что это значит.
Аватара пользователя
aleksey.RU
Сообщения: 1397
Зарегистрирован: 12 сен 2022, 15:17
Репутация: 137
Откуда: СССР
Контактная информация:

Обозначение элементов на схеме электрической принципиальной

Сообщение aleksey.RU » 10 янв 2023, 19:41

Electric_sn писал(а):Источник цитаты перед обозначение стоит знак "-"

просто так работает импортный САПР (программа) Автокад, Еплан и всё. Читается как обычно, без тире. Все уже привыкли к таким чертежам, но пошло всё с импортных чертежей и перекочевало со временем к нам.
И если не убрать лишние галки в настройках, то будет примерно так:
Снимок.JPG
Тот, кто пытается использовать методы, не зная принципов, обречен на неудачу
Аватара пользователя
aleksey.RU
Сообщения: 1397
Зарегистрирован: 12 сен 2022, 15:17
Репутация: 137
Откуда: СССР
Контактная информация:

Обозначение элементов на схеме электрической принципиальной

Сообщение aleksey.RU » 12 янв 2023, 00:13

Может кому пригодится
Снимок.JPG
Тот, кто пытается использовать методы, не зная принципов, обречен на неудачу


  • Реклама

Вернуться в «Проектирование внутреннего электроснабжения»

Кто сейчас на конференции

Сейчас этот форум просматривают: нет зарегистрированных пользователей и 15 гостей