TOPMO3 писал(а):Источник цитаты сомневаюсь, что Вы сможете
TOPMO3 писал(а):Источник цитаты возможно, что в той коробке, которую, хотите закрыть светильником (по сути, плохая идея) , отсутствует провод по которой подается, на лампу, фаза размыкаемая выключателями.
TOPMO3 писал(а):Источник цитаты Для начала ... Какие нить приборы, для работы с электрикой, у Вас имеются?
TOPMO3 писал(а):Источник цитаты Вопрос по выключателям ... если включили одним (к примеру, в начале коридора), вторым выключателем (в середине коридора) можно выключить?
У Вас установлены не простые выключатели, а "проходные", т.е. переключатели.Если включил верхний светильник выключателем в начале коридора, то он без проблем выключается выключателем в середине коридора и наоборот, без разницы каким выключателем с какой стороны включать/отключать.
TOPMO3 писал(а):У Вас установлены не простые выключатели, а "проходные", т.е. переключатели.
В связи с этим обстоятельством, дополнительный светильник, в имеющуюся схему, можно подключить только найдя провод подводящий фазу к имеющемуся светильнику. Эта фаза появляется и исчезает при воздействии на оба выключателя. Надо найти коробку от которой идут провода на светильник.
Тут вопросов нет.
С каждым днём всё радостнее жить!
(И почему архитекторы со строителями да инженерами до сих пор не додумались в стенах делать не портящие интерьер прозрачные накладки на штробы для укладки проводов, чтобы всё в них было бы для последующего обслуживания нормально видно куда какой провод идёт?)TOPMO3 писал(а):Источник цитаты Перестаньте проделывать бессистемные эксперименты и описывать их в жанре квеста ...
TOPMO3 писал(а):Источник цитаты у Вас, на одном и том же проводе, то ничего нет, то присутствует фаза... ни Вам ни делу пользы от них не будет, окромя тумана в мозгах.
TOPMO3 писал(а):Источник цитаты Как я понимаю, от щита с автоматами, провода (фаза - черным, ноль - синим и земля - желтозеленым) в квартиру заведены в распредкоробку около входных дверей.
TOPMO3 писал(а):Источник цитаты Этим же цветом, перечисленные провода идут во вторую распредкоробку, с добавлением к ним двух фиолетовых (итого пять проводов).
TOPMO3 писал(а):Источник цитаты Для исполнения Вашей хотелки, требуется протянуть еще один провод. Т. е. надо или от люстры или от распредкоробки (в середине коридора) протянуть одинарный провод, от оранжевого. Ноль (синий) можно взять в распредкоробке1 (у входных дверей)
.
Всегда, если в пучке проводов проложенных рядом, имеется провод подключенный к фазе ... на остальных проводах, если они не имеют контакт с нолем ... появляется наведенное напряжение (наводка - в обиходе). Это напряжение очень мало, но его достаточно для индикации неонкой, которая имеется в отвертке.RENL писал(а):Источник цитаты Но если начинать тестировать индикаторной отвёрткой, то данная схема рушится, вот в чём причина. Я, например, не понимаю конкретно, почему:
- почему в прох.переключателе в середине коридора - при включенном светильнике с помощью переключателя в начале коридора – фаза определяется на всех трёх проводах (2 фиолетовых + 1 оранжевый). Если оранжевый это выход из прох.выключателя №2 на светильник, то фазой светиться должен лишь один из двух фиолетовых проводов, а не два.
- и почему в проходном переключателе в начале коридора - при включении светильника с помощью переключателя в начале или в середине коридора (не важно) – фаза горит на каждом из трёх проводов (2 фиолетовых + 1 чёрный).
TOPMO3 писал(а):Источник цитаты Из коробки (в начале коридора), вниз, отвод из четырех проводов (знак вопроса) ... возможно это ввод из щита. Не мешало бы сверить цвета и количество в щите.
TOPMO3 писал(а):Источник цитаты Если приложенная схема разводки соответствует ... и эти коробки действительно соединены двумя пучками ... наверно можно было бы один дублирующий провод использовать для Вашей хотелки
TOPMO3 писал(а):Источник цитаты [b]З.Ы. ... я наверно выше, глупость написал и нарисовал ... если всё так как нарисовано ... чем питаются тогда другие комнаты???Удивительно ... как совпали отводы (по количеству и по цветам проводов) в обоих коробках!!![/b]
RENL писал(а):Источник цитаты Автомат (спаренный на щитке) – одновременно отключает кухню, ванную и коридор. На электроплиту – отдельный другой спаренный автомат, на зал – отдельный спаренный)
TOPMO3 писал(а):Источник цитаты В текстах и видео путаете цвета (синий/голубой, коричневый/оранжевый, оранжевый/розовый).
RENL писал(а):Источник цитаты Вся сеть - с проводами заземления. Вскрыл также оба проходных выключателя, чтобы посмотреть, какие провода (каких цветов и как) подсоединены. ( Благо – цветовые схемы проводов - все чётко подсоединено по науке (т.е. оранжевый/коричневый – L фаза, синий/голубой – N рабочий ноль, желто-зелёный – заземление и т.д.).
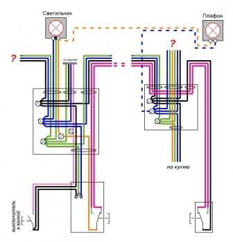
RENL писал(а):Источник цитаты По факту вскрытия коробок и переключателей - нарисовал имеющуюся схему подсоединения проводов в этих коробках и в этих переключателях в цветах - соответствующую реальному цвету проводов (Схема – см. ниже, при просмотре разводки в коробке - увеличивать).[/b]
[img]https://disk.yandex.com/i/3D5fda_P3whtLg[/img] Картинку в форум прямо в тексте сообщения в высоком качестве у меня вставить не получилось. А по ссылке - качество падает, размытое изображение. Схема важна, кто будет смотреть схему, её нужно скачать по ссылке, после этого в нормальном качестве можно масштабировать и смотреть подробно всю разводку в распред.коробках
TOPMO3 писал(а):Источник цитаты 1. В светильник четыре провода (среди них розовый или оранжевый?);
TOPMO3 писал(а):Источник цитаты 2. Из коробки (в середине коридора) к выключателю ушло семь проводов, а дошло только шесть ... то-ли розовый, то-ли оранжевый. Надо определить, как-то, где оранж, где розовый ...
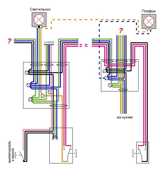
Полагаю, с этим тоже ясно.RENL писал(а):Источник цитаты P.S. ...вскрыл также выключатель в сан.узле, чтобы посмотреть как там соединены провода. Решил его вскрыть потому, что этот выключатель находится в аккурат с обратной стороны выключателя в стене, который в середине коридора, только в санузле (т.е. провода к санузлу, вероятно, идут из той же коробки в середине коридора). ... https://disk.yandex.com/d/PUi89shJJJdbxQ ...
RENL писал(а):Источник цитатыTOPMO3 писал(а):Источник цитаты Если приложенная схема разводки соответствует ... и эти коробки действительно соединены двумя пучками ... наверно можно было бы один дублирующий провод использовать для Вашей хотелки
Уточните, пожалуйста, какой конкретно дублирующий и из какой коробки?
RENL писал(а):Источник цитаты ПодскАжите напоследок, пожалуйста, корректное название нужного медного провода, сечение – какой конкретно покупать чтобы совпадал с теми что в клеммниках в распредкоробках?
Это была попытка "вангования" с моей стороны ... вот если ответим на два вопросительных знака на рисунке, тогда будет ясно что надо делать ... может и в правду имеются провода, которые можно будет использовать.RENL писал(а):Источник цитаты У меня остались не вполне ясными два вопроса, буду благодарен за подсказки.
Вопрос 1: Уточните, пожалуйста, какой конкретно дублирующий и из какой коробки?
Я не знаю какое сечение применено у Вас ... оно может быть от 1,5 мм.кв. до 4 мм.кв. ... зависит от мощности подключаемого оборудования и установленных в щитке аппаратов защиты.Вопрос 2: ПодскАжите напоследок, пожалуйста, корректное название нужного медного провода, сечение – какой конкретно покупать чтобы совпадал с теми что в клеммниках в распредкоробках?
TOPMO3 писал(а):Источник цитаты Есть смысл (если есть возможность), переписать цвета и сосчитать количество отводов из щитка в сторону квартиры. Может тогда выясним в какую коробку сделан ввод.
TOPMO3 писал(а):Источник цитаты На Ваш светильник, скорее всего 1,5 мм.кв. (с запасом, выше крыши) ... марка кабеля ВВГ.
Вернуться в «Вопросы от "чайника"»
Сейчас этот форум просматривают: нет зарегистрированных пользователей и 4 гостя