Контроллер управления котлом

Выбор и схемы подключения контакторов, пускателей, реле, различных датчиков, кнопок управления, переключателей и т.п.
Тепличник
Сообщения: 7
Зарегистрирован: 14 дек 2023, 18:08
Репутация: 0
Контактная информация:

Контроллер управления котлом

Сообщение Тепличник » 14 дек 2023, 18:59

Здравствуйте,подскажите пожалуйста как подключить твердотельное реле...ситуация такая: котел отопления,сгорел контроллер ,купили вот такой Eco 100 auto. Проблема нарисовалась по приходу контроллера,когда заказывал,то не обратил внимания на характеристик в контролере было заявлено : Максимальная выходная мощность канала «Шнек», Вт 700 (3 А макс.),Максимальная выходная мощность канала «Насос ЦО», Вт 100,Максимальная выходная мощность канала «Вентилятор», Вт 200...по Котлу шнек 750 вт, наос 350 вт,Вентилятор 600 вт. Как подружить твердотельное реле с контроллером и его компонентами.
С уважением Валерий.
Реклама
Аватара пользователя
МБВ
Сообщения: 407
Зарегистрирован: 20 мар 2023, 22:32
Репутация: 78
Контактная информация:

Контроллер управления котлом

Сообщение МБВ » 15 дек 2023, 10:58

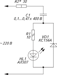
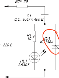
Вместо R1 поставьте SSR. Но помните про полярность. Если непонятна схема, то контроллером не рискуйте.
Вложения
Без названия.png
Без названия.png (3.98 КБ) 4225 просмотров
Аватара пользователя
МБВ
Сообщения: 407
Зарегистрирован: 20 мар 2023, 22:32
Репутация: 78
Контактная информация:

Контроллер управления котлом

Сообщение МБВ » 15 дек 2023, 11:22

Или ищите такой SSR.
Вложения
Sfc3d470f75a14f0ba1c5e3e80fb1e3a1l.jpg_480x480.jpg
Тепличник
Сообщения: 7
Зарегистрирован: 14 дек 2023, 18:08
Репутация: 0
Контактная информация:

Контроллер управления котлом

Сообщение Тепличник » 15 дек 2023, 11:24

МБВ писал(а):Источник цитаты Вместо R1 поставьте SSR. Но помните про полярность. Если непонятна схема, то контроллером не рискуйте.

Подскажите,, делать все будет электрик,с контроллера имеет значение сигнал или нет...?
Тепличник
Сообщения: 7
Зарегистрирован: 14 дек 2023, 18:08
Репутация: 0
Контактная информация:

Контроллер управления котлом

Сообщение Тепличник » 15 дек 2023, 11:30

МБВ писал(а):Источник цитаты Вместо R1 поставьте SSR. Но помните про полярность. Если непонятна схема, то контроллером не рискуйте.

с контоллера выход управлящий,так понимаю..
Аватара пользователя
МБВ
Сообщения: 407
Зарегистрирован: 20 мар 2023, 22:32
Репутация: 78
Контактная информация:

Контроллер управления котлом

Сообщение МБВ » 15 дек 2023, 11:52

Из паспорта: насос и шнек работают циклично, вентилятор регулирует обороты. Подключите к штатным концам лампы 220в и проверьте это. Если так, то вентилятор в штатный выход, а шнек и насос через реле или SSR.
Аватара пользователя
МБВ
Сообщения: 407
Зарегистрирован: 20 мар 2023, 22:32
Репутация: 78
Контактная информация:

Контроллер управления котлом

Сообщение МБВ » 15 дек 2023, 11:55

Вполне возможно, что контроллер потянет Ваше оборудование напрямую, в паспорте указано, что есть защита от перегрузки.
Тепличник
Сообщения: 7
Зарегистрирован: 14 дек 2023, 18:08
Репутация: 0
Контактная информация:

Контроллер управления котлом

Сообщение Тепличник » 16 дек 2023, 01:29

МБВ писал(а):Источник цитаты Вполне возможно, что контроллер потянет Ваше оборудование напрямую, в паспорте указано, что есть защита от перегрузки.

подскажите ,как могу вас от благо дарить..?
Тепличник
Сообщения: 7
Зарегистрирован: 14 дек 2023, 18:08
Репутация: 0
Контактная информация:

Контроллер управления котлом

Сообщение Тепличник » 16 дек 2023, 12:42

МБВ писал(а):Источник цитаты Вполне возможно, что контроллер потянет Ваше оборудование напрямую, в паспорте указано, что есть защита от перегрузки.
шнек не будет работать постоянно,если сложить вент и насос,то получится 1050 вт,а вот если прибавить временную работу шнека,получится пиковая перегрузка.
Аватара пользователя
МБВ
Сообщения: 407
Зарегистрирован: 20 мар 2023, 22:32
Репутация: 78
Контактная информация:

Контроллер управления котлом

Сообщение МБВ » 16 дек 2023, 17:18

Учитывая, что шнек это индуктивная рваная по мощности нагрузка, надо реле.
Тепличник
Сообщения: 7
Зарегистрирован: 14 дек 2023, 18:08
Репутация: 0
Контактная информация:

Контроллер управления котлом

Сообщение Тепличник » 17 дек 2023, 12:50

МБВ писал(а):Источник цитаты Учитывая, что шнек это индуктивная рваная по мощности нагрузка, надо реле.

Изображение WhatsApp 2023-12-17 в 12.49.18_371d5293.jpg
Такое подойдет?
Аватара пользователя
МБВ
Сообщения: 407
Зарегистрирован: 20 мар 2023, 22:32
Репутация: 78
Контактная информация:

Контроллер управления котлом

Сообщение МБВ » 17 дек 2023, 15:59

До 2-3 кВт пойдёт. По первой схеме выше. Стабилитрон можно заменить на 7-10 вольт для гарантированного включения. И главное полярность.
Аватара пользователя
МБВ
Сообщения: 407
Зарегистрирован: 20 мар 2023, 22:32
Репутация: 78
Контактная информация:

Контроллер управления котлом

Сообщение МБВ » 17 дек 2023, 16:53

До 1кВт пойдёт и реле. Контакты запараллелить и зашунтировать плёнкой 0,1-0, 5 мкФ не менее 400в
Вложения
Screenshot_2023-12-17-16-12-26-963_com.yandex.browser.jpg
Тепличник
Сообщения: 7
Зарегистрирован: 14 дек 2023, 18:08
Репутация: 0
Контактная информация:

Контроллер управления котлом

Сообщение Тепличник » 17 дек 2023, 18:24

МБВ писал(а):Источник цитаты До 2-3 кВт пойдёт. По первой схеме выше. Стабилитрон можно заменить на 7-10 вольт для гарантированного включения. И главное полярность.

Что такое стабилитрон...?
Аватара пользователя
МБВ
Сообщения: 407
Зарегистрирован: 20 мар 2023, 22:32
Репутация: 78
Контактная информация:

Контроллер управления котлом

Сообщение МБВ » 17 дек 2023, 20:17

Это который в "красном". Он ограничивает напряжение. КС156 "держит" напряжение 5,6 Вольта. Можно заменить на стабилитрон, напряжением до 15 вольт.
Вложения
IMG_20231217_200939.png
IMG_20231217_200939.png (12.12 КБ) 4050 просмотров
Аватара пользователя
МБВ
Сообщения: 407
Зарегистрирован: 20 мар 2023, 22:32
Репутация: 78
Контактная информация:

Контроллер управления котлом

Сообщение МБВ » 17 дек 2023, 20:22

Схему проверьте без контроллера, при удовлетворительном результате подключите контроллер.


  • Реклама

Вернуться в «Контакторы, пускатели, реле, датчики, кнопки и т.п.»

Кто сейчас на конференции

Сейчас этот форум просматривают: нет зарегистрированных пользователей и 9 гостей