Обозначение ограничителя мощности и контактора на однолинейной схеме

Выбор и схемы подключения контакторов, пускателей, реле, различных датчиков, кнопок управления, переключателей и т.п.
Аватара пользователя
vorobuszek
Сообщения: 12
Зарегистрирован: 29 ноя 2015, 06:38
Репутация: 0
Контактная информация:

Обозначение ограничителя мощности и контактора на однолинейной схеме

Сообщение vorobuszek » 11 янв 2016, 18:37

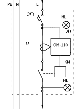
Здравствуйте, скажите, пожалуйста, правильно ли будет обозначения ограничителя мощности с контактором таким образом. И есть ли примеры того как было бы правильно обозначать более менее подробно, а не абы как?
Вложения
ограничитель мощности с контактором на схеме.png
ограничитель мощности с контактором на схеме.png (4.66 КБ) 5491 просмотр
Реклама
Аватара пользователя
Константин
Сообщения: 3464
Зарегистрирован: 16 сен 2015, 10:19
Репутация: 851
Откуда: Новосибирская область
Контактная информация:

Обозначение на Однолинейной схеме ограничителя мощности и контактором

Сообщение Константин » 11 янв 2016, 19:35

vorobuszek писал(а):Источник цитаты Здравствуйте, скажите, пожалуйста, правильно ли будет обозначения ограничителя мощности с контактором таким образом.

А чем паспортная не устаревает? Ведь с такими устройствами она есть, продублируйте её.
ОМ-110.jpg
Аватара пользователя
Огогойко
Сообщения: 141
Зарегистрирован: 02 авг 2015, 20:51
Репутация: 2
Контактная информация:

Обозначение на Однолинейной схеме ограничителя мощности и контактором

Сообщение Огогойко » 11 янв 2016, 21:16

Я дико извиняюсь, но, вроде бы, однолинейная схема чертится одной линией, без обозначений фаза-ноль-земля.
Аватара пользователя
Заметки Электрика
Сообщения: 164
Зарегистрирован: 21 июл 2015, 16:21
Репутация: 37
Контактная информация:

Обозначение на Однолинейной схеме ограничителя мощности и контактором

Сообщение Заметки Электрика » 11 янв 2016, 21:48

Вот схема с ограничителем и двумя контакторами из одного моего проекта.
Вложения
sxema_elektroprovodki_схема_электропроводки_7.jpg


  • Реклама

Вернуться в «Контакторы, пускатели, реле, датчики, кнопки и т.п.»

Кто сейчас на конференции

Сейчас этот форум просматривают: нет зарегистрированных пользователей и 9 гостей