Выбор диф

Принцип работы, типы и разновидности, выбор, проверка, схемы подключения, причины отключения и т.п.
Whitetolik
Сообщения: 8
Зарегистрирован: 11 фев 2024, 21:57
Репутация: 0
Контактная информация:

Выбор диф

Сообщение Whitetolik » 11 фев 2024, 22:05

:fool: доброго времени суток. Уважаемые знатоки. Частный дом. одна фаза. земли нет ( от слова совсем )... Имеется счётчик и вводной автомат с25 4500 Шнайдер далее идут автоматы 20, два по 16 и один 10... Хочу поставить диф - первый вопрос куда ? - после вводного автомата ? Или перед ним ? И второй вопрос на сколько ставить диф ? Из приборов таких мощных - насос циркуляционный, морозильная камера, стиралка и станция насосная... Хочу поставить один диф на весь дом
Реклама
Аватара пользователя
TOPMO3
Сообщения: 4181
Зарегистрирован: 29 фев 2016, 10:37
Репутация: 626
Откуда: Ижевск
Контактная информация:

Выбор диф

Сообщение TOPMO3 » 12 фев 2024, 09:43

Whitetolik писал(а):Источник цитаты... Частный дом. одна фаза. земли нет ( от слова совсем )...
Ваш домик левитирующий, чо-ли?!
Имеется счётчик и вводной автомат с25 4500 Шнайдер далее идут автоматы 20, два по 16 и один 10...
Принято ...
Хочу поставить диф - первый вопрос куда ? - после вводного автомата ? Или перед ним ?
Встречный вопрос ... зачем он Вам нужен, коли у Вас нет земли? Обращали внимание на птичек? ... они без всякой земли (как Вы), спокойно сидят на проводах с фазой ... и им хоть бы хны ... никакой дифзащиты не используют. Она (дифзащита) требуется для защиты человека, стоящего на земле.
Хочу поставить один диф на весь дом
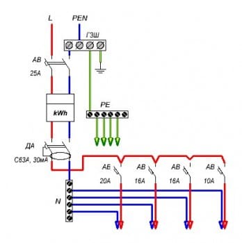
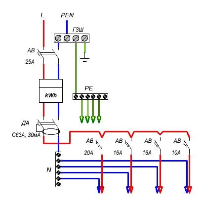
Сразу после счетчика ... С63А, 30 мА. Не вздумайте брать с параметром выше 30 мА ... они предназначены не для защиты человека, а для защиты проводки (от пожара).
Вот такой, примерно, должна быть Ваша схема электропитания ...
Вложения
2.jpg
Смеюсь последний ... тормоз однако!
Аватара пользователя
sibarit
Сообщения: 308
Зарегистрирован: 09 ноя 2023, 11:53
Репутация: 55
Контактная информация:

Выбор диф

Сообщение sibarit » 12 фев 2024, 12:34

И надо иметь в виду, что утечка тока в любой розетке или светильнике обесточит жилище полностью.
Своеобразная расплата за скаредность.
Если действительно озадачились защитой от поражения электротоком, то рекомендую брошюру от Шнейдер.
Первое - это теория защиты (страницы 4-5). Ну и в качестве примеров - типовые схемы (страницы 19-23).
Whitetolik
Сообщения: 8
Зарегистрирован: 11 фев 2024, 21:57
Репутация: 0
Контактная информация:

Выбор диф

Сообщение Whitetolik » 12 фев 2024, 16:53

TOPMO3 писал(а):Источник цитаты
Whitetolik писал(а):Источник цитаты... Частный дом. одна фаза. земли нет ( от слова совсем )...
Ваш домик левитирующий, чо-ли?!
Имеется счётчик и вводной автомат с25 4500 Шнайдер далее идут автоматы 20, два по 16 и один 10...
Принято ...
Хочу поставить диф - первый вопрос куда ? - после вводного автомата ? Или перед ним ?
Встречный вопрос ... зачем он Вам нужен, коли у Вас нет земли? Обращали внимание на птичек? ... они без всякой земли (как Вы), спокойно сидят на проводах с фазой ... и им хоть бы хны ... никакой дифзащиты не используют. Она (дифзащита) требуется для защиты человека, стоящего на земле.
Хочу поставить один диф на весь дом
Сразу после счетчика ... С63А, 30 мА. Не вздумайте брать с параметром выше 30 мА ... они предназначены не для защиты человека, а для защиты проводки (от пожара).
Вот такой, примерно, должна быть Ваша схема электропитания ...

63 не много ???
Аватара пользователя
МБВ
Сообщения: 407
Зарегистрирован: 20 мар 2023, 22:32
Репутация: 78
Контактная информация:

Выбор диф

Сообщение МБВ » 12 фев 2024, 19:06

TOPMO3 писал(а):Источник цитаты Встречный вопрос ... зачем он Вам нужен, коли у Вас нет земли? Обращали внимание на птичек? ... они без всякой земли (как Вы), спокойно сидят на проводах с фазой ... и им хоть бы хны ... никакой дифзащиты не используют. Она (дифзащита) требуется для защиты человека, стоящего на земле.

Кстати о птичках. Не правильно Вы излагаете. Видел труп женщины на кухне, хотела посмотреть в окно на птичек, положила одну руку на холодильник ЗИЛ, вторую на батарею. Был бы дифавтомат без земли, была бы жива.
Аватара пользователя
TOPMO3
Сообщения: 4181
Зарегистрирован: 29 фев 2016, 10:37
Репутация: 626
Откуда: Ижевск
Контактная информация:

Выбор диф

Сообщение TOPMO3 » 12 фев 2024, 19:55

МБВ писал(а):Источник цитаты...Кстати о птичках. Не правильно Вы излагаете. Видел труп женщины на кухне, хотела посмотреть в окно на птичек, положила одну руку на холодильник ЗИЛ, вторую на батарею. Был бы дифавтомат без земли, была бы жива.
Я это намеренно ... мы бы с автором, и до шокотерапии дошли :wink:
Схему рисовал, в надежде что заметит элементы, отсутствующие в реалии ... а Вы, без предупреждения, сразу обухом (трупом)! :biggrin:
Смеюсь последний ... тормоз однако!
Аватара пользователя
МБВ
Сообщения: 407
Зарегистрирован: 20 мар 2023, 22:32
Репутация: 78
Контактная информация:

Выбор диф

Сообщение МБВ » 12 фев 2024, 20:00

Некоторые, к сожалению, только после обуха начинают фазу уважать. Хотя иногда и ноль притянуть может.
Аватара пользователя
TOPMO3
Сообщения: 4181
Зарегистрирован: 29 фев 2016, 10:37
Репутация: 626
Откуда: Ижевск
Контактная информация:

Выбор диф

Сообщение TOPMO3 » 12 фев 2024, 20:01

Whitetolik писал(а):Источник цитаты... 63 не много ???
Нет не много ... у Вас достаточно и своих автоматов, зачем Вам еще один?
Ну если желаете чуток съэкономить ... берите С32А, 30мА ... :smile:
Смеюсь последний ... тормоз однако!
Whitetolik
Сообщения: 8
Зарегистрирован: 11 фев 2024, 21:57
Репутация: 0
Контактная информация:

Выбор диф

Сообщение Whitetolik » 12 фев 2024, 23:01

TOPMO3 писал(а):
Whitetolik писал(а):Источник цитаты... 63 не много ???
Нет не много ... у Вас достаточно и своих автоматов, зачем Вам еще один?
Ну если желаете чуток съэкономить ... берите С32А, 30мА ... :smile:

А если УЗО вкрячить ?
Аватара пользователя
TOPMO3
Сообщения: 4181
Зарегистрирован: 29 фев 2016, 10:37
Репутация: 626
Откуда: Ижевск
Контактная информация:

Выбор диф

Сообщение TOPMO3 » 13 фев 2024, 09:02

Whitetolik писал(а):Источник цитаты А если УЗО вкрячить ?
Ставьте УЗО ... с теми же параметрами.
Смеюсь последний ... тормоз однако!
Whitetolik
Сообщения: 8
Зарегистрирован: 11 фев 2024, 21:57
Репутация: 0
Контактная информация:

Выбор диф

Сообщение Whitetolik » 13 фев 2024, 10:10

Всем спасибо :smile:
Whitetolik
Сообщения: 8
Зарегистрирован: 11 фев 2024, 21:57
Репутация: 0
Контактная информация:

Выбор диф

Сообщение Whitetolik » 13 фев 2024, 11:21

TOPMO3 писал(а):Источник цитаты
Whitetolik писал(а):Источник цитаты А если УЗО вкрячить ?
Ставьте УЗО ... с теми же параметрами.

Не большой вопрос если можно- в каком случае можно использовать из трёх жильного кабеля две жилы на ноль ? У меня просто такая ситуация - у счётчика есть шина с нулем ( естественно ) есть автомат на 20 от него отходит фаза а остальные две жилы ( жёлтый и синий ) идут на шину, все это барахло идёт на коробку розеточную а там в скрутках и под километрами изоленты единственное что я смог там увидеть что все эти две жилы идут вместе на пучок и дальше идут вместе ??? Вопрос то какой - первый зачем ? Второй - практикуется ли вот это чудо монтажа как у меня гденить ещё ?... Я это все хочу переделать естественно и проводку поменять и два нуля эти убрать ну и по мелочи тд...
Просто щас я не понимаю зачем это сделано ?
Аватара пользователя
TOPMO3
Сообщения: 4181
Зарегистрирован: 29 фев 2016, 10:37
Репутация: 626
Откуда: Ижевск
Контактная информация:

Выбор диф

Сообщение TOPMO3 » 13 фев 2024, 15:31

Whitetolik писал(а):Источник цитаты... - у счётчика есть шина с нулем ( естественно ) есть автомат на 20 от него отходит фаза а остальные две жилы ( жёлтый и синий ) идут на шину, все это барахло идёт на коробку розеточную а там в скрутках и под километрами изоленты единственное что я смог там увидеть что все эти две жилы идут вместе на пучок и дальше идут вместе ???
Из Вашего описания, ничего не понятно ... может попробуете нарисовать - что, сколько и куда идет? Или описать по порядку ... примерно так;
1. со столба два провода ... один подключен - _____Х__________ , второй провод к _____Y_______
2.от ___X____ провод подключен к ____Z____
Смеюсь последний ... тормоз однако!
Whitetolik
Сообщения: 8
Зарегистрирован: 11 фев 2024, 21:57
Репутация: 0
Контактная информация:

Выбор диф

Сообщение Whitetolik » 13 фев 2024, 16:12

TOPMO3 писал(а):Источник цитаты
Whitetolik писал(а):Источник цитаты... - у счётчика есть шина с нулем ( естественно ) есть автомат на 20 от него отходит фаза а остальные две жилы ( жёлтый и синий ) идут на шину, все это барахло идёт на коробку розеточную а там в скрутках и под километрами изоленты единственное что я смог там увидеть что все эти две жилы идут вместе на пучок и дальше идут вместе ???
Из Вашего описания, ничего не понятно ... может попробуете нарисовать - что, сколько и куда идет? Или описать по порядку ... примерно так;
1. со столба два провода ... один подключен - _____Х__________ , второй провод к _____Y_______
2.от ___X____ провод подключен к ____Z____

Единственное что я могу показать... Пожалуйста не надо писать про наконечники
Вложения
1707829872174.jpg
Whitetolik
Сообщения: 8
Зарегистрирован: 11 фев 2024, 21:57
Репутация: 0
Контактная информация:

Выбор диф

Сообщение Whitetolik » 13 фев 2024, 16:15

Вот ещё... Вместе не отправляется
Вложения
Screenshot_20240202-203756.jpg
Аватара пользователя
TOPMO3
Сообщения: 4181
Зарегистрирован: 29 фев 2016, 10:37
Репутация: 626
Откуда: Ижевск
Контактная информация:

Выбор диф

Сообщение TOPMO3 » 13 фев 2024, 16:35

Вот Вы не можете нарисовать или описать свою схему, с чего Вы взяли, что по фото на котором какая то путаница проводов, Вам смогут что-то объяснить/посоветовать?
Пригласите того, кто собирал Вам эту проводку ... или доверьтесь этой сборке и используйте провода согласно их расцветки.
Смеюсь последний ... тормоз однако!
Whitetolik
Сообщения: 8
Зарегистрирован: 11 фев 2024, 21:57
Репутация: 0
Контактная информация:

Выбор диф

Сообщение Whitetolik » 13 фев 2024, 17:18

TOPMO3 писал(а):Источник цитаты Вот Вы не можете нарисовать или описать свою схему, с чего Вы взяли, что по фото на котором какая то путаница проводов, Вам смогут что-то объяснить/посоветовать?
Пригласите того, кто собирал Вам эту проводку ... или доверьтесь этой сборке и используйте провода согласно их расцветки.

Человека который делал все это нету... И мне просто интересно зачем сделано что два нуля идут из одного кабеля ? Я не знаю как нарисовать ещё... Да и доверие есть - единственное я хочу лишь переделать это все ( тк это все временно висит ) начиная с автомата вводного и наконечников на многожилки, заканчивая соплями из гофры и переделкой на нормальный кабель где сейчас у меня медь + алюминь .... Просто не совсем понятно это действие ( эти два нуля из одного кабеля ) ... Я и написал может кто сталкивался
Аватара пользователя
TOPMO3
Сообщения: 4181
Зарегистрирован: 29 фев 2016, 10:37
Репутация: 626
Откуда: Ижевск
Контактная информация:

Выбор диф

Сообщение TOPMO3 » 14 фев 2024, 08:07

Whitetolik писал(а):Источник цитаты... И мне просто интересно зачем сделано что два нуля идут из одного кабеля ?
Ситуация тупиковая ... я Вам всё расказал ... схему нарисовал ... походу Вы, толи их не видите или не читаете ... толи, ничего не понимаете.
Вы даже не пытаетесь толком описать, то что у Вас перед глазами ...вот пример
Не большой вопрос если можно- в каком случае можно использовать из трёх жильного кабеля две жилы на ноль ? У меня просто такая ситуация - у счётчика есть шина с нулем ( естественно ) есть автомат на 20 от него отходит фаза а остальные две жилы ( жёлтый и синий ) идут на шину, все это барахло идёт на коробку розеточную
... что мешает взять бумагу ... нарисовать что где находится, порядок их расположения ...сфотографировать рисунок и выложить тут?
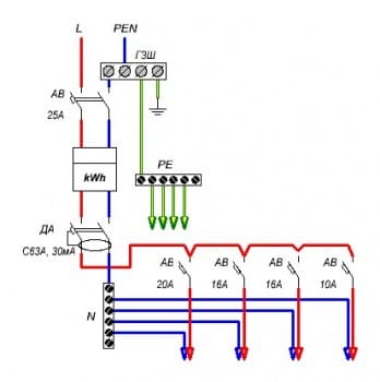
Почему, с Вашей стороны нет ни какой реакции на схему, которую выкладывал я выше (дублирую сюда) ... Вам всё понятно, что-ли на ней? Тогда зачем, уже который раз долдоните про "два нуля из одного кабеля" ... это ведь тоже присутствует на схеме и тама сразу видно, для чего он и как это использовать.
2.jpg
Смеюсь последний ... тормоз однако!


  • Реклама

Вернуться в «УЗО и дифференциальные автоматы»

Кто сейчас на конференции

Сейчас этот форум просматривают: нет зарегистрированных пользователей и 10 гостей