Разрабатываю схемы электрические на РЭА и АСУТП

Услуги электрика и проектировщика (база), резюме. Если нужно составить резюме, воспользуйтесь https://резюме.онлайн/
Аватара пользователя
Openair
Сообщения: 4
Зарегистрирован: 10 сен 2017, 02:31
Репутация: 0

Разрабатываю схемы электрические на РЭА и АСУТП

Сообщение Openair » 09 дек 2017, 11:06

Разработаю электрические принципиальные схемы АСУТП, РЭС, проектирование РЭА.

Проектирование и радиоконструирование:
-схемы электрические принципиальные (Э3), перечни элементов (ПЭ3), спецификации;
-разводка(трассировка) одно-, двух-, многослойных печатных плат.
Проектирование, компоновка и конструирование: корпусов, блоков, каркасов, стоек, рам, кожухов, приспособлений;
Оцифровка, векторизация и перерисовка чертежей с бумаги/скана/фото в электронный формат;
3D моделирование любая сложность;
Оформление полного комплекта конструкторской документации на сборочные узлы, сложные конструкции, печатные платы и т. д..
Работаю в: AutoCAD, P-CAD, SolidWorks, Компас-3D, Altium Designer, Layout60.

Работаю по направлению 14 лет. Образование высшее: инженер – конструктор/системотехник.
Интересует только удаленная работа по проектам, фриланс.

Примеры моих работ

Контакты:
[email protected]
+7(960)1348307
Последний раз редактировалось Openair 26 фев 2023, 19:50, всего редактировалось 3 раза.
Реклама
Аватара пользователя
Openair
Сообщения: 4
Зарегистрирован: 10 сен 2017, 02:31
Репутация: 0

Разрабатываю схемы электрические на РЭА и АСУТП

Сообщение Openair » 17 мар 2018, 21:03

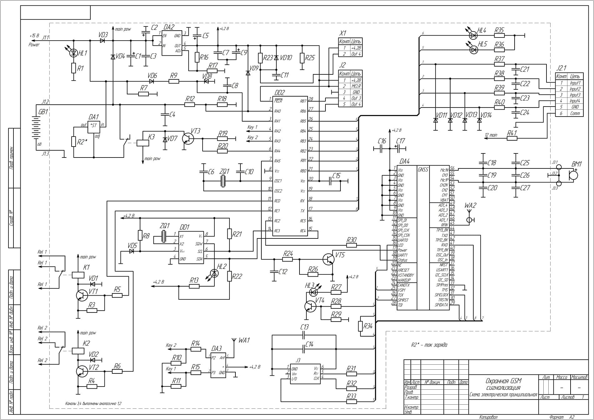
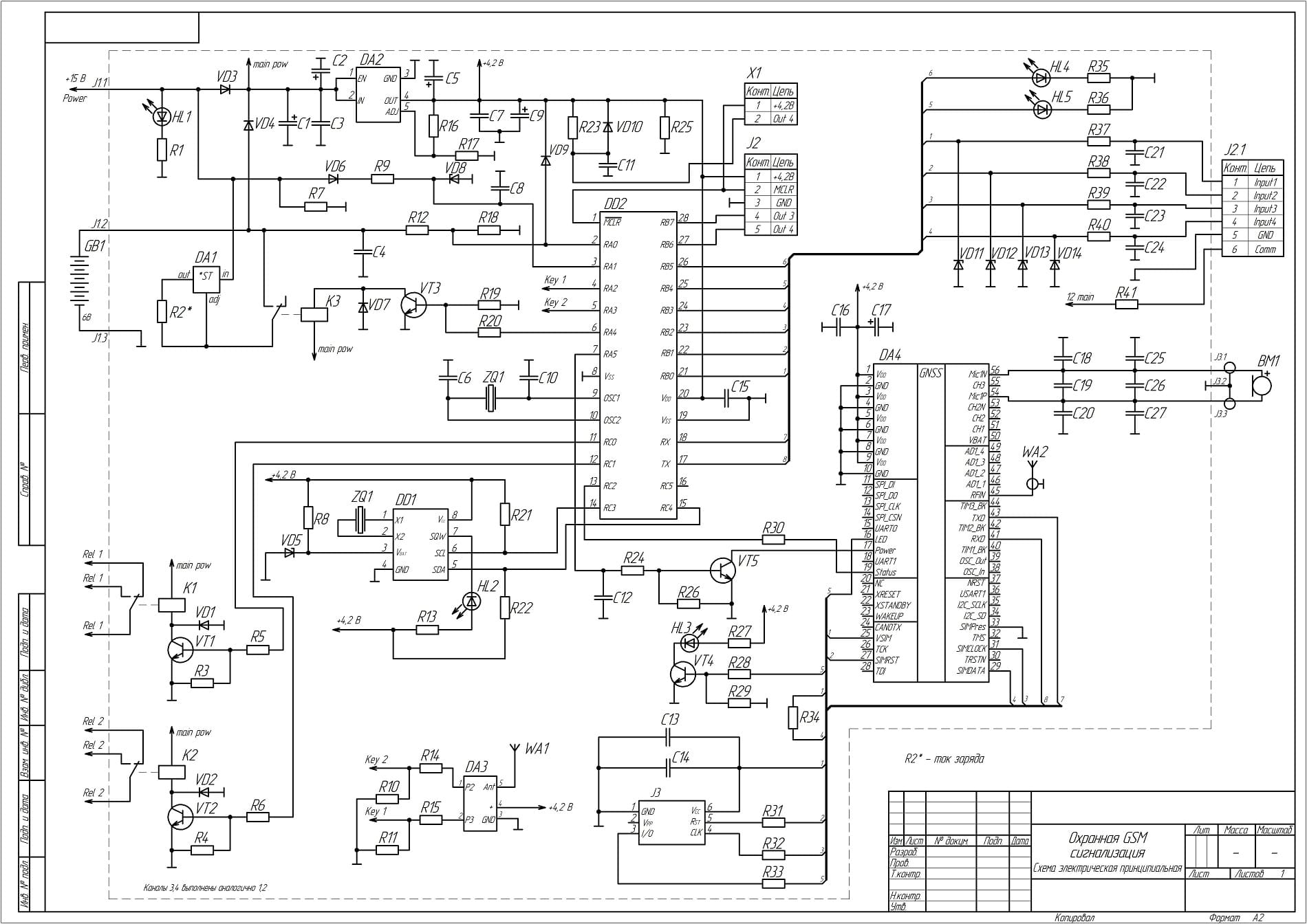
выложу несколько образцов своих работ

123.JPG
Опора.jpg
схема.jpg
корпус.jpg
4е3ку.jpg
Fty45ht.jpg
523hregrwg.jpg
кран.jpg
Аватара пользователя
elalex
Сообщения: 7423
Зарегистрирован: 21 июл 2015, 08:08
Репутация: 591
Откуда: [email protected]
Контактная информация:

Разрабатываю схемы электрические на РЭА и АСУТП

Сообщение elalex » 17 мар 2018, 23:42

Openair:
На этот форум навряд ли заходят работодатели. Всё больше по мелочам, как у vita4755 - 2 лампочки да 2 клавиши, страшно сложная схема.
Такое лицо, как у Вас на аватаре, у меня было на работе по направлению после института. Со мной рядом молоко скисало мгновенно.
Одиночный свободный электрик
Опыт ремонтов квартир 20лет
Высшее электрическое образование
Бывший инженер-электрик
Пенсионер
64 года
Пишу для владельцев частного жилья
Запасной E–mail для россиян: [email protected]
Аватара пользователя
TOPMO3
Сообщения: 4181
Зарегистрирован: 29 фев 2016, 10:37
Репутация: 626
Откуда: Ижевск
Контактная информация:

Разрабатываю схемы электрические на РЭА и АСУТП

Сообщение TOPMO3 » 18 мар 2018, 19:59

elalex писал(а):Источник цитатыНа этот форум навряд ли заходят работодатели.
А вдруг кто и зайдет!
Может какой бедолага-подчиненый, которого загрузили проблемой, а как решить не знает - вот и сведет его с начальством.
Всё больше по мелочам, как у vita4755 - 2 лампочки да 2 клавиши, страшно сложная схема.
Я вот не замечал, чтоб Вы лично ... хоть одну такую "страшно сложную схему"(с) нарисовать сумели ... только негатива вот разводите.
Такое лицо, как у Вас на аватаре, у меня было на работе по направлению после института. Со мной рядом молоко скисало мгновенно.
Почему было? А сейчас ... поди, в обморок падаете, когда бриться начинаете?
Поди у Вас лицо, как погода на Чукотке ... плохое - очень плохое - хуже не бывает! :biggrin:
Смеюсь последний ... тормоз однако!
Аватара пользователя
Openair
Сообщения: 4
Зарегистрирован: 10 сен 2017, 02:31
Репутация: 0

Разрабатываю схемы электрические на РЭА и АСУТП

Сообщение Openair » 02 апр 2018, 13:39

ясно
Аватара пользователя
mastervictor
Сообщения: 4494
Зарегистрирован: 23 июл 2015, 08:50
Репутация: 508
Откуда: Краснодар(почти)
Контактная информация:

Разрабатываю схемы электрические на РЭА и АСУТП

Сообщение mastervictor » 02 апр 2018, 15:57

Если ни где не разместить информацию,то её и найти в инете.
Набей пост с хэштэгами,и контактными данными,а вдруг кто ищет тебя.
Нет ничего невозможного,необходимо две вещи,время и деньги!(Я :hi: )
Я отношусь к людям так,как они относятся ко мне!(Я :hi: )
Аватара пользователя
Openair
Сообщения: 4
Зарегистрирован: 10 сен 2017, 02:31
Репутация: 0

Разрабатываю схемы электрические на РЭА и АСУТП

Сообщение Openair » 28 окт 2018, 13:50

mastervictor писал(а):Источник цитаты Если ни где не разместить информацию,то её и найти в инете.
Набей пост с хэштэгами,и контактными данными,а вдруг кто ищет тебя.

спасибо!
Аватара пользователя
Draft
Сообщения: 1
Зарегистрирован: 22 фев 2024, 21:52
Репутация: 0
Откуда: Ижевск
Контактная информация:

Разрабатываю схемы электрические на РЭА и АСУТП

Сообщение Draft » 22 фев 2024, 21:54

Сбросил вам принципиалку, нужна трассировка платы, неспешно. Что по цене?
Вложения
1 (5).jpg
Аватара пользователя
TOPMO3
Сообщения: 4181
Зарегистрирован: 29 фев 2016, 10:37
Репутация: 626
Откуда: Ижевск
Контактная информация:

Разрабатываю схемы электрические на РЭА и АСУТП

Сообщение TOPMO3 » 23 фев 2024, 08:50

Draft писал(а):Источник цитаты Сбросил вам принципиалку, нужна трассировка платы, неспешно. Что по цене?
А зачем сбрасывать ему то, что схлямзено у него же? :fool:
Вам нравится заниматься некропостерством ... или у Вас случайно получилось? :biggrin:
Смеюсь последний ... тормоз однако!


  • Реклама

Вернуться в «Ищу работу»

Кто сейчас на конференции

Сейчас этот форум просматривают: нет зарегистрированных пользователей и 8 гостей