Старый французский электро-распределительный щиток в жилом доме

Вопросы от того, кто, мало сталкивался с темами электричества. Просьба к профессионалам стараться отвечать просто и понятно для людей без профильного образования.
Аватара пользователя
Duval
Сообщения: 92
Зарегистрирован: 02 июл 2023, 19:33
Репутация: 3
Контактная информация:

Старый французский электро-распределительный щиток в жилом доме

Сообщение Duval » 25 фев 2024, 17:48

TOPMO3 писал(а):Источник цитаты если, во Франции, они относятся к "стандартному электро-оборудованию" ... зачем Вы собрались менять имеющийся?

Видите ли, мне надо сделать максимальное количество работ в доме. Я один. Доход небольшой. Никого нанимать не имею возможности. Все работы происходят не очень быстро, а вот года бегут. Поэтому, лучше сделать это в ближайшие годы, не откладывая на потом. Потому что за последние годы цены на многое выросли неимоверно. Например, тот набор продуктов, за который я платил 3 года назад 100 евро, теперь стоит 150.
А вчера разговаривал с людьми, которые ищут недорогую ночёвку в Страсбурге и уже сбились с ног в этом поиске. Я удивился, потому что там всегда были даже в центре гостиницы по 50 евро за ночь, и в 2020 я сам этим пользовался. А оказывается, что теперь меньше 100 не найти.
Понимаете, какая ситуация? В любом случае отсюда надо будет убираться, потому что Европа загибается. Ну, не сейчас, и не завтра, но лет через 10-15. И если у меня при продаже дома покупатель начнёт капризничать, что щиток старого образца, то мне его менять через 10 лет будет не с руки, наверно. Лучше это сделать сейчас, пока нет никакой спешки.
Реклама
Аватара пользователя
TOPMO3
Сообщения: 4181
Зарегистрирован: 29 фев 2016, 10:37
Репутация: 626
Откуда: Ижевск
Контактная информация:

Старый французский электро-распределительный щиток в жилом доме

Сообщение TOPMO3 » 26 фев 2024, 08:43

Duval писал(а):Источник цитаты... А который я сфотил, это я 2 таких как-то не алике купил ... их можно поставить в верхний ряд?
Покупали два одинаковых? Если да, то действительно, можно вместо двух FU(L) поставить.
Duval писал(а):Источник цитаты Сейчас посмотрел на них, не могу понять, ... на старых максимальная цифра 25 ампер, а на этих новых написано 4000!
Выше писал что они защищают ... конкретно по Вашим, надо знать:
C20 - 20 ампер ... ток, выше которого, автомат отключится по перегреву защищая провода;
Idn = 30 mA - ток утечки ... при котором отработает дифавтомат, защищая человека.
Вложения
2.jpg
Смеюсь последний ... тормоз однако!
Аватара пользователя
TOPMO3
Сообщения: 4181
Зарегистрирован: 29 фев 2016, 10:37
Репутация: 626
Откуда: Ижевск
Контактная информация:

Старый французский электро-распределительный щиток в жилом доме

Сообщение TOPMO3 » 26 фев 2024, 10:27

Выходит, Вам надо приобрести, дополнительно, еще вот такие приборы ... и щкафчик, куда всё это разместить ...
Вложения
1Наружная ручка.jpg
Смеюсь последний ... тормоз однако!
Аватара пользователя
Duval
Сообщения: 92
Зарегистрирован: 02 июл 2023, 19:33
Репутация: 3
Контактная информация:

Старый французский электро-распределительный щиток в жилом доме

Сообщение Duval » 26 фев 2024, 13:02

Да, я так и думал, в общем-то, вы опередили мой вопрос вашим рисунком.
То есть, вместо правой пары старых керамических один дифавтомат, и вместо левой пары так же.
Меня смущало, что в нынешнем варианте по одному телу на каждый провод, а в новом по 2 провода в одно тело. Как-то неуютно от этого :smile:
Но отличие с вашим рисунком в том, что правая пара только с красными проводами, а левая только с синими.
И на этих автоматах указано 20 ампер, а на старых керамических 25. Меня смущает эта разница.
Аватара пользователя
TOPMO3
Сообщения: 4181
Зарегистрирован: 29 фев 2016, 10:37
Репутация: 626
Откуда: Ижевск
Контактная информация:

Старый французский электро-распределительный щиток в жилом доме

Сообщение TOPMO3 » 26 фев 2024, 14:30

Duval писал(а):Источник цитаты То есть, вместо правой пары старых керамических один дифавтомат, и вместо левой пары так же.
Меня смущало, что в нынешнем варианте по одному телу на каждый провод, а в новом по 2 провода в одно тело. Как-то неуютно от этого :smile:
Но отличие с вашим рисунком в том, что правая пара только с красными проводами, а левая только с синими.
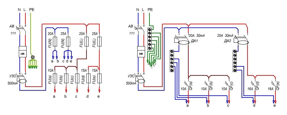
Нет, не правильно поняли ... вот Вам две картинки и постарайтесь понять что вместо чего ...
Duval писал(а):Источник цитаты на этих автоматах указано 20 ампер, а на старых керамических 25
У Вас куплено два по 20А ... я их и нарисовал.
Вложения
1Схема.jpg
Смеюсь последний ... тормоз однако!
Аватара пользователя
Duval
Сообщения: 92
Зарегистрирован: 02 июл 2023, 19:33
Репутация: 3
Контактная информация:

Старый французский электро-распределительный щиток в жилом доме

Сообщение Duval » 26 фев 2024, 15:42

А вот такой, на 2 канала, он лучше? Я там нашёл такие на 25 ампер. Если такие лучше, тогда я такие куплю.
Вложения
S91a.jpg
Аватара пользователя
TOPMO3
Сообщения: 4181
Зарегистрирован: 29 фев 2016, 10:37
Репутация: 626
Откуда: Ижевск
Контактная информация:

Старый французский электро-распределительный щиток в жилом доме

Сообщение TOPMO3 » 26 фев 2024, 16:09

У Вас, два дифавтомата, купленные на АлиЭкспресс ...сейчас предлагаете один заменить на простой автомат (без диффзашиты) ...не вижу смысла в замене.
В самом начале, был задан вопрос ... какая величина, у Вас, по договору, разрешённой, выделенной мощности?
Заодно, желательно перечислить, что подключено к пяти предохранителям (в нижнем ряду).
Предполагаю, что та "секретная" коробочка, которая находится выше счётчика и есть "ограничитель" потребляемой мощности.
Смеюсь последний ... тормоз однако!
Аватара пользователя
Duval
Сообщения: 92
Зарегистрирован: 02 июл 2023, 19:33
Репутация: 3
Контактная информация:

Старый французский электро-распределительный щиток в жилом доме

Сообщение Duval » 26 фев 2024, 17:05

Я затрудняюсь сейчас ответить про договор и мощность. Честно говоря, я никогда эту информацию не видел. Я попробую её найти, а потом расскажу.
А к пяти предохранителям подключено абсолютно всё, что есть в доме. 2 этажа, 190 м2 + гараж. Все розетки питаются от этого щитка и предохранителей. Другое дело, что постоянное потребление у меня небольшое. Холодильник, телевизор и комп. 2 последние тоже не всё время работают. Ну, иногда стиральная машина используется, иногда электро-дрель.
Аватара пользователя
TOPMO3
Сообщения: 4181
Зарегистрирован: 29 фев 2016, 10:37
Репутация: 626
Откуда: Ижевск
Контактная информация:

Старый французский электро-распределительный щиток в жилом доме

Сообщение TOPMO3 » 27 фев 2024, 10:16

Duval писал(а):Источник цитатыДругое дело, что постоянное потребление у меня небольшое. Холодильник, телевизор и комп. 2 последние тоже не всё время работают. Ну, иногда стиральная машина используется, иногда электро-дрель.
В принципе, написанного достаточно ... у Вас нет больших нагрузок, так что, не обращайте внимания на то, что у Вас стоит предохранитель на 25 ампер ... можно смело заменить его на дифавтомат в 20 ампер. Коли Вы его уже купили, зачем пропадать ему ... даже если окажется, что начнет отключаться из-за перегруза, никогда не поздно купить на 25 ампер и заменить.
Если Вы согласны с предложенным списком оборудования, остается определиться с требуемыми габбаритами ящика, куда всё это будет монтироваться. Скорее всего нужен будет ящик с двумя или тремя рядами дин реек ... мы не обговорили насчет прибора переключающего тариф и трансформатор (нам даже не известно, как они подключены! :sad: ) ... их тоже надо в щиток или остаются на месте?
Левая половинка щитка (где счетчик и УЗО) переделывать не будете?
Смеюсь последний ... тормоз однако!
Аватара пользователя
Duval
Сообщения: 92
Зарегистрирован: 02 июл 2023, 19:33
Репутация: 3
Контактная информация:

Старый французский электро-распределительный щиток в жилом доме

Сообщение Duval » 27 фев 2024, 12:50

Здравствуйте. Я нашёл заветную информацию. Написано мощность 6 KVA. Это значит киловатты, да? А как же в эти KVA встраиваются мои амперы?
Что касается уже существующего дифавтомата на 20 ампер, то я лучше положу его на полочку, и всё таки куплю 2 других (это для верхнего ряда). И нижний ряд ещё 5 разных. Но мне надо точно определить то, что мне нужно из всех многообразных вариантов существующего материала. Я вам покажу фотки, а то для меня они все одинаковые, а вы видите между ними различие.
И короб устанавливать не надо. Я хочу только заменить существующие старые модели на новые. Там довольно короткие провода и наращивать их я боюсь.
Аватара пользователя
sibarit
Сообщения: 308
Зарегистрирован: 09 ноя 2023, 11:53
Репутация: 55
Контактная информация:

Старый французский электро-распределительный щиток в жилом доме

Сообщение sibarit » 27 фев 2024, 12:54

6 KVA = 6000 VA
6000 VA / 220 V = 27A ( 6000 VA / 230 V = 26A )
Аватара пользователя
TOPMO3
Сообщения: 4181
Зарегистрирован: 29 фев 2016, 10:37
Репутация: 626
Откуда: Ижевск
Контактная информация:

Старый французский электро-распределительный щиток в жилом доме

Сообщение TOPMO3 » 27 фев 2024, 15:16

Duval писал(а):Источник цитаты Написано мощность 6 KVA.
КВА (Вольт-амперы) - это полная мощность ... физлицам, учитывают только полезную мощность (кВт), которая получается после вычитания из полной, 20% ... т.е.
6 кВА - (20%) = 6 кВА - 1,2 = 4,8 кВт. Напряжение Вашей питающей сети - 230В ... соответственно возможная, максимальная нагрузка ... 4,8 кВт. / 230 В = 20,8695652173913 А ... т.е. 21 ампер, примерно.
Зачем тратить лишние деньги, если Вы не сможете потреблять больше разрешенного?
Duval писал(а):Источник цитаты И короб устанавливать не надо. Я хочу только заменить существующие старые модели на новые. Там довольно короткие провода и наращивать их я боюсь.
Из какого материала этот щит, на котором установлены предохранители? Дерево?
Ни одна контролирующая шарага эту туфту не примет ... за эти 20 - 30 лет, требования на порядок повысились ... монтаж электрооборудования на деревянную основу - противоречит всем нормативам.
Не вижу, никакого смысла менять предохранители на современные автоматы с таким основанием.
Провода старые, тк и так надо будет менять, так как они разведены по другим линиям ... я для кого выкладывал две схемы рядом? Неужели не видно, что вся разводка меняется кардинально.
И саму разводку (провода) надо проверить ... какое у него сечение ... не факт, что оно соответствует параметрам автоматов, которые Вы пытаетесь выбрать по своей "хотелке", а не в соответствии имеющейся нагрузки и сечения проводов.
Всё взаимосвязано ... автоматы+провода+нагрузка+безопасность.
Смеюсь последний ... тормоз однако!
Аватара пользователя
Duval
Сообщения: 92
Зарегистрирован: 02 июл 2023, 19:33
Репутация: 3
Контактная информация:

Старый французский электро-распределительный щиток в жилом доме

Сообщение Duval » 27 фев 2024, 20:58

Знаете, много пугающей информации. Особенно по изъятию этого древнего щита, на котором всё установлено.
Здесь же специально запрещают трогать подобные элементы, а принуждают вызывать специалиста, чтобы он всё сделал по нормам и смог заработать.
А если его вызывать, то не только для замены этого щита, а и всего остального.
И он приедет сначала, чтобы всё осмотреть, составить список, а потом купит это всё у того, кто с ним в доле, то есть, в 10 раз дороже.
И эти "автоматы" уже будут представлены в квитанции не по 6 евриков, как на алике, а по 50, как положено во Франции.
Но в случае подобных ремонтов-заменов одна только работа уже будет оценена в 500 евро (без НДС). А со всеми примочками цена заедет за 1000...
Так что, цена тех, которые я присматриваю у китайцев совсем меня не огорчает. А эти новые, которые у меня есть я спокойно могу продать и вернуть деньги.
В общем, надо мне подумать, прикинуть, съесть твикс.
Но я всё равно склоняюсь к первому варианту : заменить только старые предохранители на новые.
Не я один так делаю. У меня приятель, тут недалеко (50 км), то же самое сделал у себя ещё лет 10 назад. Никого не вызывал, сам всё поменял.
Аватара пользователя
МБВ
Сообщения: 407
Зарегистрирован: 20 мар 2023, 22:32
Репутация: 78
Контактная информация:

Старый французский электро-распределительный щиток в жилом доме

Сообщение МБВ » 27 фев 2024, 21:17

Сюда спрятать, хотя бы часть, не получится?
Вложения
Без названия.jpeg
Без названия.jpeg (9.44 КБ) 3300 просмотров
Аватара пользователя
Duval
Сообщения: 92
Зарегистрирован: 02 июл 2023, 19:33
Репутация: 3
Контактная информация:

Старый французский электро-распределительный щиток в жилом доме

Сообщение Duval » 27 фев 2024, 21:58

Это такая коробочка? Не открывается изображение, маленькое, не видно название. Не знаю, может, и получится спрятать. Но какой смысл? Эти предохранители здесь обычно открыты.
Аватара пользователя
sibarit
Сообщения: 308
Зарегистрирован: 09 ноя 2023, 11:53
Репутация: 55
Контактная информация:

Старый французский электро-распределительный щиток в жилом доме

Сообщение sibarit » 27 фев 2024, 22:23

Duval писал(а):Источник цитаты Здесь же специально запрещают трогать подобные элементы, а принуждают вызывать специалиста, чтобы он всё сделал по нормам и смог заработать.
А если его вызывать, то не только для замены этого щита, а и всего остального.
И он приедет сначала, чтобы всё осмотреть, составить список, а потом купит это всё у того, кто с ним в доле, то есть, в 10 раз дороже.
И эти "автоматы" уже будут представлены в квитанции не по 6 евриков, как на алике, а по 50, как положено во Франции

Зная, как обстоят дела с аналогичными вещами в Германии и предвидя ход развития событий, я не просто так предложил:
sibarit писал(а):Источник цитаты Я бы не стал ничего трогать. Все сделано на века и проработает еще очень долго.
Однако после специалиста будет один неоспоримый плюс: будет установлен Легранд, а не бог весть что из Китая.
Аватара пользователя
Duval
Сообщения: 92
Зарегистрирован: 02 июл 2023, 19:33
Репутация: 3
Контактная информация:

Старый французский электро-распределительный щиток в жилом доме

Сообщение Duval » 27 фев 2024, 22:36

sibarit писал(а):Источник цитаты после специалиста будет один неоспоримый плюс

Не-е, батенька, я лучше так всё оставлю, чем этих разбойников вызывать, которые штаны с людей снимают.
Аватара пользователя
Duval
Сообщения: 92
Зарегистрирован: 02 июл 2023, 19:33
Репутация: 3
Контактная информация:

Старый французский электро-распределительный щиток в жилом доме

Сообщение Duval » 27 фев 2024, 22:43

sibarit писал(а):Источник цитаты будет установлен Легранд, а не бог весть что из Китая

Так у меня целый набор Legrand, я его на фотке показывал. Я его могу поставить.
Вложения
05.jpg
Аватара пользователя
TOPMO3
Сообщения: 4181
Зарегистрирован: 29 фев 2016, 10:37
Репутация: 626
Откуда: Ижевск
Контактная информация:

Старый французский электро-распределительный щиток в жилом доме

Сообщение TOPMO3 » 28 фев 2024, 08:07

Duval писал(а):Источник цитаты
sibarit писал(а):Источник цитаты будет установлен Легранд, а не бог весть что из Китая

Так у меня целый набор Legrand, я его на фотке показывал. Я его могу поставить.
Ну дык, ставьте этот "набор" немного изменив, согласно нарисованной схемы + добавив еще три клеммника.
Примерно так, можете скомплектовать ...
Вложения
1Наружная ручка.jpg
Смеюсь последний ... тормоз однако!
Аватара пользователя
Duval
Сообщения: 92
Зарегистрирован: 02 июл 2023, 19:33
Репутация: 3
Контактная информация:

Старый французский электро-распределительный щиток в жилом доме

Сообщение Duval » 28 фев 2024, 16:29

Если ставить так, как вы указали на рисунке, то надо будет провода из верхнего ряда дотянуть до нижнего. Это надо будет их клемником скреплять? А разве можно так наращивать провода на щитке?


  • Реклама

Вернуться в «Вопросы от "чайника"»

Кто сейчас на конференции

Сейчас этот форум просматривают: Baidu [Spider] и 9 гостей