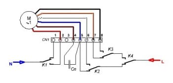
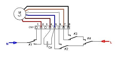
Если желтыми правильно, тогда контакты реле подключены (через CN1) к двигателю, вот так. Не уверен, что провода от двигателя подключены верно ...yurbant писал(а):Источник цитаты... Вот эти замкнуты:
Что собирать?yurbant писал(а):Источник цитаты Я буду собирать по этой схеме.
Извините, схему я рисовал на догадках и предположениях ... её требуется сверить с реальной платой, а не брать за основу с ходу.yurbant писал(а):Источник цитаты Мне только не понятно было по проводам, ну теперь, с помощью вашей схемы, стало понятней.
Я мог ошибиться ... надо искать схему многоскоростного двигателя ...yurbant писал(а):Источник цитаты То есть, фаза получается чёрный провод, а ноль красный. А то я думал, наоборот.

Я, контакты К5, вообще убрал из схемы, также и второй предохранитель ... они предназначены для подачи питания второму трансформатору (которого в реале нет вообще). На перегретые пайки, я указывал - ответ "они пустые".МБВ писал(а):Источник цитаты Схема она, за исключением К5, который управляет вторым предохранителем. Контакты к5 могли отогреть.
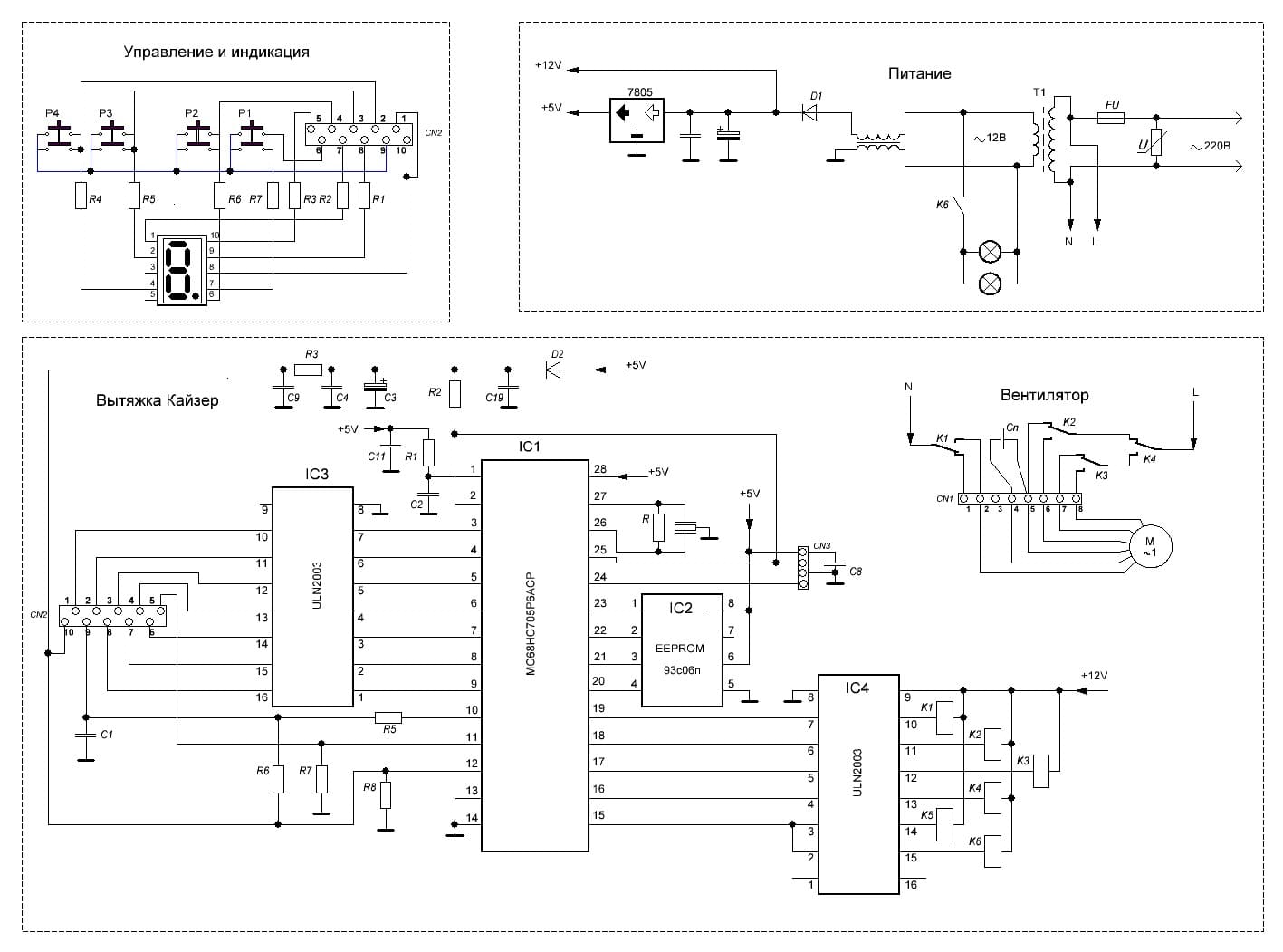
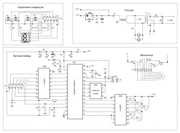
Схему управления двигателем и цвета проводов ... рисовал по этому фото. Надо конкретно озвучить соответствие цветов с контактами CN1.TOPMO3 писал(а):Источник цитаты Я до сих пор не представляю ... сходятся ли по цветам и предназначение каждого провода.
TOPMO3 писал(а):Источник цитаты Надо конкретно озвучить соответствие цветов с контактами CN1.
yurbant писал(а):Источник цитаты До сих пор не могу понять куда делась одна скорость. Получается по числу проводов идущих к двигателю, 2 провода на конденсатор, 1 провод линия, остаётся 3 провода на кнопки, а скоростей 4, и ладно бы 4-ой не было бы, я 3 и 4 скоростью почти не когда не пользовался,
Нет ... для перехода на механическое подключение, надо найти пакетный переключатель на пять положений ... но которое вряд-ли найдете.yurbant писал(а):Источник цитаты получается мне нужно три трёхпозиционных кнопки. Правильно?
Можно обойтись без дополнительных реле, но для включения использовать не кнопки, а маленькие выключатели (или тумблеры).TOPMO3 писал(а):Источник цитаты Можно собрать схему на дополнительных реле ...
МБВ писал(а):Источник цитаты Если уж ломать, я бы предложил это, 2 шт. Один свет, второй выкл, 1,2,3,4.
TOPMO3 писал(а):Источник цитатыНет ... для перехода на механическое подключение, надо найти пакетный переключатель на пять положений ... но которое вряд-ли найдете.yurbant писал(а):Источник цитаты получается мне нужно три трёхпозиционных кнопки. Правильно?
Можно собрать схему на дополнительных реле ... или ... собрать схему на логике.
Кстати ... какое напряжение на выходе стабилизатора 7805? Может попробовать его заменить ... думаю можно и "кренкой" советской заменить ... чем черт не шутит ... вдруг он не тянет.
Раскажите, как обзываются кнопки и их соответствие со схемой ... что происходило и что происходит сейчас ... при нажатии на кнопок ... как работал индикатор и как работает сейчас? Замерьте напряжение на CN2, между контактами 9 и 10 (1).
Мне кажется, что при нажатии любой кнопки, на индикаторе должна засветиться, хотя бы один сегмент ... но это при условии, если в момент нажатия не отключается +5 на выводах 3 и 8 ... кнопки подают "массу" на соответствующий светодиод.
TOPMO3 писал(а):Источник цитатыМожно обойтись без дополнительных реле, но для включения использовать не кнопки, а маленькие выключатели (или тумблеры).TOPMO3 писал(а):Источник цитаты Можно собрать схему на дополнительных реле ...
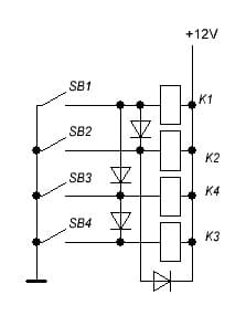
Развязку сделать на диодах ...
Реле остаются те же ... понадобится четыре выключателя или тумблера (с фиксацией) ... или поворотный переключатель на пять положений ... четыре с соответствующими параметрами, диода.
Работает так:
SB1 - включает только К1 (1_я скорость);
SB2 - включает К1 и К2 (2_я скорость);
SB3 - включает К1 и К4 (3_я скорость);
SB4 - включает К1, К3 и К4 (4_я скорость).
Сейчас этот форум просматривают: нет зарегистрированных пользователей и 8 гостей