Илья Б. писал(а):Источник цитаты EKF АД-32 С-40
Илья Б. писал(а):Источник цитаты чтобы "завести" кондиционер, приходится по 10 - 15 раз нажимать кнопочку и поднимать включатель
Илья Б. писал(а):Источник цитаты На что менять этот EKF АД-32 С40?
Имхо ... от них это какашки а не диф автоматы.Илья Б. писал(а):Источник цитаты EKF ...

TOPMO3 писал(а):Источник цитаты Загадка вот такая была.

aleksey.RU писал(а):Источник цитаты Скорее всего он не 40А, а в районе 16-25А.

Можно.Расул,, писал(а):Источник цитаты Вопрос можно ли взять ноль из другой розетки а фазу со своей
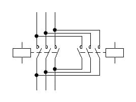
Можно ... если они имеют доп_контакты.Расул,, писал(а):Источник цитаты Можно ли нереверсивными пускатели подключить к реверсу и осуществлять реверс
Двигателей
TOPMO3 писал(а):Источник цитаты Можно ... если они имеют доп_контакты
Расул,, писал(а):Источник цитаты нереверсивными пускатели подключить к реверсу и осуществлять реверс
Вернуться в «УЗО и дифференциальные автоматы»
Сейчас этот форум просматривают: Google [Bot] и 7 гостей