Может кто-то обьяснить как приводится в действие элетродвигатель

Выбор, пуск, схемы подключения и соединения обмоток, реверс различных электродвигателей.
Dimonic312
Сообщения: 2
Зарегистрирован: 16 май 2024, 20:12
Репутация: 0
Откуда: Москва
Контактная информация:

Может кто-то обьяснить как приводится в действие элетродвигатель

Сообщение Dimonic312 » 16 май 2024, 20:19

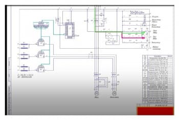
Здравствуйте! Учусь на киповца и до сих пор сильно плаваю в электронике. Вот хочу на примере схеме разобраться. У нас есть электропечь сопротивления камерного типа. У нее с кнопки можно открыть дверь или закрыть дверь печи. Как это реализовано исходя из схемы. То есть какие этапы происходят? Что сначала включается, что потом и так далее, пока не дошли до электродвигателя (Пошаговая инструкция, как от кнопки мы доходим до поднимания или опускания двери). Если кто-то объяснит, буду очень благодарен!
Вложения
Снимок экрана 2024-05-16 в 18.03.09.png
Сама электрическая схема
Реклама
Аватара пользователя
МБВ
Сообщения: 407
Зарегистрирован: 20 мар 2023, 22:32
Репутация: 78
Контактная информация:

Может кто-то обьяснить как приводится в действие элетродвигатель

Сообщение МБВ » 16 май 2024, 22:37

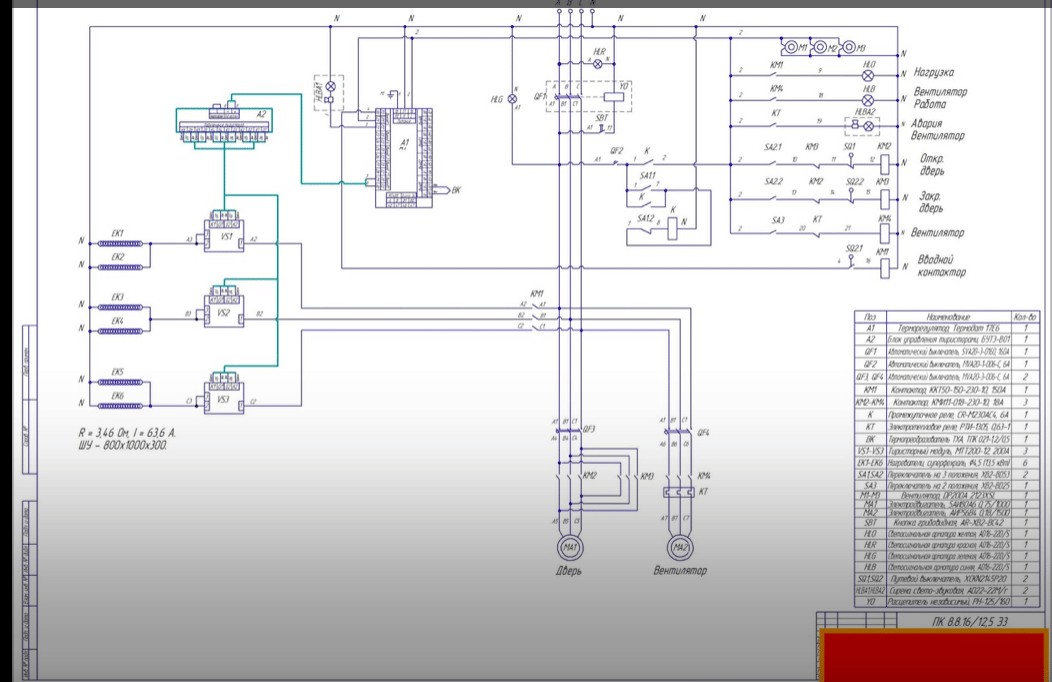
Делов то. Шестиамперным автоматом подаем напряжение на галетник, тот через промежуточное реле и концевики хлопает пускателями для реверса мотора с контактами блокировки от дебила, который на все кнопки жмет.
Вложения
pereklyuchatel-galetnyj-kulachkovyj-ca-10-40a.jpg
Dimonic312
Сообщения: 2
Зарегистрирован: 16 май 2024, 20:12
Репутация: 0
Откуда: Москва
Контактная информация:

Может кто-то обьяснить как приводится в действие элетродвигатель

Сообщение Dimonic312 » 17 май 2024, 00:28

МБВ писал(а):Источник цитаты Делов то. Шестиамперным автоматом подаем напряжение на галетник, тот через промежуточное реле и концевики хлопает пускателями для реверса мотора с контактами блокировки от дебила, который на все кнопки жмет.
Спасибо большое за ответ! Сейчас пытаюсь сообразить, но что-то всеравно не выходит. Можете пожалуйста буквенно указать, что через что проходит 6а автомат - это который Qf2? и как он сразу идет на галечник? (переключатель на 3 положения SQ1.1? ) разве он не должен пройти перед этим промежуточное реле? Или показать красной линией откуда начинаем читать и в каком направлении движемся. (Не могу сообразить просто откуда начинать прослеживать). Буду очень благодарен.
Аватара пользователя
МБВ
Сообщения: 407
Зарегистрирован: 20 мар 2023, 22:32
Репутация: 78
Контактная информация:

Может кто-то обьяснить как приводится в действие элетродвигатель

Сообщение МБВ » 17 май 2024, 10:15

Как Вы попали на Киповца? У киповца должна быть канифоль в крови. Школа дает направление, а путь Вы должны пройти сами (хотя бы пальцем по схеме).
Вложения
Снимок экрана 2024-05-16 в 18.03.09_edit_9173585225261103.png
Аватара пользователя
TOPMO3
Сообщения: 4181
Зарегистрирован: 29 фев 2016, 10:37
Репутация: 626
Откуда: Ижевск
Контактная информация:

Может кто-то обьяснить как приводится в действие элетродвигатель

Сообщение TOPMO3 » 17 май 2024, 10:27

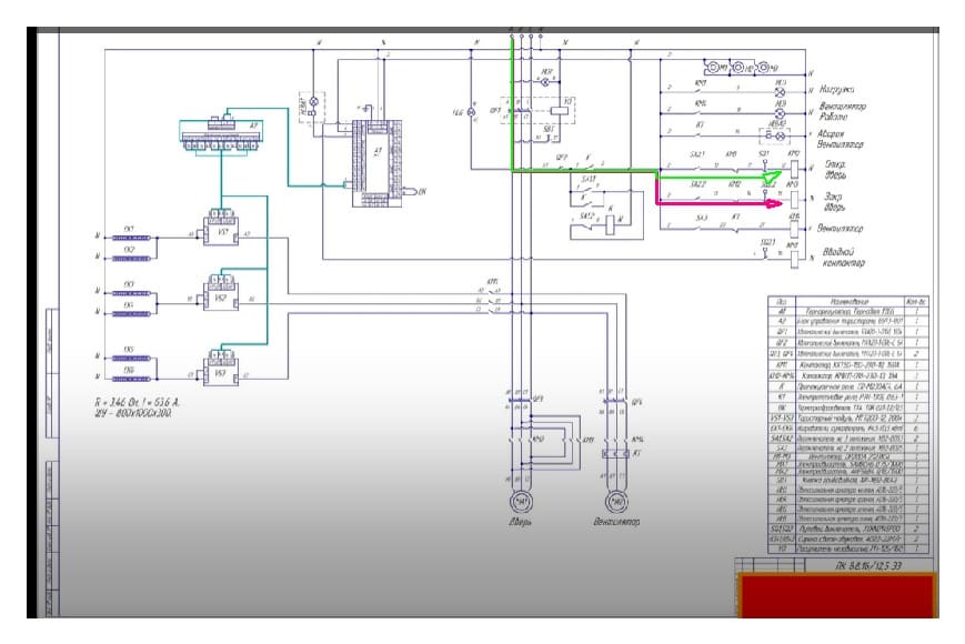
Dimonic312 писал(а):Источник цитаты У нее с кнопки можно открыть ...
Я, на схеме, нашел только одну кнопку (в форме грибка) ... больше тама (на схеме) кнопок нет! :pardon:
На схеме указал: Зеленая стрелка - прохождение "фазы" при режиме "дверь открыть"; Розовая стрелка - режим "дверь закрыть".
Вложения
1C.jpg
Смеюсь последний ... тормоз однако!
Аватара пользователя
sibarit
Сообщения: 308
Зарегистрирован: 09 ноя 2023, 11:53
Репутация: 55
Контактная информация:

Может кто-то обьяснить как приводится в действие элетродвигатель

Сообщение sibarit » 17 май 2024, 16:09

Ему, очевидно, надо следующее изложение:

Контакт SA1 включает контактор К, который подает напряжение на панель управления и сигнализации и самоблокируется (остается включенным после размыкания SA1). Для отключения панели управления необходимо разомкнуть контакт SA12.
Контакт SA21 включает контактор КМ2, который подает напряжение на мотор МА1 для открывания двери.
Контакт SA22 включает контактор КМ3, который подает напряжение на мотор МА1 для закрывания двери.
После отключения контакта SA21(SA22) контактор KM2(KM3) отключается, мотор останавливается.

Он просто еще не научился читать схемы. А вот научится ли?


  • Реклама

Вернуться в «Электродвигатели переменного и постоянного тока»

Кто сейчас на конференции

Сейчас этот форум просматривают: Google [Bot] и 10 гостей