A.Li писал(а):Источник цитаты не то расширение файла
A.Li писал(а):Источник цитаты Как рисовать схемы как рисовал Arg - наглядно с рисунками автоматов, Узо ?
[/elalex писал(а):Источник цитатыA.Li писал(а):Источник цитаты Как рисовать схемы как рисовал Arg - наглядно с рисунками автоматов, Узо ?
Леопольд писал(а):Источник цитаты много-много букв
Но всё-равно спасибо 
A.Li писал(а):Источник цитаты Хотелось бы схему понятную с первого взгляда всем
elalex писал(а):Источник цитатыA.Li писал(а):Источник цитаты Хотелось бы схему понятную с первого взгляда всем
А что, встречались схемы, непонятные с первого взгляда всем? И можете показать такую?
A.Li писал(а):Источник цитаты на форуме не все электрики которым понятны сокращения РН, Ко, СК и др.
A.Li писал(а):Источник цитатыelalex писал(а):Источник цитатыA.Li писал(а):Источник цитаты Хотелось бы схему понятную с первого взгляда всем
А что, встречались схемы, непонятные с первого взгляда всем? И можете показать такую?
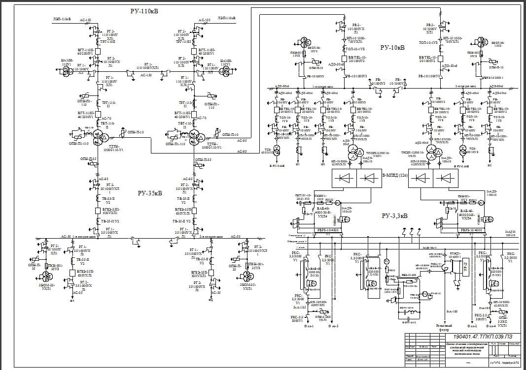
Дело в том что на форуме не все электрики которым понятны сокращения РН, Ко, СК и др., а когда неискушённый любитель смотрит на схему-рисунок с изображениями автоматов, узо, реле, розеток да ещё с подписанными характеристиками становится чётко ясно что есть что. Для широкого круга любознательных. Такую схему (или уж не схему) я и хотел узнать как делать. Видимо есть какая-то прога для этого.
.elalex писал(а):Источник цитаты А что, встречались схемы, непонятные с первого взгляда всем? И можете показать такую?
)
)elalex писал(а):Источник цитаты Это мои личные сокращения исключительно для меня.
)
)mastervictor писал(а):Источник цитаты должны использовать общепринятые сокращения,а не выдумывать их!",не?
mastervictor писал(а):Пусть меня поправят,но вроде как-"мы все тут профессионалы,и должны использовать общепринятые сокращения,а не выдумывать их!",не?
. Хотите- увольте...
Тогда
с горя. Для меня может честь общаться с профи ! Электрикой занимаюсь не просто по вынуждению но и с удовольствием - почему-то интересно
И стараюсь всё делать по правилам как положено думая в первую очередь об электро и пожарной безопасности, не скупясь приобретать необходимые инструменты и материалы.
) Просто даже интересно как Админ "Заметки электрика" делал на своём сайте схемы-рисунки действительно сразу понятные всем вроде меня- сужу на своём опыте. Но повторюсь - не настаиваю, пусть будут схемы как положено.Вернуться в «Проектирование внутреннего электроснабжения»
Сейчас этот форум просматривают: нет зарегистрированных пользователей и 15 гостей