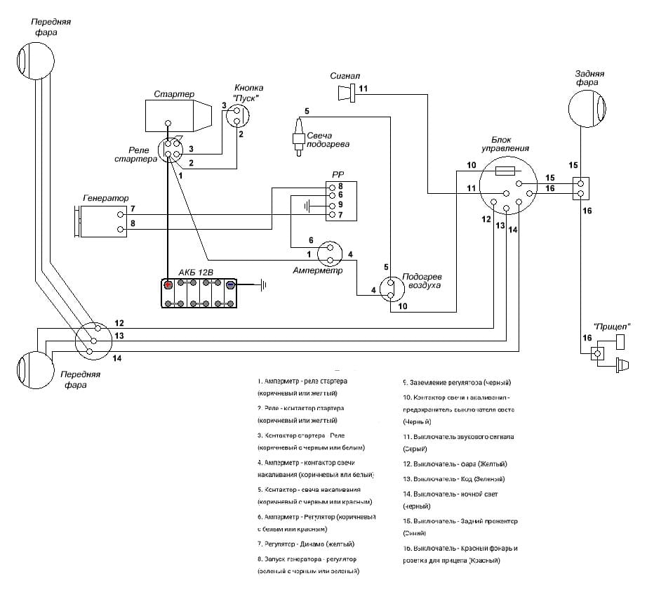
Верно ...Duval писал(а):Источник цитатыСледуя вашей схеме, толстый кабель "+" от аккумулятора теперь должен подключаться к другому большому контакту, на котором раньше был только жёлто-зелёный провод. Туда же надо подключить и оранжевый.
Да ...На первом большом контакте остаётся короткий толстый провод на спину стартёра и добавляется красная перемычка.
Если считаете, что так будет лучше ... устанавливаете.А можно мне вместо провода установить медную перемычку?
Зачем? Если реле будет висеть в воздухе, или будете крепить изолированно от массы трактора ... тогда надо.Надо ли подключать дополнительно провод "-" на корпус реле?
Да ...Следуя схеме, которую вы нарисовали, разница только в красной перемычке, вроде бы.
TOPMO3 писал(а):Источник цитаты Сколько раз можно мусолить одно и тоже?!!!

Кнопку надо востанавливать ...я вообще не понимаю, простейшее устройство ...в чем проблема?!!!Duval писал(а):Источник цитаты Я снял стартёр, и снял с него кнопку.
Более дурацкого вопроса, не придумали?А что если поменять местами синий и жёлто-зелёный провода?
TOPMO3 писал(а):Источник цитаты Довольно часто навещает мысля ...что Вы прикалываетесь, задавая подобные вопросы.
Извините, вот, такой я балбес. Я с большим уважением к вам отношусь и никогда не посмел бы себе подобные шутки.Хорошо ... есть смысл, проверить и второй вариант запуска ... на короткое время нажав на резиновую кнопку, на реле.Duval писал(а):Источник цитаты... Я вчера проверил, замкнув 2 контакта, от которых идут синий и жёлто-зелёный провода. Стартер запускается.
Что за ключ? Вам же кнопка нужна!Когда приедет этот ключ от китайцев, я попробую его приладить для этого включения.
TOPMO3 писал(а):Источник цитаты Что за ключ? Вам же кнопка нужна!
Какая разница, я не в состоянии объяснить, так как не имею возможности увидеть, что и как там работает и как устроено.Duval писал(а):Источник цитатыНу, я подумал, что между этими действиями нет разницы. Повернуть ключ для замыкания двух проводов, или нажать кнопку для этой же цели.
Если мы первыми двумя действиями привели механику в готовность, то остаётся подать ток на реле и ось в стартёре начнёт крутиться.
Так какая разница это будет ключ, или кнопка?
Не знаю как во Франции, у нас слово "динамо" уже давно устарело и используется только в названиях футбольных команд ... возможно слыхали, более распространённое слово "генератор"? Так вот он и есть ... введу в курс по ним.Duval писал(а):Источник цитаты... Хочу поменять другие провода, которые до этого не трогал. Например те 2, которыми подключено динамо...
... А с той чёрной коробочкой-реле, которая за щитком спрятана, ничего не надо делать? ..
Вернуться в «Вопросы от "чайника"»
Сейчас этот форум просматривают: нет зарегистрированных пользователей и 9 гостей