Об опасности применения бездисплейных реле напряжения

Выбор и схемы подключения контакторов, пускателей, реле, различных датчиков, кнопок управления, переключателей и т.п.
Аватара пользователя
A.Li
Сообщения: 1766
Зарегистрирован: 03 дек 2015, 09:02
Репутация: 69
Откуда: Омская обл.
Контактная информация:

Об опасности применения бездисплейных реле напряжения

Сообщение A.Li » 05 фев 2017, 15:21

TOPMO3 писал(а):Источник цитаты Каждый по своему с ума сходит ... я тут ни причем.

Тогда по Вашему какая то вообще нужна защита или ну ее подальше раз ничо не было..?
Реклама
Аватара пользователя
A.Li
Сообщения: 1766
Зарегистрирован: 03 дек 2015, 09:02
Репутация: 69
Откуда: Омская обл.
Контактная информация:

Об опасности применения бездисплейных реле напряжения

Сообщение A.Li » 05 фев 2017, 15:31

Кроме ПАВ и ТОРМОЗА кто-нибудь знает правильный подробный ответ на мой пост выше http://forum-electrikov.ru/viewtopic.php?p=27966#p27966
Аватара пользователя
elalex
Сообщения: 7423
Зарегистрирован: 21 июл 2015, 08:08
Репутация: 591
Откуда: [email protected]
Контактная информация:

Об опасности применения бездисплейных реле напряжения

Сообщение elalex » 05 фев 2017, 15:40

A.Li:
1.Почитайте информацию по молниезащите и УЗИП – у ИЭК и OBO Bettermann.
2.У ИЭК есть вебинары и их записи.
3.Заземлениe TN-C для молниезащиты (даже временно) не годится. Нужно ТТ.
4.Импульсные перенапряжения – причина 25% поломок эл.оборудования.
5.Импульсные перенапряжения бродят в сети ежеминутно. Если поставить осциллограф (с послесвечением, чтобы ловил микросекундные всплески), их видно.
Одиночный свободный электрик
Опыт ремонтов квартир 20лет
Высшее электрическое образование
Бывший инженер-электрик
Пенсионер
64 года
Пишу для владельцев частного жилья
Запасной E–mail для россиян: [email protected]
Аватара пользователя
elalex
Сообщения: 7423
Зарегистрирован: 21 июл 2015, 08:08
Репутация: 591
Откуда: [email protected]
Контактная информация:

Об опасности применения бездисплейных реле напряжения

Сообщение elalex » 05 фев 2017, 15:42

A.Li:
1.Почитайте информацию по молниезащите и УЗИП – у ИЭК и OBO Bettermann.
2.У ИЭК есть вебинары и их записи.
3.Заземлениe TN-C для внутренней молниезащиты (даже временно) не годится. Нужно ТТ.
4.Импульсные перенапряжения – причина 25% поломок эл.оборудования.
5.Импульсные перенапряжения бродят в сети ежеминутно. Если поставить осциллограф (с послесвечением, чтобы ловил микросекундные всплески), их видно.
Одиночный свободный электрик
Опыт ремонтов квартир 20лет
Высшее электрическое образование
Бывший инженер-электрик
Пенсионер
64 года
Пишу для владельцев частного жилья
Запасной E–mail для россиян: [email protected]
Аватара пользователя
Константин
Сообщения: 3464
Зарегистрирован: 16 сен 2015, 10:19
Репутация: 851
Откуда: Новосибирская область
Контактная информация:

Об опасности применения бездисплейных реле напряжения

Сообщение Константин » 05 фев 2017, 15:45

A.Li писал(а):Источник цитаты 1. Я не знаю схему подключения и принцип работы УЗИП

Все просто. Все негативные воздействия импульсных перенапряжений он сбрасывает на заземляющее устройство(Клемма РЕ). Соответственно если к ней подключить PEN проводник то эти помехи будут сбрасываться туда. Поэтому ради электробезопасности рекомендую монтировать отдельное ЗУ к таким устройствам в виде разрядников,молнеотводов и т.д.

A.Li писал(а):Источник цитаты УЗИП будет работать в ЩЭ и ЩК без отдельного провода заземления или обязательно наличие заземления и надо начинать сначала со своего ТТ ?

Будет. Но не эффективно. Из допатопных систем заземления электроустановок от такого устройства там эффективность нулевая.
A.Li писал(а):Источник цитаты 2. Если без заземления (третьего провода) УЗИП не работает, то можно ли как-то временно , пока не сделаю свой контур заземления, защитить РН и др. аппараты и следовательно оборудование квартиры от импульсного перенапряжения, установив что-то вроде плавкого предохранителя на вводе в ЩК ? Если да, то подробно, пож-та.

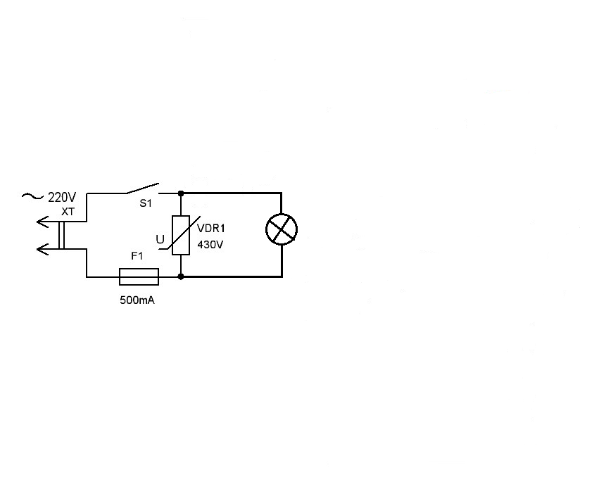
Ну у некоторых устройств защиты реализовано похожая схема.Варистор +плавкий предохранитель. При достижении порогового значения напряжения варистор открывается и выходящие токи пережигают плавкий предохранитель банально устраивают КЗ.Но такой вид защиты не сильно эффективен.
Аватара пользователя
elalex
Сообщения: 7423
Зарегистрирован: 21 июл 2015, 08:08
Репутация: 591
Откуда: [email protected]
Контактная информация:

Об опасности применения бездисплейных реле напряжения

Сообщение elalex » 05 фев 2017, 15:59

1.Плавкий предохранитель срабатывает за миллисекунды, импульс молнии длится микросекунды, варистор УЗИП открывается за наносекунды. Различаете порядок секунд?
2.Предохранитель УЗИП предназначен для предотвращения КЗ после окончания срока службы варистора.
В течение срока службы предохранитель и варистор пропускают через себя все молнии, которые способны пропустить.
Последний раз редактировалось elalex 05 фев 2017, 16:07, всего редактировалось 1 раз.
Одиночный свободный электрик
Опыт ремонтов квартир 20лет
Высшее электрическое образование
Бывший инженер-электрик
Пенсионер
64 года
Пишу для владельцев частного жилья
Запасной E–mail для россиян: [email protected]
ПАВ
Сообщения: 7647
Зарегистрирован: 13 авг 2015, 19:54
Репутация: 923
Откуда: Одесса
Контактная информация:

Об опасности применения бездисплейных реле напряжения

Сообщение ПАВ » 05 фев 2017, 16:05

Совершенно верно:...Плавкий предохранитель срабатывает за миллисекунды, импульс молнии длится микросекунды, варистор УЗИП открывается за наносекунды...(с) т.е.- варистор открылся, предохранитель сгорел и линия осталась свободной от защиты, как трусы без резинки при повторной волне... А чё, нормальная защита- варистор то уцелел!
В жизни все не так, как на самом деле...
Аватара пользователя
elalex
Сообщения: 7423
Зарегистрирован: 21 июл 2015, 08:08
Репутация: 591
Откуда: [email protected]
Контактная информация:

Об опасности применения бездисплейных реле напряжения

Сообщение elalex » 05 фев 2017, 16:12

У ПАВ собственная теория, как работает УЗИП.
Одиночный свободный электрик
Опыт ремонтов квартир 20лет
Высшее электрическое образование
Бывший инженер-электрик
Пенсионер
64 года
Пишу для владельцев частного жилья
Запасной E–mail для россиян: [email protected]
ПАВ
Сообщения: 7647
Зарегистрирован: 13 авг 2015, 19:54
Репутация: 923
Откуда: Одесса
Контактная информация:

Об опасности применения бездисплейных реле напряжения

Сообщение ПАВ » 05 фев 2017, 16:20

Нисколько! Теория простая- тот же правильный плавкий предохранитель, или аналог, включен последовательно с нагрузкой, а не варистором, он обязан сгореть и оборвать линию питания. Обеспечить смерть ему должен варистор параллельно линии питания, такая идея защиты принудительным срабатыванием защиты при перенапряжении применяется давным-давно, реализуется разными способами.
Неизвестная узким кругам бывших электриков система ОВЕРСТОП почему-то известна даже фирме АВВ.
В жизни все не так, как на самом деле...
Аватара пользователя
Константин
Сообщения: 3464
Зарегистрирован: 16 сен 2015, 10:19
Репутация: 851
Откуда: Новосибирская область
Контактная информация:

Об опасности применения бездисплейных реле напряжения

Сообщение Константин » 05 фев 2017, 16:26

elalex писал(а):Источник цитаты 1.Плавкий предохранитель срабатывает за миллисекунды, импульс молнии длится микросекунды, варистор УЗИП открывается за наносекунды. Различаете порядок секунд?

Константин писал(а):Источник цитаты Но такой вид защиты не сильно эффективен.

Ты же читать умеешь верно?
ПАВ
Сообщения: 7647
Зарегистрирован: 13 авг 2015, 19:54
Репутация: 923
Откуда: Одесса
Контактная информация:

Об опасности применения бездисплейных реле напряжения

Сообщение ПАВ » 05 фев 2017, 16:42

Книга "Электрооборудование жилых зданий" Остальное- думайте сами, решайте сами.
Вложения
DSCF2182.JPG
DSCF2181.JPG
В жизни все не так, как на самом деле...
Аватара пользователя
elalex
Сообщения: 7423
Зарегистрирован: 21 июл 2015, 08:08
Репутация: 591
Откуда: [email protected]
Контактная информация:

Об опасности применения бездисплейных реле напряжения

Сообщение elalex » 05 фев 2017, 17:11

1.Плавкий предохранитель никак не защищает от молнии.
2.Варистор защищает от тысяч молний.
Одиночный свободный электрик
Опыт ремонтов квартир 20лет
Высшее электрическое образование
Бывший инженер-электрик
Пенсионер
64 года
Пишу для владельцев частного жилья
Запасной E–mail для россиян: [email protected]
ПАВ
Сообщения: 7647
Зарегистрирован: 13 авг 2015, 19:54
Репутация: 923
Откуда: Одесса
Контактная информация:

Об опасности применения бездисплейных реле напряжения

Сообщение ПАВ » 05 фев 2017, 17:36

1- а УЗИП разве только от молний? Я наивно считал, что и от импульсных перенапряжений, любых, в т.ч. и длительных. Не???
Правильно, сам не спасет, но если после него будет варистор, который закроет грудью после себя?
2- не вы ли писали о сроке службы варисторов, о старении? Что-...и на груди его могучей одна медаль висела кучей...?
3- чем плоха схема? http://www.problemaemc.narod.ru/emp/emp_opn/964.gif
4- у меня УЗИПы моей же сборки дважды хлеб отработали- и от молнии, и от перенапряжения по одной фазе. Валяйте вашу статистику, только не бумажную
В жизни все не так, как на самом деле...
Аватара пользователя
Константин
Сообщения: 3464
Зарегистрирован: 16 сен 2015, 10:19
Репутация: 851
Откуда: Новосибирская область
Контактная информация:

Об опасности применения бездисплейных реле напряжения

Сообщение Константин » 05 фев 2017, 17:37

elalex писал(а):Источник цитаты 1.Плавкий предохранитель никак не защищает от молнии.
2.Варистор защищает от тысяч молний.

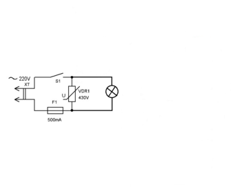
Константин писал(а):Источник цитаты Варистор +плавкий предохранитель

Выглядит это так:
Варистор +предохранитель.png
ПАВ
Сообщения: 7647
Зарегистрирован: 13 авг 2015, 19:54
Репутация: 923
Откуда: Одесса
Контактная информация:

Об опасности применения бездисплейных реле напряжения

Сообщение ПАВ » 05 фев 2017, 17:58

elalex писал(а):Источник цитаты 1.Плавкий предохранитель никак не защищает от молнии.

Следовательно, этот же плавкий предохранитель, включенный последовательно с варистором, тоже не спасает?
Далее, подведя черту- вы там по порядку прошлись по нано- и миллисенкундам, выходит, при длительном воздействии перенапряжения, а такое бывает, предохранитель умрет за миллисекунды, АВ до него не успеет отработать хлеб, линия останется под перенапряжением? Я перестаю спорить, другие пусть скажут свое мнение.
В жизни все не так, как на самом деле...
Аватара пользователя
A.Li
Сообщения: 1766
Зарегистрирован: 03 дек 2015, 09:02
Репутация: 69
Откуда: Омская обл.
Контактная информация:

Об опасности применения бездисплейных реле напряжения

Сообщение A.Li » 05 фев 2017, 20:07

Ладно, пока установлю РН, будем выдергивать телики и др. при грозе. Вот только не всегда бываем дома...Впрочем, так и делают в основном люди. У всех свои причины отсутствия УЗИП, у одних незнание, у других нах надо раз вродь как и так проносит...У меня , вот, фобия...воплотить которую не дает отсутствие земли.
Спасибо ребята за жгучие споры.
Аватара пользователя
elalex
Сообщения: 7423
Зарегистрирован: 21 июл 2015, 08:08
Репутация: 591
Откуда: [email protected]
Контактная информация:

Об опасности применения бездисплейных реле напряжения

Сообщение elalex » 05 фев 2017, 20:14

A.Li, из чего у вас дом и какой этаж?
Одиночный свободный электрик
Опыт ремонтов квартир 20лет
Высшее электрическое образование
Бывший инженер-электрик
Пенсионер
64 года
Пишу для владельцев частного жилья
Запасной E–mail для россиян: [email protected]
Аватара пользователя
A.Li
Сообщения: 1766
Зарегистрирован: 03 дек 2015, 09:02
Репутация: 69
Откуда: Омская обл.
Контактная информация:

Об опасности применения бездисплейных реле напряжения

Сообщение A.Li » 05 фев 2017, 20:23

elalex писал(а):Источник цитаты A.Li, из чего у вас дом и какой этаж?

Тока сразу говорю- сажаться не хочу на арматуру. Об этом наверняка знаете мое отношение. Если хоть немного есть риск навредить кому- это не ко мне. Буду верить в свое будущее ТТ. Панельный МКД. Третий этаж.
Аватара пользователя
A.Li
Сообщения: 1766
Зарегистрирован: 03 дек 2015, 09:02
Репутация: 69
Откуда: Омская обл.
Контактная информация:

Об опасности применения бездисплейных реле напряжения

Сообщение A.Li » 05 фев 2017, 22:05

ПАВ писал(а):Источник цитаты у меня УЗИПы моей же сборки дважды хлеб отработали- и от молнии

какого фига , Вы же совсем не боитесь молнии, а кто боится тот больной (а мож, как говорят, каждый судит по себе.. ?)
Аватара пользователя
elalex
Сообщения: 7423
Зарегистрирован: 21 июл 2015, 08:08
Репутация: 591
Откуда: [email protected]
Контактная информация:

Об опасности применения бездисплейных реле напряжения

Сообщение elalex » 05 фев 2017, 22:52

A.Li:
1.Посетителей на форуме достаточно много, чтобы помнить их ситуации.
2.Как уже говорил, арматура здания – часть Планеты Земля, и никто никакими действиями на ней не может навредить никому.
3.Пока будете верить в своё будущее ТТ, квартира сгорит, а вас поубивает.
Одиночный свободный электрик
Опыт ремонтов квартир 20лет
Высшее электрическое образование
Бывший инженер-электрик
Пенсионер
64 года
Пишу для владельцев частного жилья
Запасной E–mail для россиян: [email protected]


  • Реклама

Вернуться в «Контакторы, пускатели, реле, датчики, кнопки и т.п.»

Кто сейчас на конференции

Сейчас этот форум просматривают: нет зарегистрированных пользователей и 6 гостей