Кактус писал(а):Источник цитаты Да хватит уже любезностей, я может 16-ти летний шкет.
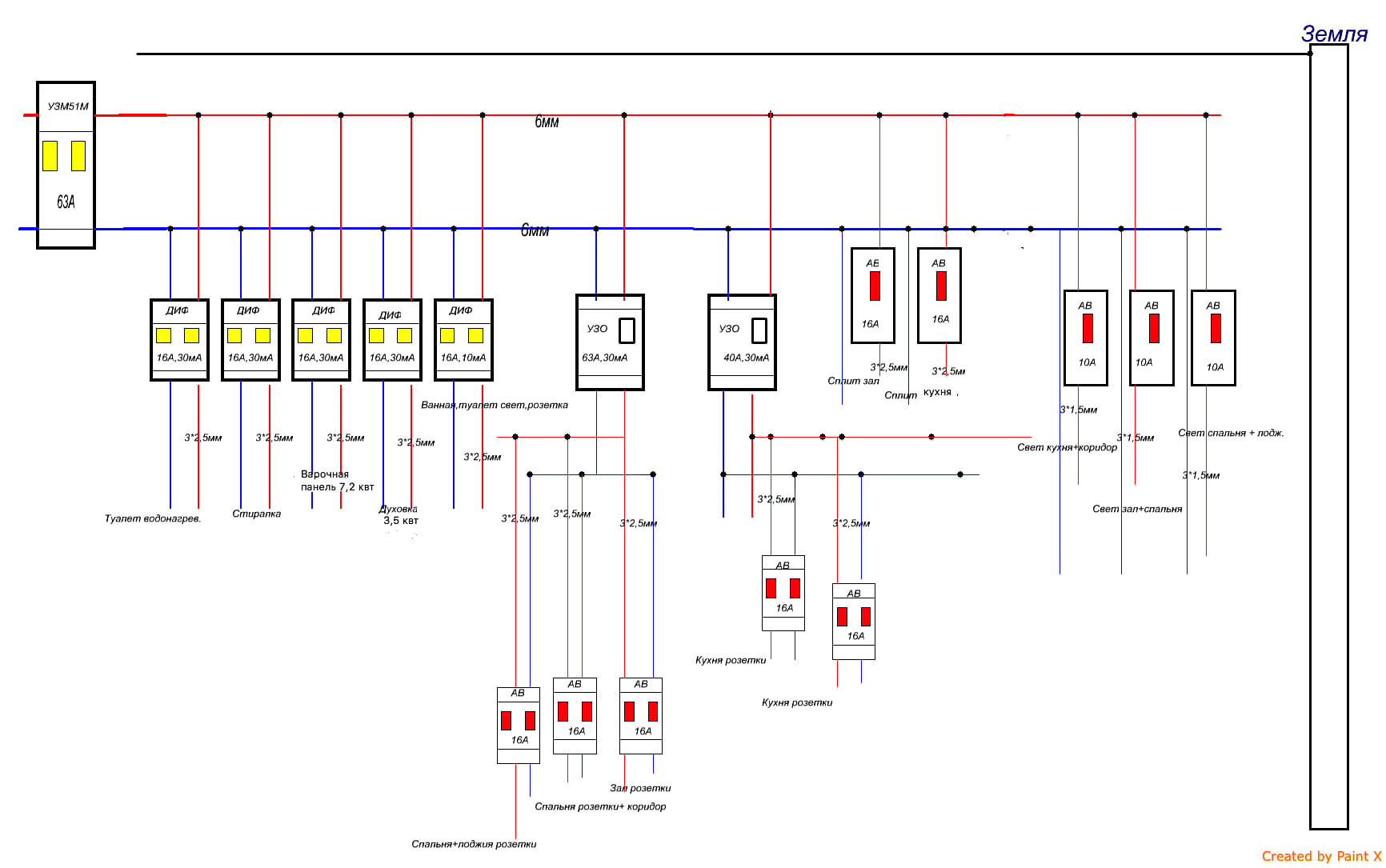
Данное УЗО защищено у вас только АВ20А в ЩЭ. Я повторю, мне не сложно: защищать УЗО можно 2 способами (сейчас мы говорим о тепловом расцепителе АВ) 1. либо АВ с номиналом на ступень ниже
перед УЗО, 2. Либо
суммой номиналов АВ
после УЗО. У Вас случай первый по УЗО 25А30ма и второй по УЗО 25А10ма.
Ну мож и шкет я не знаю, по общению не похоже

А если и шкет тогда тем более Уважаемый! Просто такой вот я кулюторный

Пожалуй Вы правы хватит любезностей

ато все уважаемыми стали ...

Главное что уже поняли что такие

и обижаться без напоминаний надеюсь не будут ( а то ведь долго извиняться потом придётся когда забуду написать это слово)
Извините за отступ ( ну вот опять

), вернулся к теме. обмозговал Ваше
Кактус писал(а):Источник цитаты Данное УЗО защищено у вас только АВ20А в ЩЭ
и задумался почему раньше то не дошло !

Это же просто. Да. Конечно УЗО 40А ведь наберётся потребителей на розетках что как-бы и вводной АВ20 не выбило как-нибудь

Спасибо
Кактус. Исправляю для новых замечаний