Проблема с платой управления вытяжки Kaiser. Помогите разобраться.

Делимся информацией по ремонту бытовой техники (стиральные машины, пылесосы, фены, вентиляторы, электроплиты, холодильники, СВЧ-печи и т.п.)
Аватара пользователя
TOPMO3
Сообщения: 4181
Зарегистрирован: 29 фев 2016, 10:37
Репутация: 626
Откуда: Ижевск
Контактная информация:

Проблема с платой управления вытяжки Kaiser. Помогите разобраться.

Сообщение TOPMO3 » 05 мар 2024, 19:21

yurbant писал(а):Источник цитаты Вы опять игнорируете схему, которую я несколько раз выкладывал. Повторю ещё раз свой вопрос. ЧТО С НЕЙ НЕ ТАК?
Почему Вы уперлись в идею, прямого подключения на 220 вольт ... какая проблема в подключении через имеющиеся реле?
Смеюсь последний ... тормоз однако!
Реклама
Аватара пользователя
yurbant
Сообщения: 105
Зарегистрирован: 29 фев 2024, 13:34
Репутация: 1
Контактная информация:

Проблема с платой управления вытяжки Kaiser. Помогите разобраться.

Сообщение yurbant » 05 мар 2024, 19:26

TOPMO3 писал(а):Источник цитаты Вы не правильно поняли ... имелось в виду, что если подключение через вилку, то нет гарантии, что фаза и нуль, будут подаваться каждый раз на одни и те же линии схемы.

У меня в квартире везде земля и современные розетки, на вытяжке то же присутствует земля, поэтому перепутать не возможно.
TOPMO3 писал(а):Источник цитаты У Вас на плате уже стоят предохранители ... зачем их не используете?

Плату я полностью буду выкидывать, в корпус уже вкорячил старый тип предохранителя.
DSC_2082.JPG
Аватара пользователя
yurbant
Сообщения: 105
Зарегистрирован: 29 фев 2024, 13:34
Репутация: 1
Контактная информация:

Проблема с платой управления вытяжки Kaiser. Помогите разобраться.

Сообщение yurbant » 05 мар 2024, 19:32

TOPMO3 писал(а):Источник цитаты Почему Вы уперлись в идею, прямого подключения на 220 вольт ... какая проблема в подключении через имеющиеся реле?

Проблема в том, что реле на 12 v., т.е. к каждому реле ещё дополнительно надо падавать напряжение. Просто уже не хочу с этими прибамбасами возиться, хочу просто и надёжно.
Аватара пользователя
TOPMO3
Сообщения: 4181
Зарегистрирован: 29 фев 2016, 10:37
Репутация: 626
Откуда: Ижевск
Контактная информация:

Проблема с платой управления вытяжки Kaiser. Помогите разобраться.

Сообщение TOPMO3 » 05 мар 2024, 19:59

yurbant писал(а):Источник цитаты У меня в квартире везде земля и современные розетки, на вытяжке то же присутствует земля, поэтому перепутать не возможно.
Гы ... Вы считаете, что вилку в розетку, можно воткнуть только одним способом? Ну чтоб не гадать с ответом ... вытащите любую вилку и поверните на 180 градусов ... не ужто не лезет!?
Тогда, Вы живете не в РФ, а в США ... но ... откель опять же, у Вас, 220 вольт ... должно быть меньше - всего 120 вольт. :biggrin:
Смеюсь последний ... тормоз однако!
Аватара пользователя
TOPMO3
Сообщения: 4181
Зарегистрирован: 29 фев 2016, 10:37
Репутация: 626
Откуда: Ижевск
Контактная информация:

Проблема с платой управления вытяжки Kaiser. Помогите разобраться.

Сообщение TOPMO3 » 05 мар 2024, 20:06

yurbant писал(а):Источник цитаты Плату я полностью буду выкидывать, в корпус уже вкорячил старый тип предохранителя.

Хозяин барин ...
Предохранители ставятся, только на фазу ... на вилке и розетке сделайте метки, чтобы фаза всегда попадала на предохранитель.
Вложения
1Наружная ручка.jpg
Последний раз редактировалось TOPMO3 05 мар 2024, 20:17, всего редактировалось 1 раз.
Смеюсь последний ... тормоз однако!
Аватара пользователя
yurbant
Сообщения: 105
Зарегистрирован: 29 фев 2024, 13:34
Репутация: 1
Контактная информация:

Проблема с платой управления вытяжки Kaiser. Помогите разобраться.

Сообщение yurbant » 05 мар 2024, 20:15

TOPMO3 писал(а):Источник цитаты
yurbant писал(а):Источник цитаты У меня в квартире везде земля и современные розетки, на вытяжке то же присутствует земля, поэтому перепутать не возможно.
Гы ... Вы считаете, что вилку в розетку, можно воткнуть только одним способом? Ну чтоб не гадать с ответом ... вытащите любую вилку и поверните на 180 градусов ... не ужто не лезет!?
Тогда, Вы живете не в РФ, а в США ... но ... откель опять же, у Вас, 220 вольт ... должно быть меньше - всего 120 вольт. :biggrin:

TOPMO3 писал(а):Источник цитаты
yurbant писал(а):Источник цитаты Плату я полностью буду выкидывать, в корпус уже вкорячил старый тип предохранителя.

Хозяин барин ...
Предохранители ставятся, только на фазу ... на вилке и розетке сделайте метки, чтобы фаза всегда попадала на предохранитель.

Ну, не буду же я, вверх шнуром что то включать, правильно? Юмор оценил! :biggrin:
Аватара пользователя
TOPMO3
Сообщения: 4181
Зарегистрирован: 29 фев 2016, 10:37
Репутация: 626
Откуда: Ижевск
Контактная информация:

Проблема с платой управления вытяжки Kaiser. Помогите разобраться.

Сообщение TOPMO3 » 05 мар 2024, 20:23

yurbant писал(а):Источник цитаты Ну не буду же я, вверх шнуром что то включать, правильно?
Это как, вверх шнуром? И при чем тут фаза и нуль? Извините я не догоняю Вашу мысль ... сначала, фазу определяли по присутствию землянной клеммы ... теперь, как я догадываюсь, по форме вилки. :pardon:
Смеюсь последний ... тормоз однако!
Аватара пользователя
yurbant
Сообщения: 105
Зарегистрирован: 29 фев 2024, 13:34
Репутация: 1
Контактная информация:

Проблема с платой управления вытяжки Kaiser. Помогите разобраться.

Сообщение yurbant » 05 мар 2024, 20:36

TOPMO3 писал(а):Источник цитаты
yurbant писал(а):Источник цитаты Ну не буду же я, вверх шнуром что то включать, правильно?
Это как, вверх шнуром? И при чем тут фаза и нуль? Извините я не догоняю Вашу мысль ... сначала, фазу определяли по присутствию землянной клеммы ... теперь, как я догадываюсь, по форме вилки. :pardon:

TOPMO3 писал(а):Источник цитаты Гы ... Вы считаете, что вилку в розетку, можно воткнуть только одним способом? Ну чтоб не гадать с ответом ... вытащите любую вилку и поверните на 180 градусов ... не ужто не лезет!?

Я к тому, что вы писали насчёт 180 градусов. Ладно, здесь вы правы, не на каждом приборе производитель может соблюдать стандарты, скакой стороны фаза с какой ноль. Но вернёмся к вытяжке (кстати, там я точно знаю где фаза), Вы так и не ответили на мой вопрос.
yurbant писал(а):Источник цитаты Проясните последний момент. В моём случае сюда подаётся красный провод?
unnamed.jpg
Разметка проводов.JPG
Аватара пользователя
TOPMO3
Сообщения: 4181
Зарегистрирован: 29 фев 2016, 10:37
Репутация: 626
Откуда: Ижевск
Контактная информация:

Проблема с платой управления вытяжки Kaiser. Помогите разобраться.

Сообщение TOPMO3 » 05 мар 2024, 21:06

yurbant писал(а):Источник цитаты Проясните последний момент. В моём случае сюда подаётся красный провод?
Вы задаете "странные"вопросы, сразу и не ответишь ... иногда приходится всё по новой перечитывать, чтобы понять откуда что вылилось.
Вот Вы сначала ответьте ... если где нить поменяете провод, с другим цветом изоляции - этот провод сменит и свое предназначение?
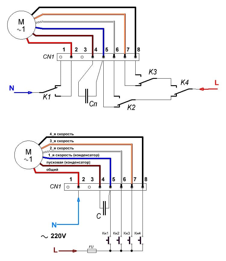
Вам же уже конкретно показали, какой провод для чего служит ... и конкретно по Вашему двигателю, т.е. шесть проводов:
- общий (может быть нулем или фазой - зависит от подключения вилки);
- провод для подключения конденсатора;
- провод 1_ой скорости и подключения конденсатора;
- провод 2_ой скорости;
- провод 3_ой скорости;
- провод 4_ой скорости.
Заметьте они могут любого цвета, но желательно разного ... я не запоминаю "цвета" ... я знаю "для чего".
У Вас двигатель подключен производителем к плате через клеммник (CN1) ... я нарисовал для Вас со цветом проводов и обозначил для чего какой служит ... Вы уже всё раздербанили клеммник и не помните какой цвет, куда подключать что-ли?
Смеюсь последний ... тормоз однако!
Аватара пользователя
TOPMO3
Сообщения: 4181
Зарегистрирован: 29 фев 2016, 10:37
Репутация: 626
Откуда: Ижевск
Контактная информация:

Проблема с платой управления вытяжки Kaiser. Помогите разобраться.

Сообщение TOPMO3 » 05 мар 2024, 21:21

TOPMO3 писал(а):Источник цитаты Вы задаете "странные"вопросы, сразу и не ответишь ...
Кажись понял, что Вы хотите узнать ...
1. У Вас имеется двигатель с выходящимися из него проводами (6 штук);
2. Вы ничего не поняли из схемы по двигателю, которую я выкладывал;
3. Вам дали схему, взятую не известно где в интернете;
4. Главное, что Вы видите в этих схемах "цвет" проводов;
5. Теперь Вас смущает, что в Вашей схеме и схеме из интернета цвета не сходятся!
Кто Вам сказал, что во всем мире, у всех провода одного цвета должны иметь одинаковое предназначение?
Плюньте на эту схему (из интернета) и не путая свои провода (по предназначению!) собирайте на кнопках.
Смеюсь последний ... тормоз однако!
Аватара пользователя
yurbant
Сообщения: 105
Зарегистрирован: 29 фев 2024, 13:34
Репутация: 1
Контактная информация:

Проблема с платой управления вытяжки Kaiser. Помогите разобраться.

Сообщение yurbant » 05 мар 2024, 21:24

TOPMO3 писал(а):Источник цитаты Вы уже всё раздербанили клеммник и не помните какой цвет, куда подключать что-ли?

Почему не помню, помню. Только по этой схеме, конденсатор идёт на двигатель без
TOPMO3 писал(а):Источник цитаты провод 1_ой скорости и подключения конденсатора

Поэтому и спрашиваю.
unnamed.jpg
Аватара пользователя
yurbant
Сообщения: 105
Зарегистрирован: 29 фев 2024, 13:34
Репутация: 1
Контактная информация:

Проблема с платой управления вытяжки Kaiser. Помогите разобраться.

Сообщение yurbant » 05 мар 2024, 21:35

TOPMO3 писал(а):Источник цитаты Плюньте на эту схему (из интернета) и не путая свои провода (по предназначению!) собирайте на кнопках

Понял, спасибо!
Аватара пользователя
TOPMO3
Сообщения: 4181
Зарегистрирован: 29 фев 2016, 10:37
Репутация: 626
Откуда: Ижевск
Контактная информация:

Проблема с платой управления вытяжки Kaiser. Помогите разобраться.

Сообщение TOPMO3 » 05 мар 2024, 21:56

Две схемы ... прежняя и по Вашей задумке (на кнопках) ...
Вложения
1Обшивка.jpg
Смеюсь последний ... тормоз однако!
Аватара пользователя
yurbant
Сообщения: 105
Зарегистрирован: 29 фев 2024, 13:34
Репутация: 1
Контактная информация:

Проблема с платой управления вытяжки Kaiser. Помогите разобраться.

Сообщение yurbant » 05 мар 2024, 22:38

TOPMO3 писал(а):Источник цитаты Две схемы ... прежняя и по Вашей задумке (на кнопках) ...

Вот за это приогромнейшая благодарность!!! Это то, что я хотел узнать. :yes:
Аватара пользователя
yurbant
Сообщения: 105
Зарегистрирован: 29 фев 2024, 13:34
Репутация: 1
Контактная информация:

Проблема с платой управления вытяжки Kaiser. Помогите разобраться.

Сообщение yurbant » 06 мар 2024, 17:11

Здравствууйте! Что то я подумал, подуумал и решил всё таки купить галетный выключатель. https://www.ozon.ru/product/pereklyucha ... 015343164/ Подумал, а вдруг не я, так жена нажмёт на другую скорость, во время работы предыдущей. Старые уже, мозгов то и мамяти с гулькин хрен.Сегодня заказал. Думаю, как то вкарячу его. Самый продуманный вариант для этих целей. А пока жду компоненты для переделки.
Аватара пользователя
МБВ
Сообщения: 407
Зарегистрирован: 20 мар 2023, 22:32
Репутация: 78
Контактная информация:

Проблема с платой управления вытяжки Kaiser. Помогите разобраться.

Сообщение МБВ » 06 мар 2024, 19:19

Угу, им же и свет включать. На ногу 3,4,5,6 скорости вентилятора, ноги 8,9,10,11,12 объединить, они свет включат. Пол1-выкл, пол2-свет, пол3456 четыре скорости со светом. А и С фаза.
Аватара пользователя
yurbant
Сообщения: 105
Зарегистрирован: 29 фев 2024, 13:34
Репутация: 1
Контактная информация:

Проблема с платой управления вытяжки Kaiser. Помогите разобраться.

Сообщение yurbant » 06 мар 2024, 19:27

МБВ писал(а):Источник цитаты Угу, им же и свет включать. На ногу 3,4,5,6 скорости вентилятора, ноги 8,9,10,11,12 объединить, они свет включат. Пол1-выкл, пол2-свет, пол3456 четыре скорости со светом. А и С фаза.

Спасибо за просвещение! А если без света, вытяжку запустить, днём? Может быть лучше свет отдельной кнопкой?
Аватара пользователя
МБВ
Сообщения: 407
Зарегистрирован: 20 мар 2023, 22:32
Репутация: 78
Контактная информация:

Проблема с платой управления вытяжки Kaiser. Помогите разобраться.

Сообщение МБВ » 06 мар 2024, 19:31

На всё воля Ваша. Света много не бывает. Предложу:
Вложения
1.jpeg
1.jpeg (4.19 КБ) 2997 просмотров
images.jpeg
images.jpeg (5.7 КБ) 2997 просмотров
Аватара пользователя
МБВ
Сообщения: 407
Зарегистрирован: 20 мар 2023, 22:32
Репутация: 78
Контактная информация:

Проблема с платой управления вытяжки Kaiser. Помогите разобраться.

Сообщение МБВ » 06 мар 2024, 19:32

2х10 Вт, это не 2х2,5 Вт.
Можно выбрать и цвет и мощность.
Аватара пользователя
yurbant
Сообщения: 105
Зарегистрирован: 29 фев 2024, 13:34
Репутация: 1
Контактная информация:

Проблема с платой управления вытяжки Kaiser. Помогите разобраться.

Сообщение yurbant » 06 мар 2024, 19:34

МБВ писал(а):Источник цитаты 2х10 Вт, это не 2х2,5 Вт.

Это 12 или 220 в?


  • Реклама

Вернуться в «Ремонт бытовой техники (стиральные машины, пылесосы, фены, вентиляторы, СВЧ-печи и т.п.)»

Кто сейчас на конференции

Сейчас этот форум просматривают: нет зарегистрированных пользователей и 8 гостей