Леопольд писал(а):Источник цитаты А если я найду арматурину рядом с трубой водопровода и свяжу их между собой и использую как заземление?
ПАВ писал(а):Источник цитаты как близко я к Японии- тоже ТТ!
ПАВ писал(а):Источник цитаты мамы и папы розеток/вилок имеют разную ширину. Зачем?
Какой пункт ... укажите пожалуйста ...tupos писал(а):Источник цитаты... Тот факт, что никаких коробок до ВРУ ПУЭ не допускает я даже не рассматриваю. ...

Леопольд писал(а):Источник цитаты у меня получится ТТ?
Леопольд писал(а):Источник цитаты Если вдруг мои родственники впоследствии подключат это РЕ к занулению в щитке (ЩЭ) - возникнут ли какие либо неприятности?
Я нашел ...elalex писал(а):Источник цитаты Нашлась некоторая информация по ТТ в Японии. Надеюсь, найдется еще.
elalex писал(а):Источник цитатыСистема электроснабжения, используемая в Японии для питания электроустановок жилых зданий, является разновидностью системы ТТ.
elalex и ПАВ ... на рисунке схемы питания, применяемые по всему миру.ПАВ писал(а):Источник цитаты 1- как близко я к Японии- тоже ТТ!

Извинения прошу ... на картинке схемы не электроприемников, а источников ... проще сказать схемы вторичек на ТП.ПАВ писал(а):Источник цитаты Я в электрике не очень, но у меня так ...
Первый раз шоли?Х/з- Япония, или нет, просто захотелось хоть немного там побывать...

Применяемой схеме, источника в Японии, соответствует рисунок с буквой "h".elalex писал(а):Источник цитаты Понятие "система заземления ТТ" касается потребителей, а не источников.
На картинках – источники. Что в Японии с источниками – я не знаю.


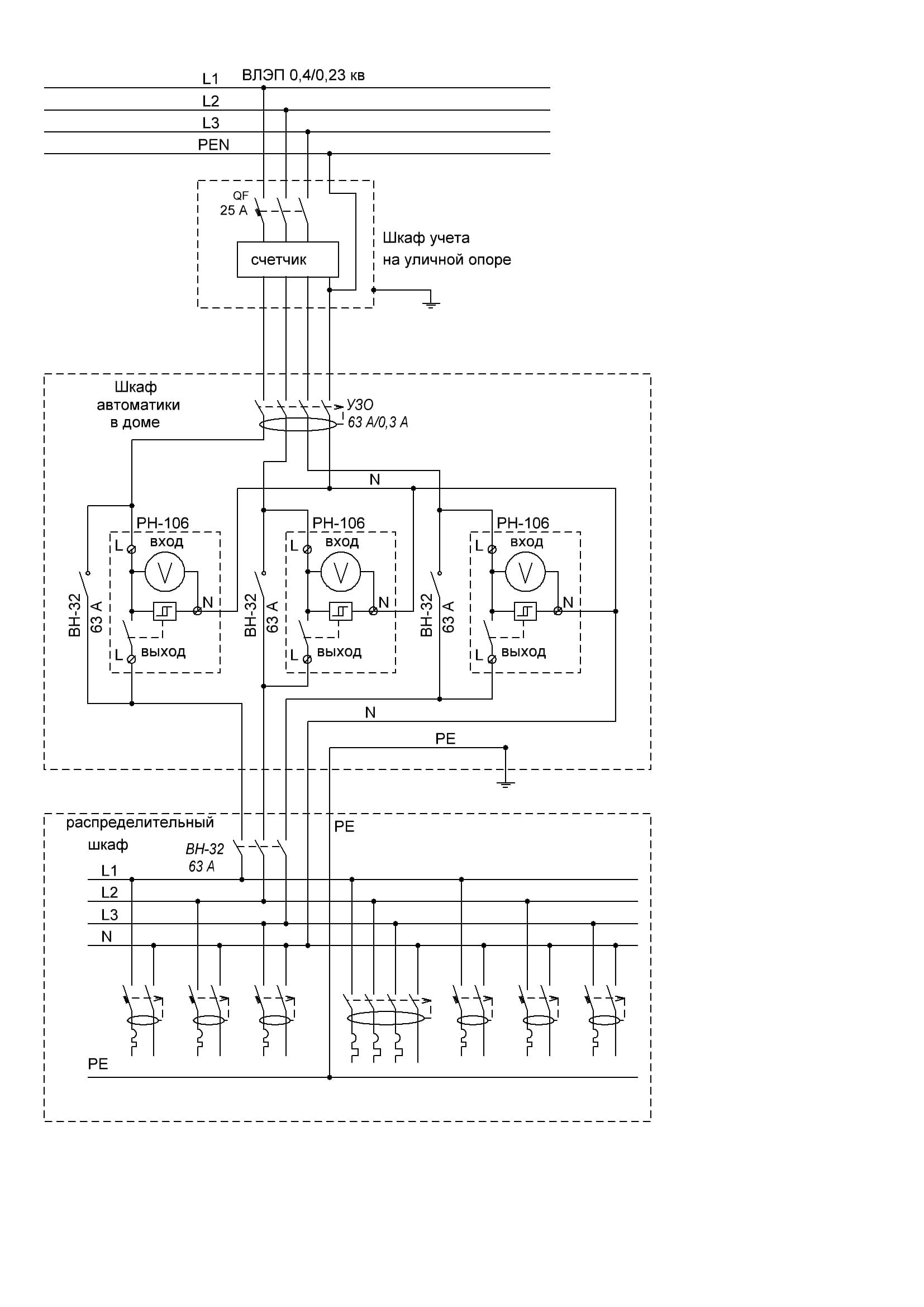
Вы не указали расстояние между щитами (ШУ, ША и ШР) ... если большое - есть смысл УЗО переставить в ШУ (дифзащита кабеля) ... в любом случае после счетчика надоoleinap писал(а):Источник цитаты уважаемые форумчане, elalex, посмотрите на схему электроснабжения частного дома в селе от уличной ВЛЭП,
попытался составить для ТТ. УЗИП могу поставить только в шкаф автоматики, лучше перед вводным УЗО?
Замечания?
На схеме отсутствует соединение приход_"нейтрали" с "повторкой".ПУЭ писал(а):7.1.65. После счетчика, включенного непосредственно в сеть, должен быть установлен аппарат защиты...

Витт писал(а):Источник цитаты Вводное УЗО будет селективное
Вернуться в «Заземление и молниезащита»
Сейчас этот форум просматривают: нет зарегистрированных пользователей и 11 гостей